电脑桌面
添加小米粒文库到电脑桌面
安装后可以在桌面快捷访问

全彩LED显示屏报价及参数方案

全彩LED显示屏报价及参数方案_第1页
1/6
全彩LED显示屏报价及参数方案_第2页
2/6
全彩LED显示屏报价及参数方案_第3页
3/6
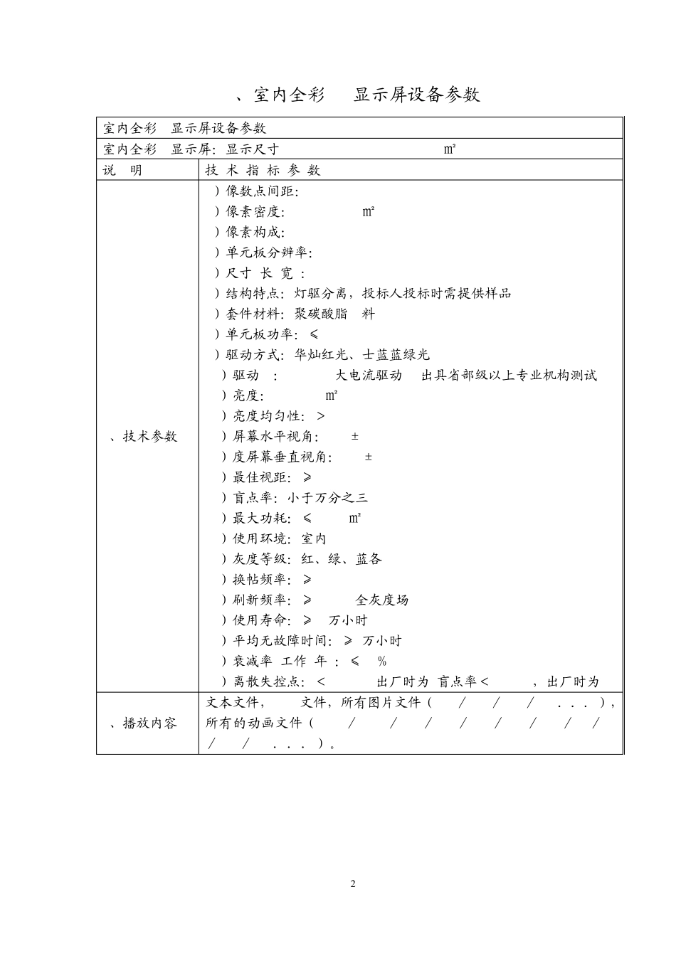
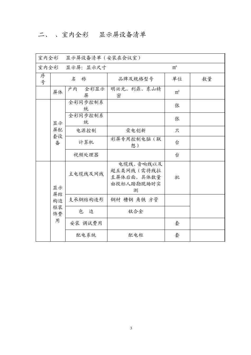
1 一、1、室内全彩 P4显示屏设备清单 室内全彩 P4显示屏设备清单(安装在会议室) 室内全彩 P4显示屏:显示尺寸 3.84m(L)*1.92m(H)=7.3728㎡ 序号 名 称 品牌及规格型号 单位 数量 1 屏体 户内 P4全彩显示屏 明兴光、利鼎、东山精密 3.84m*1.92m ㎡ 7.3728 2 LED显示屏配套设备 全彩同步控制系统 TS-802 张 1 全彩同步控制系统 RV-908 张 10 电源控制 荣电创新 只 40 计算机 彩屏专用控制电脑(联想) 台 1 视频处理器 KS-600 台 1 3 LED显示屏结构边框装饰费用 主电缆线及网线 5*6电缆线、音响线以及超五类网线(需将线拉至屏体后面,具体数量由投标人踏勘现场时实测 批 1 支承钢结构造形 钢材(槽钢/角铁/方管) m2 9 包 边 钛合金 m2 安装,调试费用 套 1 配电系统 配电柜 套 1 2 2、室内全彩P4显示屏设备参数 室内全彩P4显示屏设备参数 室内全彩P4显示屏:显示尺寸3.84m(L)*1.92m(H)=7.3728㎡ 说 明 技 术 指 标 参 数 1、技术参数 1)像数点间距:4.0mm 2)像素密度:62500Dots/㎡ 3)像素构成:1R1G1B 4)单元板分辨率:64*32=2048Dots 5)尺寸(长*宽):256mm*128mm 6)结构特点:灯驱分离,投标人投标时需提供样品 7)套件材料:聚碳酸脂PC料 8)单元板功率:≤14.0W 9)驱动方式:华灿红光、士蓝蓝绿光 10)驱动IC:LD8020 大电流驱动IC 出具省部级以上专业机构测试 11)亮度:1400 cd/㎡ 12)亮度均匀性:>0.95 13)屏幕水平视角:120±10 14)度屏幕垂直视角:120±10 15)最佳视距:≥4.0m 16)盲点率:小于万分之三 17)最大功耗:≤770W/㎡ 18)使用环境:室内 19)灰度等级:红、绿、蓝各12-16bits 20)换帖频率:≥60 21)刷新频率:≥500Hz(全灰度场) 22)使用寿命:≥10万小时 23)平均无故障时间:≥1万小时 24)衰减率(工作3年):≤15% 25)离散失控点:<0.0001(出厂时为0盲点率<0.0001,出厂时为0) 2、播放内容 文本文件,WORD文件,所有图片文件(BMP/JPG/GIF/PCX...),所有的动画文件(MPG /MPEG/MPV/MPA/AVI/VCD/SWF/RM/RA/RMJ/ASF...)。 3 二、1、室内全彩 P4显示屏设备清单 室内全彩 P4显示屏设备清单(安装在会议室) 室内全彩 P4显示屏:显示尺寸 4.096m(L)*2.176m(H)=8.913㎡ 序号 名 称 品牌及规格型号 单位 数量 1 屏体 户内 P4全彩显示屏 明兴光、利鼎、...

1、当您付费下载文档后,您只拥有了使用权限,并不意味着购买了版权,文档只能用于自身使用,不得用于其他商业用途(如 [转卖]进行直接盈利或[编辑后售卖]进行间接盈利)。
2、本站所有内容均由合作方或网友上传,本站不对文档的完整性、权威性及其观点立场正确性做任何保证或承诺!文档内容仅供研究参考,付费前请自行鉴别。
3、如文档内容存在违规,或者侵犯商业秘密、侵犯著作权等,请点击“违规举报”。

碎片内容

全彩LED显示屏报价及参数方案

确认删除?
VIP
微信客服
  • 扫码咨询
会员Q群
  • 会员专属群点击这里加入QQ群
客服邮箱
回到顶部