电脑桌面
添加小米粒文库到电脑桌面
安装后可以在桌面快捷访问

工厂供电课程设计要求

工厂供电课程设计要求_第1页
1/12
工厂供电课程设计要求_第2页
2/12
工厂供电课程设计要求_第3页
3/12
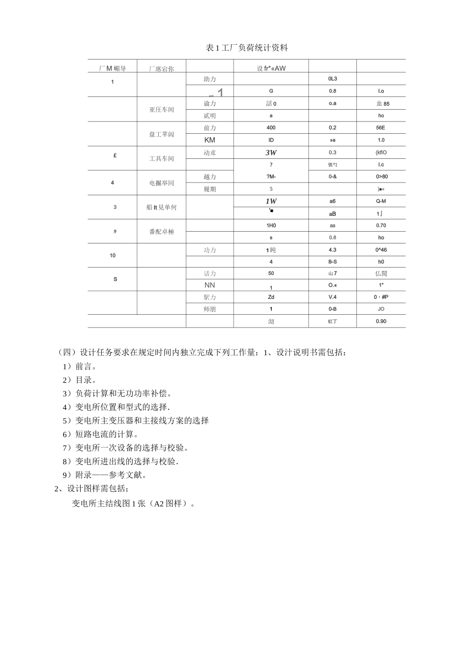
封面(略)一、工厂供电课程设计任务书(一)设计题目某机械厂降压变电所的电气设计(二)设计要求要求根据车厂所能取得的电源及本厂用电负荷的实际情况,并遁当考虑到工厂生产的发展,按照安全可靠、技术先进、经济合理的要求.确定变电所的位置与型式.确定变电所主变庄器的台数与容量、类型,选择变电所主结线方案及高低压设备和进出线。最后按要求写出设计说明书.绘出设计图样。(三)设计依据1、工厂总平面图如图 1 所示。2、工厂负荷情况本厂多数车间为两班制,年最大负荷利用小时为 4600h.日最大负荷持续时间为 6h。该厂除铸造车间、电怄车问和锅炉房属二级负荷外.其余均属三级负荷。本厂的负荷统汁资料如表 1 所示。3、供电电源情况按照工厂与当地供电部门签订的供用电协议规定.本厂可由附近一条10kV 的公用电源于线取得工作电源。该干线的走向参看工厂总平面图.该干线的导线牌号为 LGJ-150,导线为等边三角形徘列.线距为 2m;干线首端距离本厂约 8km。干线首端所装设的高压断路器断流容量为500MVA。为满足工厂二级负荷的耍求,可采用高压联络线由邻近的单位取得备用电源,已知与本厂高压侧有电气联系的架空线路总长度为 80km.电缆线路总长度为25km。4、气象资料本厂所在地区的年最高气温为 3°C,年平均气温为 23°C,年最低气温为一 8°C.年最热月平均最高气温为 33C,年最热月平均气温为 26C,年最热月地下 0.8m 处平均温度为 25°C。当地主导风向为东北风,年雷暴日数为 20。图 1XX 机械厂总平面图表 1 工厂负荷统计资料厂 M 嵋导厂席宕你设 fr*«AW1助力0L3.叭1G0.8l.o亚圧车间谕力話 0o.a血 85贰明aho盘工苹闾前力4000.256EKMID»a1.0£工具车间动朮3W0.3(kflO?佻勺l.c4电掘举同越力?M-0-&0>80履期5]■«3船 It 見单何1Wa6Q-M'■aB1』9番配卓極1H0as0.70s0.8ho10功力1 盹4.30^464B-Sh0S话力50山 7仏閱NN1O.«1"駅力ZdV.40・#P师朋10-BJO沏虹丁0.90(四)设计任务要求在规定时间内独立完成下列工作量:1、设汁说明书需包括:1)前言。2)目录。3)负荷计算和无功功率补偿。4)变电所位置和型式的选择.5)变电所主变压器和主接线方案的选择6)短路电流的计算。7)变电所一次设备的选择与校验。8)变电所进出线的选择与校验.9)附录——参考文献。2、设计图样需包括;变电所主结线图 1 张(A2 图样)。、课程设计说明书前言(略)目录(略)(一)负荷计算和无功功率补偿1、负荷计算各厂房和生活区的...

1、当您付费下载文档后,您只拥有了使用权限,并不意味着购买了版权,文档只能用于自身使用,不得用于其他商业用途(如 [转卖]进行直接盈利或[编辑后售卖]进行间接盈利)。
2、本站所有内容均由合作方或网友上传,本站不对文档的完整性、权威性及其观点立场正确性做任何保证或承诺!文档内容仅供研究参考,付费前请自行鉴别。
3、如文档内容存在违规,或者侵犯商业秘密、侵犯著作权等,请点击“违规举报”。

碎片内容

工厂供电课程设计要求

您可能关注的文档

确认删除?
VIP
微信客服
  • 扫码咨询
会员Q群
  • 会员专属群点击这里加入QQ群
客服邮箱
回到顶部