电脑桌面
添加小米粒文库到电脑桌面
安装后可以在桌面快捷访问

砌体加气块施工方案

砌体加气块施工方案_第1页
1/9
砌体加气块施工方案_第2页
2/9
砌体加气块施工方案_第3页
3/9
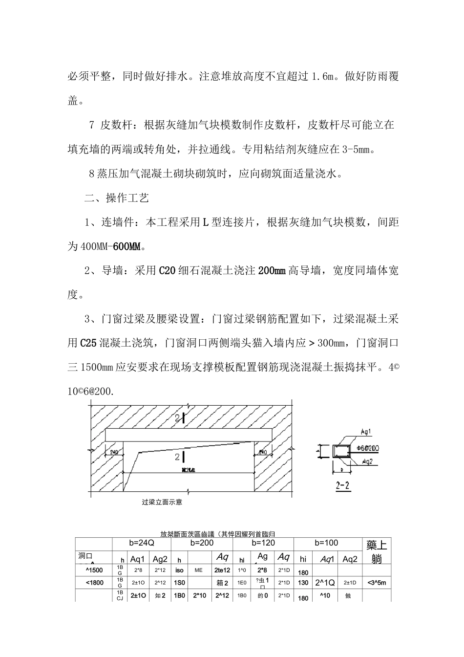
1. 工程慨况工程名称;芜湖市繁昌县 FT1715 项目工程工程地址;安徽省芜湖市繁昌县繁阳大道与马仁山路交叉口建设单位;芜湖梁盛置业有限公司设计单位;中国建设技术集团有限公司;中铁时代建筑设计院有限公司;本项目位于芜湖市繁昌县繁阳大道与马仁山路交叉口,占地面积约 4,7 万 m2,总建筑面积约 10,45 平方米,主要建筑形式;9 栋 8-18层高层住宅,3 栋 2-6 层洋房,7 栋联排别墅住宅,部分配套用房面积,其中地下车库暂定 2,16 万平方米(其中人防面积暂定 0,41 万平方米)本工程适用范围:±0.000 以上填充墙。使用墙体材料:A3.5B06 加气混凝土砌块,长 600,宽 200,厚度 200及 240,采用专用粘结剂砌筑。一、技术及材料准备1 砌块砌筑前,应根据建筑物的平面、立面绘制砌块排版图。2 组织施工人员进行技术交底。3 进行墙体边缘控制线的测量定位,并进行复核。4 根据现场情况,组织材料就近堆放点,堆放与运输时注意加气块阳角及棱角不被破坏。5 加气块进场时,现场应对其外观质量和尺寸进行检查,同时检查其合格证书、产品性能检测报告。每一批到现场,砌块 1万块为一验收批进行取样。6 按照设计选用的规格组织砌块,分规格等级堆放,堆放现场必须平整,同时做好排水。注意堆放高度不宜超过 1.6m。做好防雨覆盖。7 皮数杆:根据灰缝加气块模数制作皮数杆,皮数杆尽可能立在填充墙的两端或转角处,并拉通线。专用粘结剂灰缝应在 3-5mm。8 蒸压加气混凝土砌块砌筑时,应向砌筑面适量浇水。二、操作工艺1、连墙件:本工程采用 L 型连接片,根据灰缝加气块模数,间距为 400MM-600MM。2、导墙:采用 C20 细石混凝土浇注 200mm 高导墙,宽度同墙体宽度。3、门窗过梁及腰梁设置:门窗过梁钢筋配置如下,过梁混凝土采用 C25 混凝土浇筑,门窗洞口两侧端头猫入墙内应>300mm,门窗洞口三 1500mm 应安要求在现场支撑模板配置钢筋现浇混凝土振捣抹平。4©10©6@200.过梁立面示意放桀斷面茨區齒議(其悴因耀列首臨归b=24Qb=200b=120b=100藥上躺洞口ssA、h Aq1Ag2hAq2hiAg1Aq2hiAq1Aq2^15001BG2*82*12isoME2te121^02*82*1D180<18001BG2±1O2^121S0箱 21E0?虫 1口2*1D1302^1Q2±1D<3^5m1BCJ2±1O如 21B02*102^121B0的 02*1D180^10蝕25G2i102^142502i10捡口250的 02*1i25(}2 劉 0t3000SCO2^102^163002*102^163002W2^163002 釦 02^16<3,5m填充墙腰梁做法:当墙厚为 100,200 或当墙净高大于 ...

1、当您付费下载文档后,您只拥有了使用权限,并不意味着购买了版权,文档只能用于自身使用,不得用于其他商业用途(如 [转卖]进行直接盈利或[编辑后售卖]进行间接盈利)。
2、本站所有内容均由合作方或网友上传,本站不对文档的完整性、权威性及其观点立场正确性做任何保证或承诺!文档内容仅供研究参考,付费前请自行鉴别。
3、如文档内容存在违规,或者侵犯商业秘密、侵犯著作权等,请点击“违规举报”。

碎片内容

砌体加气块施工方案

您可能关注的文档

确认删除?
VIP
微信客服
  • 扫码咨询
会员Q群
  • 会员专属群点击这里加入QQ群
客服邮箱
回到顶部