电脑桌面
添加小米粒文库到电脑桌面
安装后可以在桌面快捷访问

当归炮制工艺规程

当归炮制工艺规程_第1页
1/9
当归炮制工艺规程_第2页
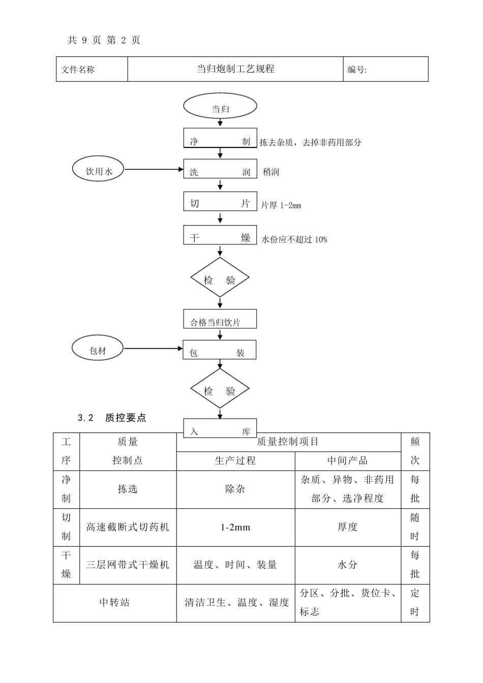
2/9
当归炮制工艺规程_第3页
3/9
共 9 页 第 1 页 标 题 当归炮制工艺规程 编 号 制订部门 替代版本 新订 制订人 审 核 人 批 准 人 制订日期 年 月 日 审核日期 年 月 日 批准日期 年 月 日 颁发部门 质量部 颁发日期 年 月 日 执行日期 年 月 日 原件:GMP办存档 分发:现分发下列部门并执行 【共 份】 一、名称 二、规格 三、生产工艺流程图及质控要点 四、炮制方法 五、炮制工艺的操作要求和工艺技术参数 六、物料、中间产品、成品的质量标准及贮存注意事项 七、包装规格 八、物料平衡的计算方法 九、主要生产设备一览表及其生产能力 当归炮制生产工艺规程 一. 名称 中 文 名 当归 汉语拼音 Danggui 拉 丁 名 RADIX ANGELICAE SINENSIS 二、 规格 薄片 1-2mm 三、 生产工艺流程图及质控要点 3.1 生产工艺流程图 共 9 页 第 2 页 文件名称 当归炮制工艺规程 编号: 3.2 质控要点 工 序 质量 控制点 质量控制项目 频次 生产过程 中间产品 净制 拣选 除杂 杂质、异物、非药用部分、选净程度 每批 切制 高速截断式切药机 1-2m m 厚度 随时 干燥 三层网带式干燥机 温度、时间、装量 水分 每批 中转站 清洁卫生、温度、湿度 分区、分批、货位卡、标志 定时 饮用水 当归 净制 切片 洗润 干燥 入库 合格当归饮片 包 装 拣去杂质,去掉非药用部分 片厚 1-2mm 检验 检验 稍润 包材 水份应不超过10% 共 9 页 第 3 页 文件名称 当归炮制工艺规程 编号: 包 装 装袋 品种、数量 随时 贴签 牢固、位置准确,外壁清洁 随时 四、炮制方法: 当归 除去杂质,洗净,稍润,切薄片,低温干燥。 五、炮制生产操作过程及工艺技术参数 5.1 领料 按批生产指令制作领料单,按“领发料标准操作规程”到原药材库领取当归原料,领料员、药材库保管员根据领料单的数量领发料,及时填写出库记录和领料记录。 工艺要点: 核对品名、批号、数量、检验合格报告单,合格证、物料放行许可证、称量核对。 5.2 净选 按“净选岗位标准操作规程”将要挑拣的当归原药材置于挑选工作台上进行净选,除去非药用部分,并将药材按大小分档。 生产结束及时填写生产记录,经 QA 检查合格后与下一步工序交接。按本岗位“清场标准操作规程”进行清场操作,填写清场记录,并经 QA 检查签字。 工艺要点 ① 检查净选的中药材,并称量、记录; ② 净...

1、当您付费下载文档后,您只拥有了使用权限,并不意味着购买了版权,文档只能用于自身使用,不得用于其他商业用途(如 [转卖]进行直接盈利或[编辑后售卖]进行间接盈利)。
2、本站所有内容均由合作方或网友上传,本站不对文档的完整性、权威性及其观点立场正确性做任何保证或承诺!文档内容仅供研究参考,付费前请自行鉴别。
3、如文档内容存在违规,或者侵犯商业秘密、侵犯著作权等,请点击“违规举报”。

碎片内容

当归炮制工艺规程

确认删除?
VIP
微信客服
  • 扫码咨询
会员Q群
  • 会员专属群点击这里加入QQ群
客服邮箱
回到顶部