电脑桌面
添加小米粒文库到电脑桌面
安装后可以在桌面快捷访问

德国生物脱氮工艺中曝气池的设计计算

德国生物脱氮工艺中曝气池的设计计算_第1页
1/6
德国生物脱氮工艺中曝气池的设计计算_第2页
2/6
德国生物脱氮工艺中曝气池的设计计算_第3页
3/6
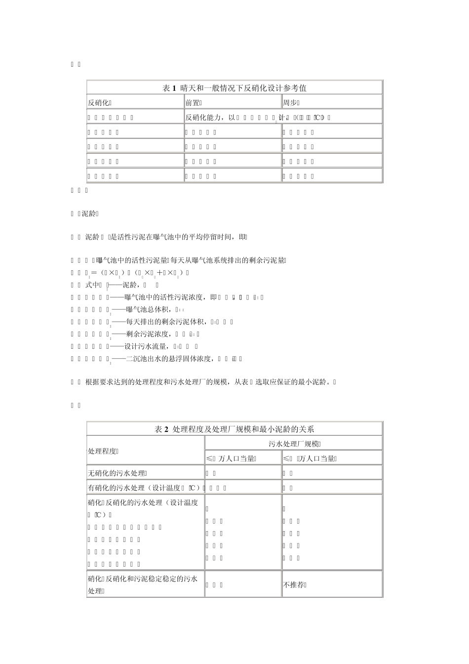
德国生物脱氮工艺中曝气池的设计计算 A131的应用条件: ① 进水的 COD/BOD5≈2,TKN/BOD5≤0.25; ② 出水达到废水规范 VwV的规定。 对于具有硝化和反硝化功能的污水处理过程,其反硝化部分的大小主要取决于: ① 希望达到的脱氮效果; ② 曝气池进水中硝酸盐氮 NO-3-N和 BOD5的比值; ③ 曝气池进水中易降解 BOD5占的比例; ④ 泥龄ts; ⑤ 曝气池中的悬浮固体浓度 X; ⑥ 污水温度。 图 1为前置反硝化系统流程。 1 计算 NDN/BOD5和 VDN/VT NDN表示需经反硝化去除的氮,它与进水的 BOD5之比决定了反硝化区体积 VDN占总体积 VT的大小。 由氮平衡计算 NDN/BOD5: NDN=TKNi-Noe-Nme-Ns 式中 TKNi——进水总凯氏氮,mg/L Noe——出水中有机氮,一般取 1~2mg/L Nme——出水中无机氮之和,包括氨氮、硝酸盐氮和亚硝酸盐氮,是排放控制值。按德国标准控制在18mg/L以下,则设计时取 0.67×18=12mg/L Ns——剩余污泥排出的氮,等于进水 BOD5的 0.05倍,mg/L 由此可计算 NDN/BOD5之值,然后从表 1查得 VDN/VT。 表1 晴天和一般情况下反硝化设计参考值 反硝化 前置 周步 VDN/VT 反硝化能力,以kgNDN/kgBOD5计,(t=10℃) 0.20 0.70 0.05 0.30 0.10 0.08 0.40 0.12 0.11 0.50 0.14 0.14 2 泥龄 泥龄ts是活性污泥在曝气池中的平均停留时间,即 ts=曝气池中的活性污泥量/每天从曝气池系统排出的剩余污泥量 tS=(X×VT)/(QS×XR+Q×XE) 式中 tS——泥龄,d X——曝气池中的活性污泥浓度,即MLSS,kg/m3 VT——曝气池总体积,m3 QS——每天排出的剩余污泥体积,m3/d XR——剩余污泥浓度,kg/m3 Q——设计污水流量,m3/d XE——二沉池出水的悬浮固体浓度,kg/m3 根据要求达到的处理程度和污水处理厂的规模,从表2选取应保证的最小泥龄。 表2 处理程度及处理厂规模和最小泥龄的关系 处理程度 污水处理厂规模 ≤2万人口当量 ≤10万人口当量 无硝化的污水处理 5 4 有硝化的污水处理(设计温度 10℃) 10 8 硝化/反硝化的污水处理(设计温度10℃) VDN/VT=0.2 =0.3 =0.4 =0.5 12 13 15 18 10 11 13 16 硝化/反硝化和污泥稳定稳定的污水处理 25 不推荐 注 12℃时达到稳定硝化需按10℃设计 3 剩余污泥量 污泥比产率 Y=YBOD5+YP 式中 Y——污泥产率,kg干固体/kgBOD5 YBOD5——剩余污泥产率,kg干固体/kgBOD5 YP——同步...

1、当您付费下载文档后,您只拥有了使用权限,并不意味着购买了版权,文档只能用于自身使用,不得用于其他商业用途(如 [转卖]进行直接盈利或[编辑后售卖]进行间接盈利)。
2、本站所有内容均由合作方或网友上传,本站不对文档的完整性、权威性及其观点立场正确性做任何保证或承诺!文档内容仅供研究参考,付费前请自行鉴别。
3、如文档内容存在违规,或者侵犯商业秘密、侵犯著作权等,请点击“违规举报”。

碎片内容

德国生物脱氮工艺中曝气池的设计计算

您可能关注的文档

确认删除?
VIP
微信客服
  • 扫码咨询
会员Q群
  • 会员专属群点击这里加入QQ群
客服邮箱
回到顶部