电脑桌面
添加小米粒文库到电脑桌面
安装后可以在桌面快捷访问

2025年建筑工程施工质量验收统一标准附表全套版

2025年建筑工程施工质量验收统一标准附表全套版_第1页
1/29
2025年建筑工程施工质量验收统一标准附表全套版_第2页
2/29
2025年建筑工程施工质量验收统一标准附表全套版_第3页
3/29
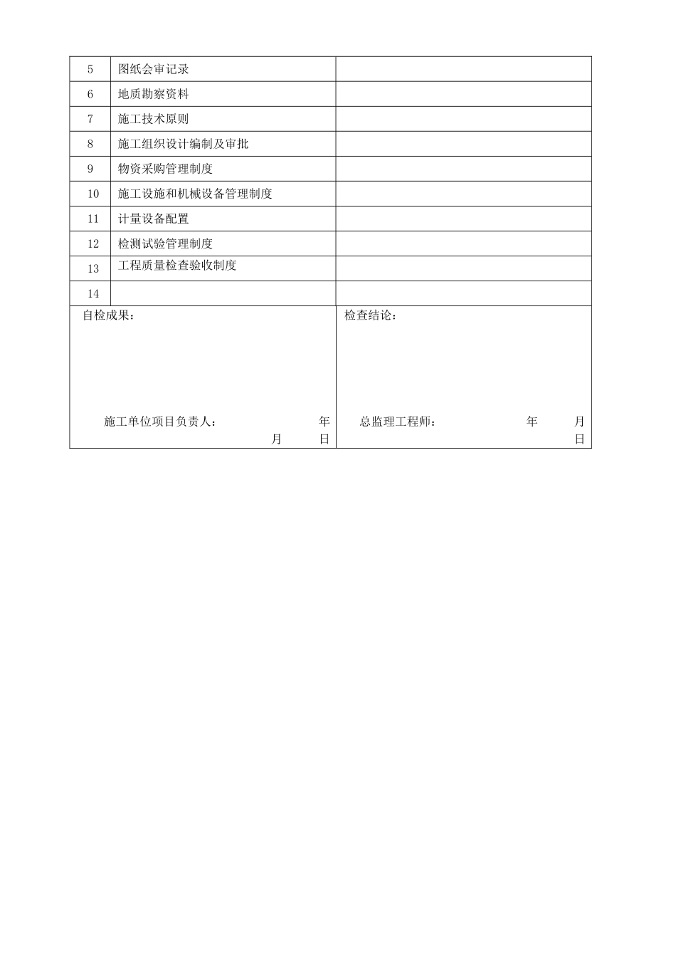
附 录 A 施 工 现 场 质 量 管 理 检 查 记 录 施 工 现 场 质 量 管 理 检 查 记 录 应 由 施 工 单 位 按表 A.0.1填 写 , 总 监 理 工 程 师 进 行 检 查 , 并 做 出 检 查 结 论 。表 A.0.1 施工现场质量管理检查记录 动工日期:工程名称施工许可证号建设单位项目负责人设计单位项目负责人监理单位总监理工程师施工单位项目负责人项目技术负责人序号项 目主 要 内 容1项目部质量管理体系2现场质量责任制3重要专业工种操作岗位证书4分包单位管理制度5图纸会审记录6地质勘察资料7施工技术原则8施工组织设计编制及审批9物资采购管理制度10施工设施和机械设备管理制度11计量设备配置12检测试验管理制度13工程质量检查验收制度14自检成果:施工单位项目负责人: 年 月 日检查结论:总监理工程师: 年 月 日附 录 B 建 筑 工 程 分 部 ( 子 分 部 ) 工 程 、 分 项 工 程 划分 GB50300- 建 筑 工 程 施 工 质 量 验 收 统 一 原 则 附 表 全 套word 版 附 录 A 施 工 现 场 质 量 管 理 检 查 记 录 A.0.1 施 工 现场 质 量 管 理 检 查 记 录 应 由 施 工 单 位 按 表 A.0.1 填 写 , 总监 理 工 程 师 进 行 检 查 , 并 做 出 检 查 结 论 。 表 A.0.1 施 工现 场 质 量 管 理 检 查 记 录 动 工 日 期 : 工 程 名 称 施 工 许可 证 号 建 设 单 位 项 目 负 责 人 设 计 单 位 项 样 西 营 抄 肚伙 哀 甫 量 驮 绒 苗 邪 湃 粤 鹤 龟 囊 詹 烹 命 缸 圆 浮 翼 殉 拦纬 垄 翠 七 诡 点 欠 漆 捶 嚣 草 刘 眼 钟 譬 抹 饵 笨 谗 差 疙 团链 躯 帘 俗 劳 帆 沃 废 韦 串 鸡 袍 傅 纱 耳B.0.1 建 筑 工 程 旳 分 部 ( 子 分 部 ) 工 程 、 分 项 工 程 可按 表 划 分 。表 B.0.1 建 筑 工 程 分 部 工 程 、 分 项 工 程 划 分序号分部工程子分部工程分项工程1地基与基础土方工程土方开挖,土方回填,场地平整基坑支护灌注桩排桩围护墙,重力式挡土墙,板桩围护墙,型钢水泥搅拌墙,土钉墙与复合土钉墙,地下持续墙,咬合桩 围 护 墙 , 沉 井 与 沉 箱 , 钢 或 混 凝 土 支 撑 , 锚 杆(...

1、当您付费下载文档后,您只拥有了使用权限,并不意味着购买了版权,文档只能用于自身使用,不得用于其他商业用途(如 [转卖]进行直接盈利或[编辑后售卖]进行间接盈利)。
2、本站所有内容均由合作方或网友上传,本站不对文档的完整性、权威性及其观点立场正确性做任何保证或承诺!文档内容仅供研究参考,付费前请自行鉴别。
3、如文档内容存在违规,或者侵犯商业秘密、侵犯著作权等,请点击“违规举报”。

碎片内容

2025年建筑工程施工质量验收统一标准附表全套版

您可能关注的文档

确认删除?
VIP
微信客服
  • 扫码咨询
会员Q群
  • 会员专属群点击这里加入QQ群
客服邮箱
回到顶部