电脑桌面
添加小米粒文库到电脑桌面
安装后可以在桌面快捷访问

仓库QAD操作手册

仓库QAD操作手册_第1页
1/29
仓库QAD操作手册_第2页
2/29
仓库QAD操作手册_第3页
3/29
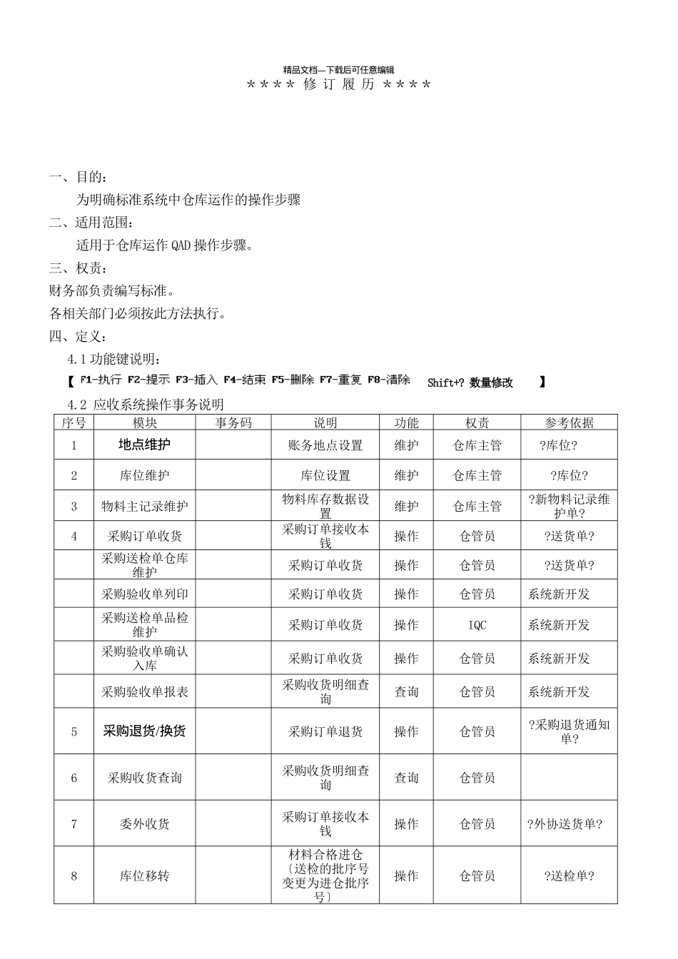
精品文档---下载后可任意编辑项 次內 容 页 次 1目录12修定履历23目的34适用范围35权责36定义37内容 3-48相关文件49使用表单410附件4批准审核拟制邱明霞版别修订日期变更頁次更改内容A-1新版发行精品文档---下载后可任意编辑**** 修 订 履 历 ****一、目的: 为明确标准系统中仓库运作的操作步骤二、适用范围:适用于仓库运作 QAD 操作步骤。三、权责:财务部负责编写标准。各相关部门必须按此方法执行。四、定义: 4.1 功能键说明:【 Shift+? 数量修改 】 4.2 应收系统操作事务说明序号模块事务码说明功能权责参考依据1地点维护账务地点设置维护仓库主管 ?库位?2库位维护库位设置维护仓库主管?库位?3物料主记录维护物料库存数据设置维护仓库主管?新物料记录维护单?4采购订单收货采购订单接收本钱操作仓管员?送货单? 采购送检单仓库维护采购订单收货操作仓管员?送货单? 采购验收单列印采购订单收货操作仓管员系统新开发采购送检单品检维护采购订单收货操作IQC系统新开发采购验收单确认入库采购订单收货操作仓管员系统新开发采购验收单报表采购收货明细查询查询仓管员系统新开发5采购退货/换货采购订单退货操作仓管员?采购退货通知单? 6采购收货查询采购收货明细查询查询仓管员 7委外收货采购订单接收本钱操作仓管员?外协送货单? 8库位移转材料合格进仓〔送检的批序号变更为进仓批序号〕操作 仓管员?送检单?精品文档---下载后可任意编辑调拨单维护及列印库存移转操作仓管员系统新开发调拨单移转确认库存移转操作仓管员系统新开发调拨单移转报表查询库存移转查询仓管员系统新开发9加工单组件发放工单发料操作仓管员?工单??领料单? 工单批量调拨线边仓列印工单物料调拨操作生管员系统新开发工单按流水号移转线边仓维护工单物料调拨操作仓管员系统新开发工单领料消耗批量发放工单发料操作仓管员系统新开发10库位移转多发的物料移转到线边仓操作仓管员?借条? 11加工单退料工单退料〔工单发负数〕操作仓管员 ?退料单?12加工单发料查询工单发料状况查询查询仓管员13加工单入库产成品合格入库操作仓管员 ?进仓单?工单入库维护产成品合格入库操作品管/生产系统新开发工单入库列印产成品合格入库操作品管/生产系统新开发工单入库报表产成品合格入库操作仓管员系统新开发14加工单入库查询工单入库明细查询查询仓管员 15销售订单发放销售出库操作仓管员?发货通知单? 16销售订单退货销售出库负数操作仓管员 ?退货检...

1、当您付费下载文档后,您只拥有了使用权限,并不意味着购买了版权,文档只能用于自身使用,不得用于其他商业用途(如 [转卖]进行直接盈利或[编辑后售卖]进行间接盈利)。
2、本站所有内容均由合作方或网友上传,本站不对文档的完整性、权威性及其观点立场正确性做任何保证或承诺!文档内容仅供研究参考,付费前请自行鉴别。
3、如文档内容存在违规,或者侵犯商业秘密、侵犯著作权等,请点击“违规举报”。

碎片内容

仓库QAD操作手册

您可能关注的文档

确认删除?
VIP
微信客服
  • 扫码咨询
会员Q群
  • 会员专属群点击这里加入QQ群
客服邮箱
回到顶部