电脑桌面
添加小米粒文库到电脑桌面
安装后可以在桌面快捷访问

倒顺开关控制单相电机接线图

倒顺开关控制单相电机接线图_第1页
1/10
倒顺开关控制单相电机接线图_第2页
2/10
倒顺开关控制单相电机接线图_第3页
3/10
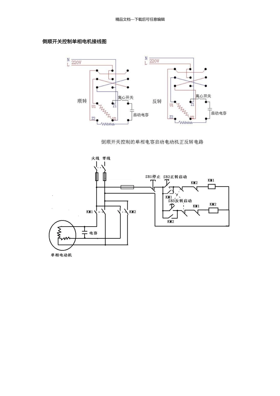
精品文档---下载后可任意编辑倒顺开关控制单相电机接线图精品文档---下载后可任意编辑常用倒顺开关有 15A 就可以,大一点更好.接线图不画了.面对接线柱,倒顺开关手把向上,电机轴头向上,倒顺开关上左二根接电机上左二根[注意上下]倒顺开关上右二根接电机上右二根.精品文档---下载后可任意编辑倒顺开关上中接电源一根,电源另一根接倒顺开关下中,用一段线把倒顺开关中中与倒顺开关下左或右相连.即可开机 倒顺开关 L1 和 L2 相连,进一电源。L3 进一电源,另在 L3 上出一根线线接单项电机 V1.倒顺开关 T1 接电机接电机 U1。T3 接电机 U2. 1/L1 接电源端(任选一根)1/L1 与 3/L2 也相连 5/L3 接电源端(也就是另一根) 5/L3 经过电机的主绕组 与 2/T1 相连 4/T2 经过电机的副绕组与 6/T3 相连精品文档---下载后可任意编辑德力西 HY2-30 三相倒顺开关精品文档---下载后可任意编辑精品文档---下载后可任意编辑精品文档---下载后可任意编辑如何实现单相异步电动机的正反转精品文档---下载后可任意编辑单相异步电动机,如图所示.它有主绕组 A1-A2,副绕组 B1-B2+电容 C 组成.分布特点:在空空间互差90°设流过主绕组的电流为I a,流过副绕组的电流为I b。一般情况下,工作绕组的匝数多,电感大,是感性负载,那么I a 在相位上滞后电源电压.起动绕组中串有电容,适当选取电容值,就可以使起动绕组为容性负载,那么I b 在相位是超前电源电压.只要我们选择合适的电容,就可以使I b 超过I a90就可以使I b 超过I a 90°如图所示,因为 ib 比 ia 超前 90°,这样在定子里就产生了旋转磁场.其旋转磁场为顺时针方向.那么我们要实现反转,只要让 ib 滞后于 ia 90°(或者换句话说,让 ia 超前ib 90°).要实现这个很简单,只要 ib 翻转 180°(或者 ia 翻转 180°)就能实现了.那么如何实现 ib 翻转 180°(或者 ia 翻转 180°)呢我们从它的接线图上可以看出,实际上主绕组同副绕组是接在同一个电源上的,也就是说他们的电压是同相位的.那要是我们把主绕组的 L 接 A1 N 接 A2 换一下,改成 L接 A2 N 接 A1 ,副绕组不变,维持 L 接 B1 N 接 B2.那么主绕组的电压和副绕组的电压就有 180°的相位差,也就是说主绕组的电流也翻转了180°.这时我们就实现了 ib 滞后于 ia 90°(或者换句话说,让 ia 超前 ib 90°).旋转磁场的方向为逆时针.实现了反转.备注:实际应用中单相...

1、当您付费下载文档后,您只拥有了使用权限,并不意味着购买了版权,文档只能用于自身使用,不得用于其他商业用途(如 [转卖]进行直接盈利或[编辑后售卖]进行间接盈利)。
2、本站所有内容均由合作方或网友上传,本站不对文档的完整性、权威性及其观点立场正确性做任何保证或承诺!文档内容仅供研究参考,付费前请自行鉴别。
3、如文档内容存在违规,或者侵犯商业秘密、侵犯著作权等,请点击“违规举报”。

碎片内容

倒顺开关控制单相电机接线图

您可能关注的文档

人从众+ 关注
实名认证
内容提供者

欢迎光临小店,本店以公文和教育为主,希望符合您的需求。

确认删除?
VIP
微信客服
  • 扫码咨询
会员Q群
  • 会员专属群点击这里加入QQ群
客服邮箱
回到顶部