电脑桌面
添加小米粒文库到电脑桌面
安装后可以在桌面快捷访问

感应炉炼钢配料的计算

感应炉炼钢配料的计算_第1页
1/6
感应炉炼钢配料的计算_第2页
2/6
感应炉炼钢配料的计算_第3页
3/6
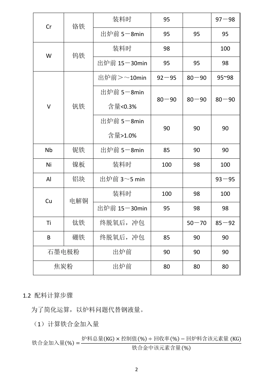
1 感应电炉炼钢配料的计算 感 应 电 炉 炼 钢 , 多 半 采 用 不 氧 化 法 熔 炼 , 配 料 计 算 多 参 照 电 弧 炉 不 氧 化 法 配料 计 算 方 法 进 行 。 经 过 探 索 , 对 感 应 电 炉 炼 钢 配 料 和 调 正 计 算 进 行 总 结 , 应 用 于生 产 , 取 得 一 定 效 果 。 1 配 料 计 算 1.1 配 料 注 意 事 项 ( 1) 根 据 铸 钢 牌 号 和 性 能 要 求 , 确 定 合 理 的 控 制 值 。 ( 2) 根 据 炉 料 质 量 和 炉 子 实 际 情 况 , 合 理 的 确 定 回 收 率 。 通 常 各 元 素 的 回 收 率见 表 1。 ( 3) 主 要 金 属 炉 料 化 学 成 分 必 须 明 确 , 回 炉 料 只 知 道 牌 号 时 , 各 元 素 均 按 照 中上 限 计 算 。 ( 4) 含 C 量 按 中 限 配 入 , 炉 料 中 的 C 不 计 烧 损 。 ( 5) 硫 磷 含 量 控 制 : 碱 性 炉 熔 炼 , S、 P 含 量 不 大 于 标 准 规 定 值 ; 酸 性 炉 熔 炼 ,S、 P 含 量 应 比 标 准 规 定 值 低 0.005%~ 0.010%。 表 1 中 频 炉 炼 钢 元 素 回 收 率 元 素 符 号 铁 合 金 名 称 加 入 时 间 回 收 率 ( %) 酸 性 炉 中 性 炉 碱 性 炉 C 碳块 装料 时 80 80 80 Mn 锰铁 装料 时 60-70 80⌒90 出炉 前 5-8min 90 85 95 Si 硅铁 装料 时 90-100 60-70 出炉 前 5-8min 100 90 95 Mo 钼铁 装料 时 98 100 出炉 前 15-30min 95 95 98 2 Cr 铬铁 装料时 95 97-98 出炉前5-8min 95 95 95 W 钨铁 装料时 98 100 出炉前15-30min 95 95 98 V 钒铁 出炉前>~10min 92-95 80-90 95~98 出炉前5-8min 含量<0.3% 80-90 80-90 80-90 出炉前5-8min 含量>1.0% 90 90 90 Nb 铌铁 出炉前5-8min 85 90 90 Ni 镍板 装料时 100 98 100 Al 铝块 出炉前3~5 min 93-95 Cu 电解铜 装料时 100 98 100 出炉前15-30min 95 98 98 Ti 钛铁 终脱氧后,冲包 50-70 85-92 B 硼铁 终脱氧后,冲包 85 90 90 石墨电极粉 出炉前 90 90 90 焦炭粉 出炉前 8...

1、当您付费下载文档后,您只拥有了使用权限,并不意味着购买了版权,文档只能用于自身使用,不得用于其他商业用途(如 [转卖]进行直接盈利或[编辑后售卖]进行间接盈利)。
2、本站所有内容均由合作方或网友上传,本站不对文档的完整性、权威性及其观点立场正确性做任何保证或承诺!文档内容仅供研究参考,付费前请自行鉴别。
3、如文档内容存在违规,或者侵犯商业秘密、侵犯著作权等,请点击“违规举报”。

碎片内容

感应炉炼钢配料的计算

小辰3+ 关注
实名认证
内容提供者

出售各种资料和文档

确认删除?
VIP
微信客服
  • 扫码咨询
会员Q群
  • 会员专属群点击这里加入QQ群
客服邮箱
回到顶部