电脑桌面
添加小米粒文库到电脑桌面
安装后可以在桌面快捷访问

成对比较判断矩阵赋值表

成对比较判断矩阵赋值表_第1页
1/13
成对比较判断矩阵赋值表_第2页
2/13
成对比较判断矩阵赋值表_第3页
3/13
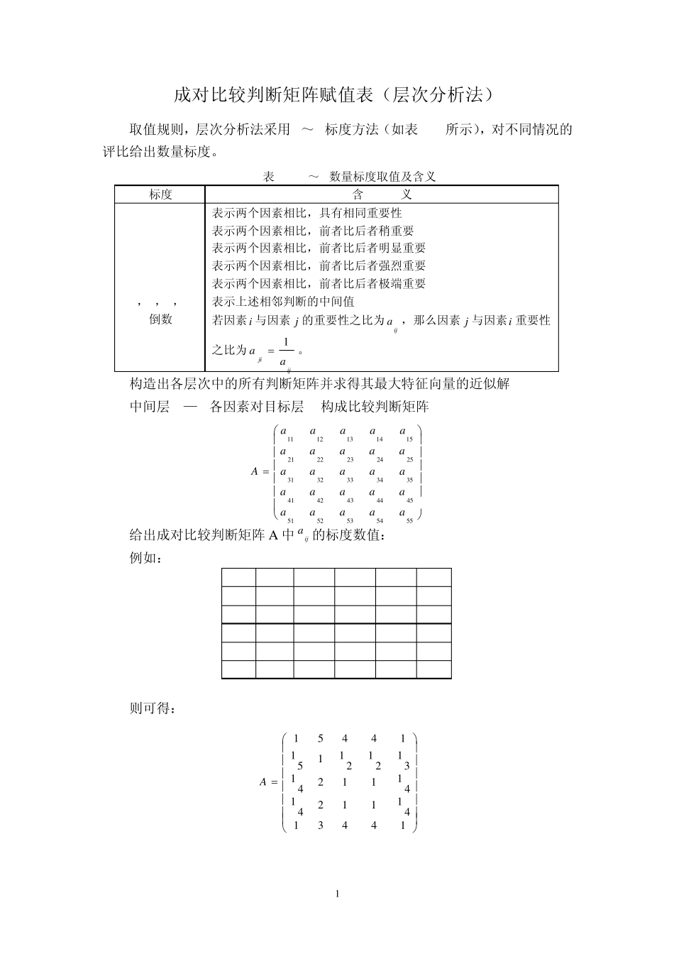
1 成对比较判断矩阵赋值表(层次分析法) 取值规则,层次分析法采用1~9标度方法(如表3-2所示),对不同情况的评比给出数量标度。 表3-2 1~9数量标度取值及含义 标度 含 义 1 3 5 7 9 2,4,6,8 倒数 表示两个因素相比,具有相同重要性 表示两个因素相比,前者比后者稍重要 表示两个因素相比,前者比后者明显重要 表示两个因素相比,前者比后者强烈重要 表示两个因素相比,前者比后者极端重要 表示上述相邻判断的中间值 若因素i与因素j的重要性之比为ija ,那么因素j与因素i重要性之比为ijjiaa1。 构造出各层次中的所有判断矩阵并求得其最大特征向量的近似解 中间层A1—A5各因素对目标层Z构成比较判断矩阵 55545352514544434241353433323125242322211514131211aaaaaaaaaaaaaaaaaaaaaaaaaA 给出成对比较判断矩阵A 中ija 的标度数值: 例如: Z A1 A2 A3 A4 A5 A1 1 5 4 4 1 A2 1/5 1 1/2 1/2 1/3 A3 1/4 2 1 1 1/4 A4 1/4 2 1 1 1/4 A5 1 3 4 4 1 则可得: 144314111241411124131212115114451A 2 第一层次: 序号 项目 A1 结构 A2 机构 A3 电气系统 A4 安全附属装置 A5 基础、配重 Z A1 A2 A3 A4 A5 A1 1 3 5 4 1 A2 1/3 1 3 2 1 A3 1/5 1/3 1 4 3 A4 1/4 1/2 1/4 1 1 A5 1 1 1/3 1 1 第二层次: A 1:结构: 序号 项目 A11 起重臂 A12 回转台 A13 底座或底架 A14 人字架 A1 A11 A12 A13 A14 A11 1 5 3 3 A12 1/5 1 3 3 A13 1/3 1/3 1 3 A14 1/3 1/5 1/3 1 A 2:机构 序号 项目 A21 起升机构 A22 变幅机构 A23 回转机构 A2 A21 A22 A23 A21 1 3 5 A22 1/3 1 1 A23 1/5 1 1 A 3:电气系统 序号 项目 A31 动力回路 A32 控制回路 A33 接地系统 A3 A31 A32 A33 A31 1 1 5 A32 1 1 3 A33 1/5 1/3 1 A 4:安全附属装置 序号 项目 A41 起重力矩限制器(起重量限制器) A42 起升高度限制器 A43 变幅角度限制器 A44 防后倾装置 A45 回转限制装置 A46 防护装置 A47 其它防护装置(抓斗稳定器) A4 A41 A42 A43 A44 A45 A46 A47 A41 1 3 5 3 5 9 9 A42 1/3 1 2 4 3 5 5 A43 1/5 1/2 1 6 1 3 3 A44 1/3...

1、当您付费下载文档后,您只拥有了使用权限,并不意味着购买了版权,文档只能用于自身使用,不得用于其他商业用途(如 [转卖]进行直接盈利或[编辑后售卖]进行间接盈利)。
2、本站所有内容均由合作方或网友上传,本站不对文档的完整性、权威性及其观点立场正确性做任何保证或承诺!文档内容仅供研究参考,付费前请自行鉴别。
3、如文档内容存在违规,或者侵犯商业秘密、侵犯著作权等,请点击“违规举报”。

碎片内容

成对比较判断矩阵赋值表

确认删除?
VIP
微信客服
  • 扫码咨询
会员Q群
  • 会员专属群点击这里加入QQ群
客服邮箱
回到顶部