电脑桌面
添加小米粒文库到电脑桌面
安装后可以在桌面快捷访问

成都市优质结构工程检查打分表

成都市优质结构工程检查打分表_第1页
1/7
成都市优质结构工程检查打分表_第2页
2/7
成都市优质结构工程检查打分表_第3页
3/7
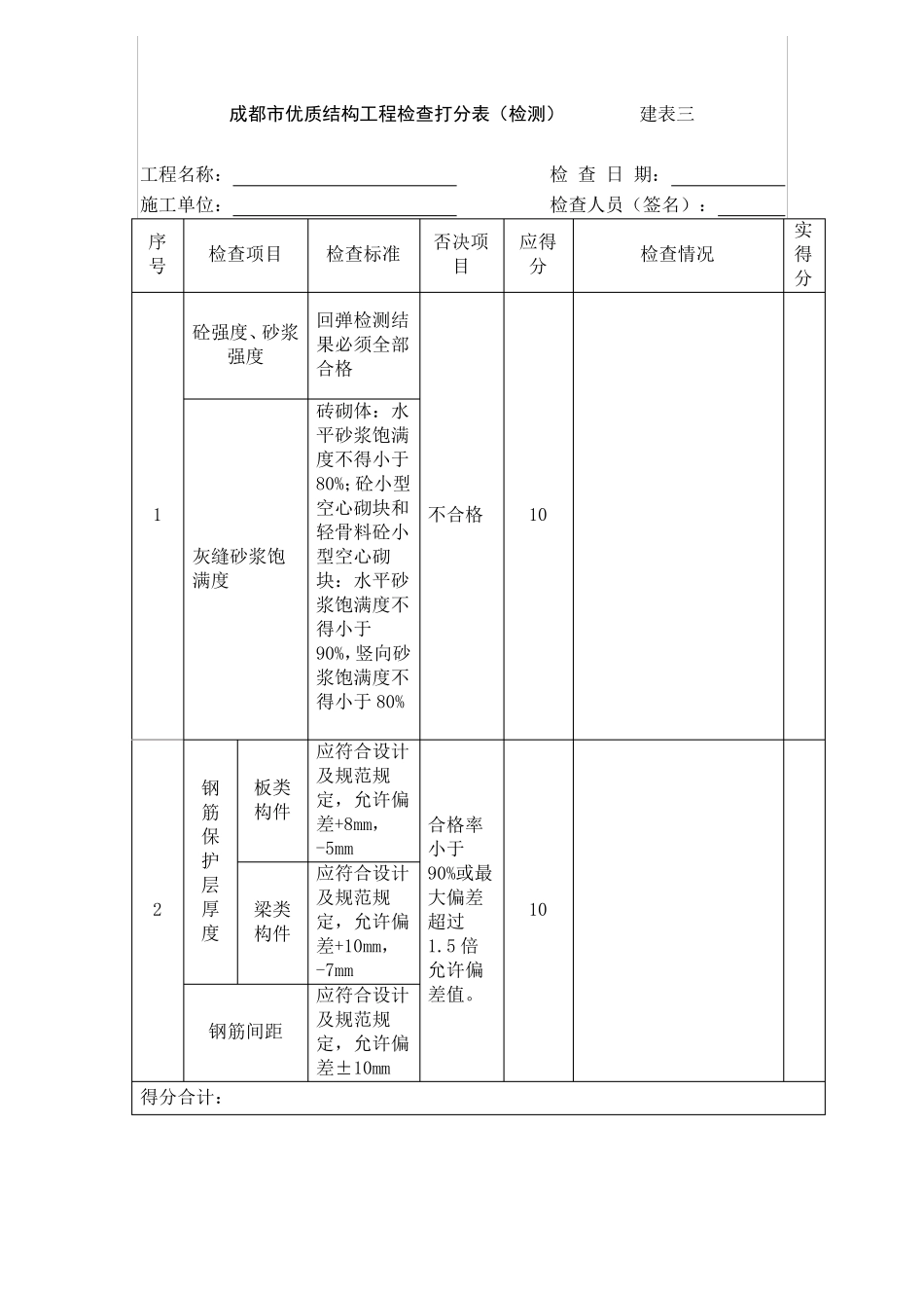
成都市优质结构工程- 检查打分表(现场质保条件) 建表一 工程名称: 检 查 日 期: 施工单位: 检查人员(签名): 序号 检查项目 扣分项目 扣分范围 应得分 检查结果 实得分 1 设备、测量仪器、计量器具管理 水准仪、经纬仪、磅秤、30m和50m 卷尺等 检定周期不准时。 0.2 1.0 检定证书不齐全。 0.2 实物与证书不相符。 0.2 不能满足使用功能和精度要求。 0.2 未做到专人使用、专人保管。 0.2 2 施工现场标准养护室设置和管理 养护室最小面积小于5m2,无保温隔热措施。 0.1 1.0 室内未配置恒温装置,室内温度控制不在20±3℃范围。 0.1 有条件的大型工程未配置喷淋装置,室内湿度小于90%,一般中小型工程未砌水池养护,未设体积相仿的另一预养水池(或水桶)作为置换水用。 0.2 标准养护室室内未设立水泥混合砂浆试块立柜,立柜内海绵等保湿材料漏放,控制湿度未达到为60-80%。 0.2 标准养护室未配置温度计、湿度计,温湿度无专人每天记录二次(上、下午各一次),无标准养护室的管理制度或未严格执行 。 0.2 砂浆、混凝 土 试块按 规 范标准制作,试块制作后 未在终 凝 前 用铁 钉 刻 上制作日期、工程部 位、设计强 度等。 0.2 3 建材进 场验 收情 况 水泥、钢 筋 、砂石 料、砌体、构 配件等 未建立材料进 场及复 试台 帐 。 0.5 3.0 使用前 未进 行 抽 样复 试或无验 收 记录、填 写 不清 。 1.0 材料汇 总 表所 反 映的数 量不能满足工程要求或签字 不全。 1.0 抽 样 复 试不合格的材料无书面处 理记录。 0.5 得分合计 成都市优质结构工程检查打分表(实测) 建表二 工程名称: 检 查 日 期: 施工单位: 检查人员(签名): 序号 项目内容 检查标准 否决条件 应得分 检查情况 实得分 1 砼结构 柱墙每层垂直度 允许偏差8mm 合格率<90%或最大超差超过1.5 倍允许偏差值 20 检查点数: 合格点数: 实测合格率: 轴线位置 允许偏差8mm 层高 允许偏差±10mm 表面平整度 允许偏差8mm 截面尺寸 允许偏差+8、-5mm 砼现浇板厚度 允许偏差: +8mm,-5mm 2 砌体结构 每层垂直度 允许偏差5mm 合格率<100% 10 轴线位置偏移 允许偏差10mm 层高 允许偏差±15mm 合格率<90%或最大偏差超过1.5 倍允许偏差值 10 检查点数: 合格点数: 实测合格率: 混水墙表面平整度 允许偏差5mm 水平灰缝...

1、当您付费下载文档后,您只拥有了使用权限,并不意味着购买了版权,文档只能用于自身使用,不得用于其他商业用途(如 [转卖]进行直接盈利或[编辑后售卖]进行间接盈利)。
2、本站所有内容均由合作方或网友上传,本站不对文档的完整性、权威性及其观点立场正确性做任何保证或承诺!文档内容仅供研究参考,付费前请自行鉴别。
3、如文档内容存在违规,或者侵犯商业秘密、侵犯著作权等,请点击“违规举报”。

碎片内容

成都市优质结构工程检查打分表

确认删除?
VIP
微信客服
  • 扫码咨询
会员Q群
  • 会员专属群点击这里加入QQ群
客服邮箱
回到顶部