电脑桌面
添加小米粒文库到电脑桌面
安装后可以在桌面快捷访问

手机万能充电器电路图

手机万能充电器电路图_第1页
1/6
手机万能充电器电路图_第2页
2/6
手机万能充电器电路图_第3页
3/6
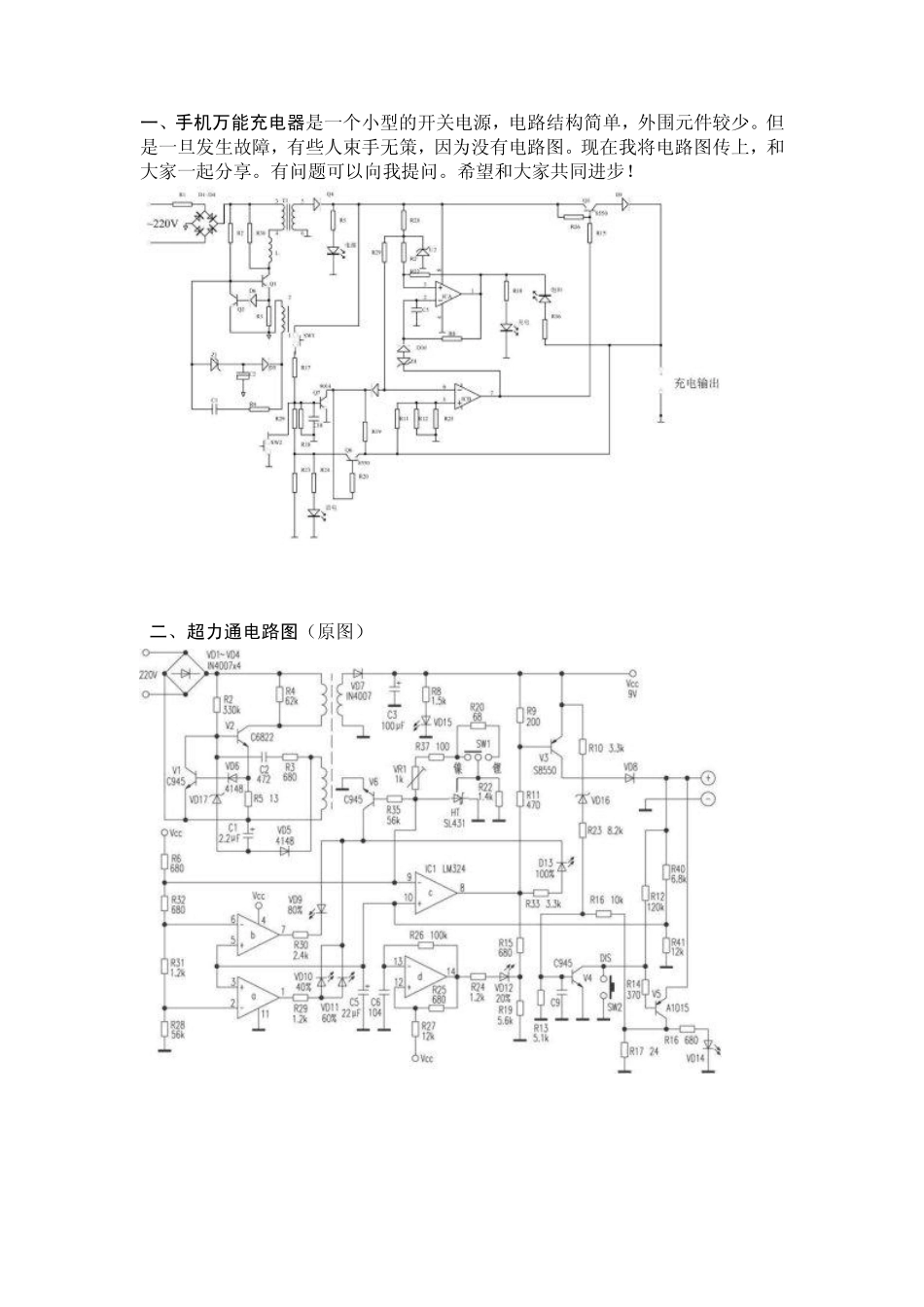
一、手机万能充电器是一个小型的开关电源,电路结构简单,外围元件较少。但是一旦发生故障,有些人束手无策,因为没有电路图。现在我将电路图传上,和大家一起分享。有问题可以向我提问。希望和大家共同进步! 二、超力通电路图(原图) 三、我修改过的图纸(我认为原图可能有错误) 四、超力通电路原理 该充电器具有镍镉、镍氢、锂离子电池充电转换开关,并具有放电功能。在150~250V、40mA的交流市电输入时,可输出300±50mA的直流电流。 该充电器采用了 RCC型开关电源,即振荡抑制型变换器,它与 PWM型开关电源有一定的区别。PWM型开关电源由独立的取样误差放大器和直流放大器组成脉宽调制系统;而 RCC型开关电源只是由稳压器组成电平开关,控制过程为振荡状态和抑制状态。由于 PWM型开关电源中的开关管总是周期性的通断,系统控制只是改变每个周期的脉冲宽度,而 RCC型开关电源的控制过程并非线性连续变化,它只有两个状态:当开关电源输出电压超过额定值时,脉冲控制器输出低电平,开关管截止;当开关电源输出电压低于额定值时,脉冲控制器输出高电平,开关管导通。当负载电流减小时,滤波电容放电时间延长,输出电压不会很快降低,开关管处于截止状态,直到输出电压降低到额定值以下,开关管才会再次导通。开关管的截止时间取决于负载电流的大小。开关管的导通/截止由电平开关从输出电压取样进行控制。因此这种电源也称非周期性开关电源。 220V市电经 VD1~VD4桥式整流后在V2的集电极上形成一个 300V左右的直流电压。由 V2和开关变压器组成间歇振荡器。开机后,300V直流电压经过变压器初级加到 V2的集电极,同时该电压还经启动电阻 R2为V2的基极提供一个偏置电压。由于正反馈作用,V2 Ic 迅速上升而饱和,在V2进入截止期间,开关变压器次级绕组产生的感应电压使VD7导通,向负载输出一个9V左右的直流电压。开关变压器的反馈绕组产生的感应脉冲经VD5整流、C1滤波后产生一个与振荡脉冲个数呈正比的直流电压。此电压若超过稳压管VD17的稳压值,VD17便导通,此负极性整流电压便加在V2的基极,使其迅速截止。V2的截止时间与其输出电压呈反比。VD17的导通/截止直接受电网电压和负载的影响。电网电压越低或负载电流越大,VD17的导通时间越短,V2的导通时间越长,反之,电网电压越高或负载电流越小,VD5的整流电压越高,VD17的导通时间越长,V2的导通时间越短。V1是过流...

1、当您付费下载文档后,您只拥有了使用权限,并不意味着购买了版权,文档只能用于自身使用,不得用于其他商业用途(如 [转卖]进行直接盈利或[编辑后售卖]进行间接盈利)。
2、本站所有内容均由合作方或网友上传,本站不对文档的完整性、权威性及其观点立场正确性做任何保证或承诺!文档内容仅供研究参考,付费前请自行鉴别。
3、如文档内容存在违规,或者侵犯商业秘密、侵犯著作权等,请点击“违规举报”。

碎片内容

手机万能充电器电路图

您可能关注的文档

确认删除?
VIP
微信客服
  • 扫码咨询
会员Q群
  • 会员专属群点击这里加入QQ群
客服邮箱
回到顶部