电脑桌面
添加小米粒文库到电脑桌面
安装后可以在桌面快捷访问

手机涂装不良及对策

手机涂装不良及对策_第1页
1/8
手机涂装不良及对策_第2页
2/8
手机涂装不良及对策_第3页
3/8
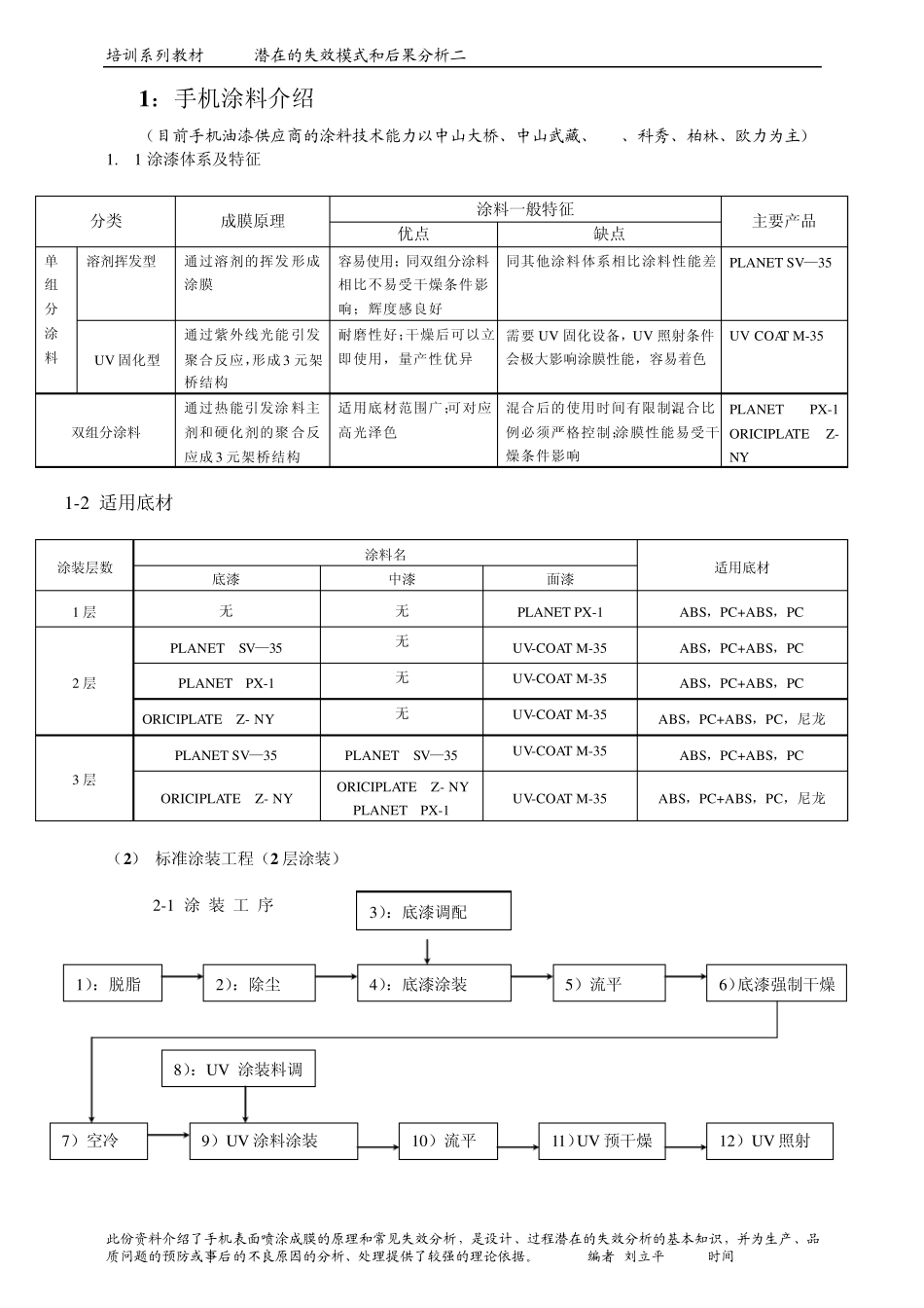
培训系列教材 ---- 潜在的失效模式和后果分析二 此份资料介绍了手机表面喷涂成膜的原理和常见失效分析,是设计、过程潜在的失效分析的基本知识,并为生产、品质问题的预防或事后的不良原因的分析、处理提供了较强的理论依据。 编者:刘立平 时间:Oct,15,2003 手机外壳产品涂装原理及不良分析 培训教材 编写: 刘立平 批准:Dav id Lu k 日期: Oct,15,2003 纲要 1:手机涂料介绍 2:标准涂装工艺 3:涂装工艺的问题点 4:选用涂料的涂装注意事项 5:涂料的品质管理 6:涂膜性能指标 7:喷涂产品典型的不良原因及效果分析 培训系列教材 ---- 潜在的失效模式和后果分析二 此份资料介绍了手机表面喷涂成膜的原理和常见失效分析,是设计、过程潜在的失效分析的基本知识,并为生产、品质问题的预防或事后的不良原因的分析、处理提供了较强的理论依据。 编者:刘立平 时间:Oct,15,2003 1 :手机涂料介绍 (目前手机油漆供应商的涂料技术能力以中山大桥、中山武藏、DIC、科秀、柏林、欧力为主) 1. 1 涂漆体系及特征 分类 成膜原理 涂料一般特征 主要产品 优点 缺点 单组分涂料 溶剂挥发型 通过溶剂的挥发形成涂膜 容易使用;同双组分涂料相比不易受干燥条件影响;辉度感良好 同其他涂料体系相比涂料性能差 PLANET SV—35 UV 固化型 通过紫外线光能引发聚合反应,形成3 元架桥结构 耐磨性好;干燥后可以立即使用,量产性优异 需要UV 固化设备,UV 照射条件会极大影响涂膜性能,容易着色 UV COAT M-35 双组分涂料 通过热能引发涂料主剂和硬化剂的聚 合反应成3 元架桥结构 适用底材范围广;可对应高光泽色 混合后的使用时间有限制,混合比例必须严格控制;涂膜性能易受干燥条件影响 PLANET PX-1 ORICIPLATE Z- NY 1-2 适用底材 涂装层数 涂料名 适用底材 底漆 中漆 面漆 1 层 无 无 PLANET PX-1 ABS,PC+ABS,PC 2 层 PLANET SV—35 无 UV-COAT M-35 ABS,PC+ABS,PC PLANET PX-1 无 UV-COAT M-35 ABS,PC+ABS,PC ORICIPLATE Z- NY 无 UV-COAT M-35 ABS,PC+ABS,PC,尼龙 3 层 PLANET SV—35 PLANET SV—35 UV-COAT M-35 ABS,PC+ABS,PC ORICIPLATE Z- NY ORICIPLATE Z- NY PLANET PX-1 UV-COAT M-35 ABS,PC+ABS,PC,尼龙 (2 ) 标准涂装工程(2 层涂装) 2-1 涂 装 工 序 1):脱脂 2):除尘 4):底漆涂装...

1、当您付费下载文档后,您只拥有了使用权限,并不意味着购买了版权,文档只能用于自身使用,不得用于其他商业用途(如 [转卖]进行直接盈利或[编辑后售卖]进行间接盈利)。
2、本站所有内容均由合作方或网友上传,本站不对文档的完整性、权威性及其观点立场正确性做任何保证或承诺!文档内容仅供研究参考,付费前请自行鉴别。
3、如文档内容存在违规,或者侵犯商业秘密、侵犯著作权等,请点击“违规举报”。

碎片内容

手机涂装不良及对策

确认删除?
VIP
微信客服
  • 扫码咨询
会员Q群
  • 会员专属群点击这里加入QQ群
客服邮箱
回到顶部