电脑桌面
添加小米粒文库到电脑桌面
安装后可以在桌面快捷访问

2025年安全验收记录表全套

2025年安全验收记录表全套_第1页
1/31
2025年安全验收记录表全套_第2页
2/31
2025年安全验收记录表全套_第3页
3/31
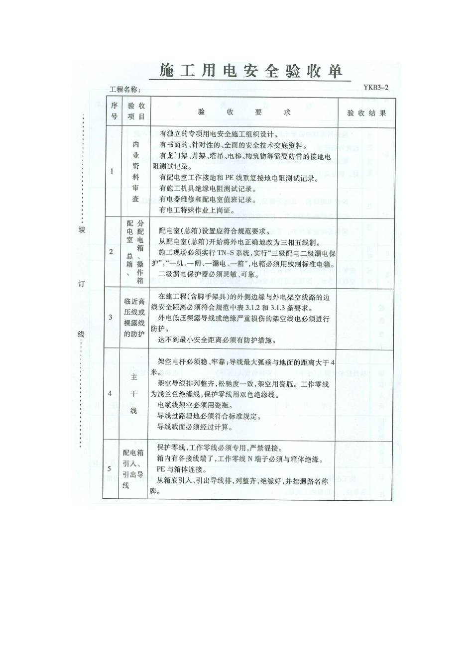
序号验收项目验收规定验收成果6照明潮湿地方照明,采用 3 6伏低压电源。宿舍、办公室照明导线排列整洁,用瓷瓶或瓷夹固定。电器元件完好,接头牢,绝缘好,安装高度符合规定。宿舍,尤其是施工用照明必须安装漏电保护装置。碘钨灯架设高度不小于3米,架设稳、牢、采用三芯软电缆,金属外壳保护接零.7保险丝保险丝必须根据设备容量计算选用。严禁用铝、铁、非专用保险铜芯线作保险验收意见项目经理(签字) 年 月 日电 器 技 术 人 员 ( 签字)年 月 日安装与维修负责人(签字) 年 月 日临 时 用 电 项 目 点 长 ( 签字)参 与 验 收 人 员 ( 签字)验收挂牌编号:年 月 日 年 月 日

1、当您付费下载文档后,您只拥有了使用权限,并不意味着购买了版权,文档只能用于自身使用,不得用于其他商业用途(如 [转卖]进行直接盈利或[编辑后售卖]进行间接盈利)。
2、本站所有内容均由合作方或网友上传,本站不对文档的完整性、权威性及其观点立场正确性做任何保证或承诺!文档内容仅供研究参考,付费前请自行鉴别。
3、如文档内容存在违规,或者侵犯商业秘密、侵犯著作权等,请点击“违规举报”。

碎片内容

2025年安全验收记录表全套

您可能关注的文档

确认删除?
VIP
微信客服
  • 扫码咨询
会员Q群
  • 会员专属群点击这里加入QQ群
客服邮箱
回到顶部