电脑桌面
添加小米粒文库到电脑桌面
安装后可以在桌面快捷访问

制水工艺规程

制水工艺规程_第1页
1/12
制水工艺规程_第2页
2/12
制水工艺规程_第3页
3/12
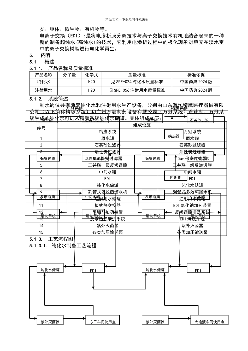
制水工艺MPI-012(01)起草人审核人审核人批准人部门设备主管QA保障部部长质量副总姓名签名日期分发部门:质量部(QA、QC),保障部(制水岗位)。1. 目的建立纯化水、注射用水生产工艺规程,使产品生产工艺标准化,确保生产有依据,质量有保证。2. 范围纯化水、注射用水生产工艺。3. 职责保障部部长、质量部部长、QA、QC。4. 定义纯化水:为饮用水经蒸馏法、离子交换法、反渗透法或其他适宜的方法制得的供药用的水,不含任何添加剂。注射用水:指去离子水经蒸馏所得的水。纯蒸汽:指由去离子水经蒸馏产生的蒸汽。反渗透膜:由高分子材料制成的人工半透膜,在高于溶液渗透压的作用下,依据其他物质不能透过半透膜而将这些物质和水分离开来,能够有效地去除水中的溶解盐精品文档---下载后可任意编辑类、胶体、微生物、有机物等。电离子交换(EDI):是将电渗析膜分离技术与离子交换技术有机地结合起来的一种新的制备超纯水(高纯水)的技术,它利用电渗析过程中的极化现象对填充在淡水室中的离子交换树脂进行电化学再生。5. 内容5.1.概述5.1.1.产品名称及质量标准产品名称分子量化学式质量标准标准依据纯化水H2O见 SPE-024 纯化水质量标准中国药典 2024 版注射用水H2O见 SPE-056 注射用水质量标准中国药典 2024 版5.1.2.系统简述制水岗位共有两套纯化水和注射用水生产设备,分别由山东潍坊精鹰医疗器械有限公司(以下简称精鹰系统)和广州万冠制药设备有限公司(万冠系统)设计制,万冠系统生成的纯化水可进入精鹰系统纯化水储罐。具体组成如下:序号组成设施精鹰系统万冠系统1原水罐原水罐2石英砂过滤器石英砂过滤器3活性炭过滤器活性炭过滤器45um 保安过滤器5um 保安过滤器5三并联一级反渗透膜三并联一级反渗透膜6中间水罐中间水罐7EDIEDI8纯化水储罐纯化水储罐9列管式多效蒸馏水机列管式多效蒸馏水机10注射用水储罐注射用水储罐11板式热交换器EDI 氯化钠加药装置12阻垢剂加药装置反渗透膜清洗系统13反渗透膜清洗系统EDI 清洗系统14紫外灭菌器紫外灭菌器15各类加压输送泵各类加压输送泵5.1.3.工艺流程图5.1.3.1. 纯化水制备工艺流程精鹰系统原水罐石英砂过滤换热器活性炭过滤保安过滤反渗透膜中间水罐EDI清洗系统纯化水储罐紫外灭菌器大输液车间使用点阻垢剂清洗系统万冠系统原水罐石英砂过滤活性炭过滤保安过滤反渗透膜中间水罐EDI清洗系统纯化水储罐紫外灭菌器冻干车间使用点清洗系统精品文档---下载后可任意编辑5.1.3.2. 注射...

1、当您付费下载文档后,您只拥有了使用权限,并不意味着购买了版权,文档只能用于自身使用,不得用于其他商业用途(如 [转卖]进行直接盈利或[编辑后售卖]进行间接盈利)。
2、本站所有内容均由合作方或网友上传,本站不对文档的完整性、权威性及其观点立场正确性做任何保证或承诺!文档内容仅供研究参考,付费前请自行鉴别。
3、如文档内容存在违规,或者侵犯商业秘密、侵犯著作权等,请点击“违规举报”。

碎片内容

制水工艺规程

确认删除?
VIP
微信客服
  • 扫码咨询
会员Q群
  • 会员专属群点击这里加入QQ群
客服邮箱
回到顶部