电脑桌面
添加小米粒文库到电脑桌面
安装后可以在桌面快捷访问

2025年方案预案—发电公司安全生产责任制及各级人员安全生产职责汇编全套

2025年方案预案—发电公司安全生产责任制及各级人员安全生产职责汇编全套_第1页
1/53
2025年方案预案—发电公司安全生产责任制及各级人员安全生产职责汇编全套_第2页
2/53
2025年方案预案—发电公司安全生产责任制及各级人员安全生产职责汇编全套_第3页
3/53
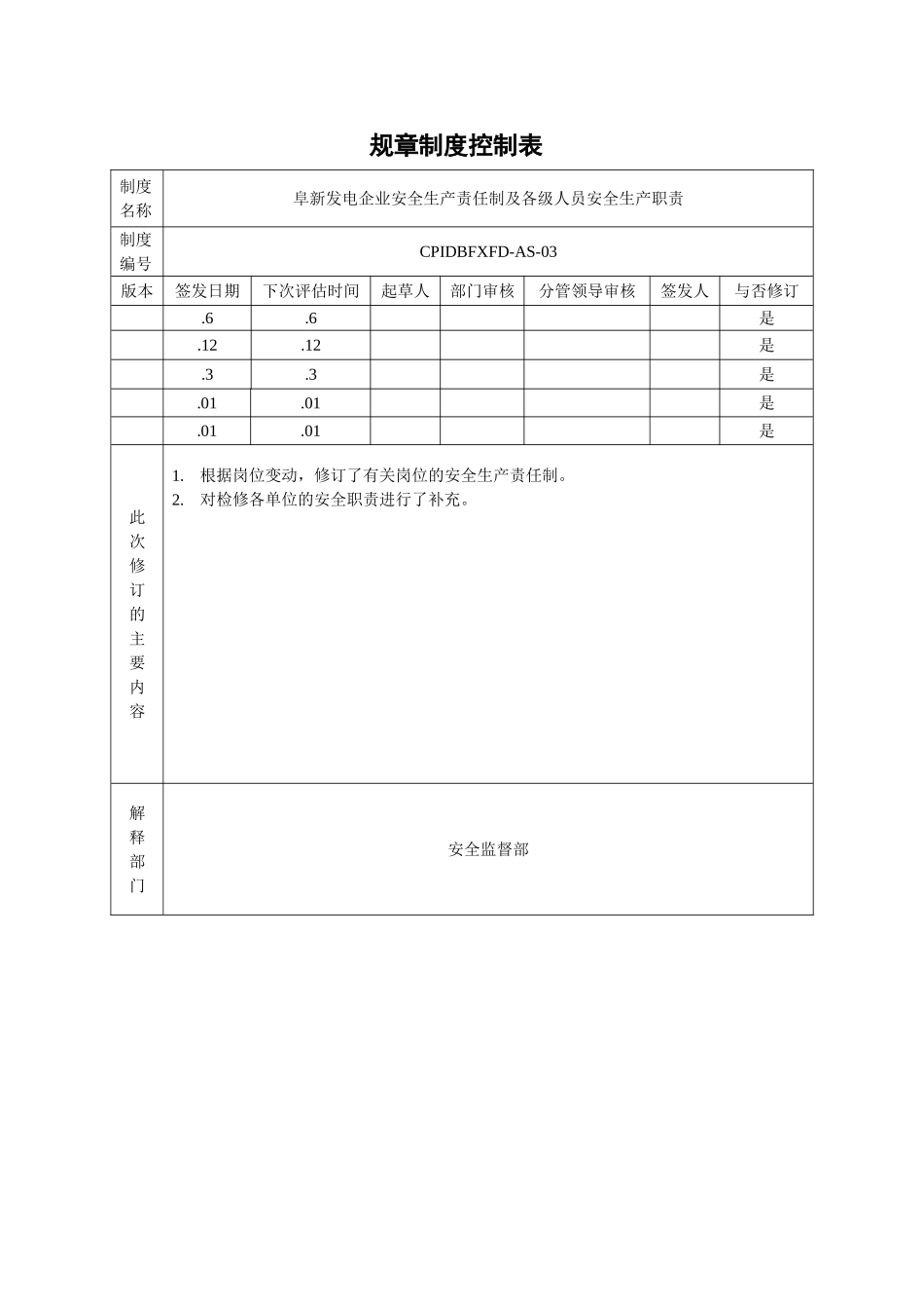
阜新发电企业规章制度公布告知第 3 号《阜新发电企业安全生产责任制及各级人员安全生产职责》已经于 2010 年 3 月 26 日通过,现予公布,自公布之日起施行。原《阜新发电企业安全生产责任制及各级人员安全生产职责》废止。总经理:二〇一〇年三月二十六日规章制度控制表制度名称阜新发电企业安全生产责任制及各级人员安全生产职责制度编号CPIDBFXFD-AS-03版本签发日期下次评估时间起草人部门审核分管领导审核签发人与否修订.6.6是.12.12是.3.3是.01.01是.01.01是此次修订的主要内容1.根据岗位变动,修订了有关岗位的安全生产责任制。2.对检修各单位的安全职责进行了补充。解释部门安全监督部实施及完善执行人安全监督部主任阜新发电企业安全生产责任制及各级人员安全生产职责1 目的为规范全企业各级领导人员的安全职责,做到各司其职,各负其责,亲密配合,共同搞好安全生产,特制订本规定。2 合用范围2.1 规定了全企业各级领导人员的安全职责,明确了各级行政正职为安全生产的第一负责人。2.2 企业所有员工均有依法获得安全生产保障的权利,并应当依法履行安全生产方面的义务。2.3 本规定合用于阜新发电有限责任企业所属部门(单位)各级人员。3 工作内容、规定与程序3.1 各级领导人员安全生产职责 总经理.1 认真贯彻执行集团企业有关文献,健全以安全第一负责人为关键的安全生产保证体系,对全企业人身和设备安全负直接领导责任,是安全生产的第一负责人。.2 对企业的安全生产工作全面负责,要亲自主管安全监督管理机构,亲自主持或组织安全分析会议、安全检查、制定并及时修订、完善安全生产的各项政策和决策,在人力物力和财力方面积极支持安全生产工作。建立和完善安全生产保证体系和监督体系;常常听取安监部门的汇报,支持安监部门履行职责和职权。 .3 负责贯彻执行党和国家颁布的安全劳动卫生政策、法规和电力工业安全生产方针、指示,完善我司安全生产有关制度和规程,组织制定并实行本单位的生产安全事故应急救援预案。.4 坚持“五同步”即在计划、布置、检查、总结和评比工作时,要同步计划、布置、检查、总结和评比安全工作。贯彻“安全第一、防止为主”的方针,牢固竖立“任何事故都是可以避免的”安全理念,重视全企业安全教育工作不停加强安全生产的技术基础和思想基础,发动和依托各级人员不停提高安全生产水平,保证全企业最佳的经济效益。.5 在平常工作中规定副总经理和各级行政干部,切实做好安全生产的...

1、当您付费下载文档后,您只拥有了使用权限,并不意味着购买了版权,文档只能用于自身使用,不得用于其他商业用途(如 [转卖]进行直接盈利或[编辑后售卖]进行间接盈利)。
2、本站所有内容均由合作方或网友上传,本站不对文档的完整性、权威性及其观点立场正确性做任何保证或承诺!文档内容仅供研究参考,付费前请自行鉴别。
3、如文档内容存在违规,或者侵犯商业秘密、侵犯著作权等,请点击“违规举报”。

碎片内容

2025年方案预案—发电公司安全生产责任制及各级人员安全生产职责汇编全套

确认删除?
VIP
微信客服
  • 扫码咨询
会员Q群
  • 会员专属群点击这里加入QQ群
客服邮箱
回到顶部