电脑桌面
添加小米粒文库到电脑桌面
安装后可以在桌面快捷访问

2025年江苏省建设工程造价员资格考试土建VIP专享

2025年江苏省建设工程造价员资格考试土建_第1页
1/5
2025年江苏省建设工程造价员资格考试土建_第2页
2/5
2025年江苏省建设工程造价员资格考试土建_第3页
3/5
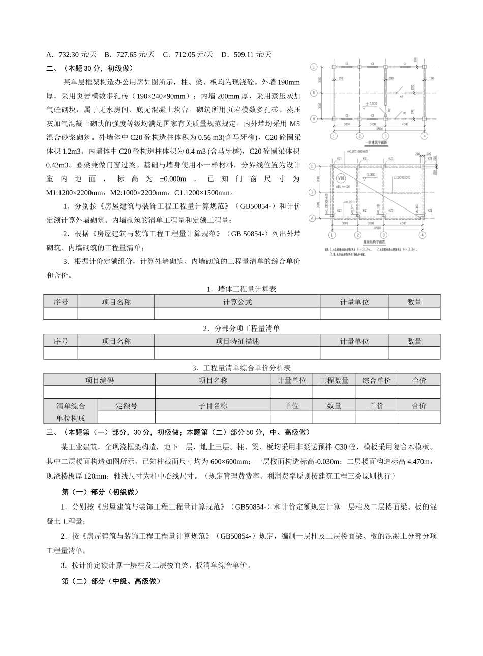
二○一四年江苏省建设工程造价员考试土建造价案例分析试卷试题本(注意:请在答卷本上答题)本卷为案例分析题,初级做一~三题,共三题,其中第三题做第(一)部分,总分 100 分;中、高级做一、三和四题,其中第三题做第(二)部分,共三题,总分 120 分;多做和漏做的题均不得分。除注明外,管理费费率、利润费率、人工工资单价、材料单价和施工机械台班单价、题中未给出的条件所有以《江苏省建筑与装饰工程计价定额》()(如下简称计价定额)为准;文字与图形不一样步,以文字阐明为准。除选择题外,案例题规定写出简要计算过程。题中“π”取3.14。一、(本题为单项选择题,共 20 题,每题 2 分,共 40 分,初级、中级、高级均做)1.某两坡坡屋顶剖面如图所示,已知该坡屋顶内的空间设计可运用,平行于屋脊方向的外墙的构造外边线长度为 40m,且外墙无保温层。按《建筑工程建筑面积计算规范》(GB/T 50353-)计算该坡屋顶内空间的建筑面积为( )。A.120㎡ B.180 ㎡ C.240㎡ D.280 ㎡2.按《建筑工程建筑面积计算规范》(GB/T 50353-)计算建筑面积时,下列走廊中,( )不是按其构造底板水平投影面积计算 1/2 面积。A.无围护构造,有栏杆,且构造层高 2.2m 的室外走廊B.无围护构造,无顶盖,有栏杆的建筑物间架空走廊C.无围护构造,有顶盖,有栏杆,且构造层高 2.2m 的建筑物间架空走廊D.大厅内设置的有栏杆,且构造层高 2.2m 的回廊3.按《建筑工程建筑面积计算规范》(GB/T 50353-)计算建筑面积时,下列飘窗中,( )应按其围护构造外围水平面积计算 1/2 面积。A.窗台与室内楼面高差 0.3m,飘窗构造净高 2.4mB.窗台与室内楼面高差 0.3m,飘窗构造净高 1.8mC.窗台与室内楼面高差 0.6m,飘窗构造净高 2.4mD.窗台与室内楼面高差 0.6m,飘窗构造净高 1.8m4.下列建筑工程中,( )的工程类别不是建筑工程二类原则。A.檐高 30m,地上层数 10 层,无地下室的办公楼B.檐高 30m,地上层数 10 层,有地下室的办公楼C.檐高 30m,地上层数 10 层,无地下室的住宅D.檐高 30m,地上层数 10 层,有地下室的住宅5.某桩基工程,共需打 500 根预制管桩,其中设计桩长 40m 的桩 100 根,35m 的桩 60 根,25m 桩的 340 根,则该打桩工程类别为( )。A.一类 B.二类 C.三类 D.应分不一样桩长,分别计算工程类别6.某建筑工程编制招标控制价。已知无工程设备,分部分...

1、当您付费下载文档后,您只拥有了使用权限,并不意味着购买了版权,文档只能用于自身使用,不得用于其他商业用途(如 [转卖]进行直接盈利或[编辑后售卖]进行间接盈利)。
2、本站所有内容均由合作方或网友上传,本站不对文档的完整性、权威性及其观点立场正确性做任何保证或承诺!文档内容仅供研究参考,付费前请自行鉴别。
3、如文档内容存在违规,或者侵犯商业秘密、侵犯著作权等,请点击“违规举报”。

碎片内容

2025年江苏省建设工程造价员资格考试土建

您可能关注的文档

翰墨流离+ 关注
实名认证
内容提供者

该用户很懒,什么也没介绍

确认删除?
VIP
微信客服
  • 扫码咨询
会员Q群
  • 会员专属群点击这里加入QQ群
客服邮箱
回到顶部