电脑桌面
添加小米粒文库到电脑桌面
安装后可以在桌面快捷访问

大体积混凝土养护方案

大体积混凝土养护方案_第1页
1/11
大体积混凝土养护方案_第2页
2/11
大体积混凝土养护方案_第3页
3/11
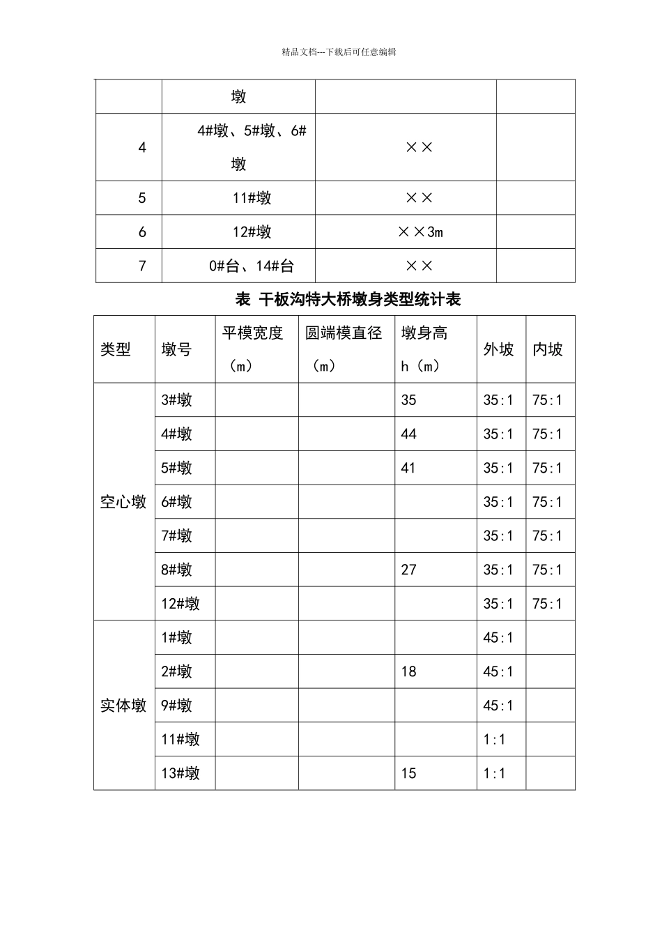
目 录一、编制依据.................................................1二、工程概况.................................................1三、砼养护方案...............................................3 混凝土养护的作用及其目的..................................3 准备工作..................................................3 混凝土养护................................................3四、混凝土养护质量保证措施...................................7五 安全保证措施..............................................9六、环水保措施..............................................10精品文档---下载后可任意编辑大体积混凝土养护方案一、编制依据⑴《干板沟特大桥施工组织设计》⑵《高速铁路桥涵工程施工质量验收标准》(TB 10752-2024)⑶《干板沟特大桥施工图》⑷《铁路混凝土工程施工质量验收标准》(TB 10424-2024)⑸《大体积混凝土施工法律法律规范》 (GB 50496-2024)二、工程概况干板沟特大桥起讫里程 DK125+~DK126+,地处太峪镇山区,其桥跨布置为:1-24m+9-32m 简支箱梁+(40+64+40)连续梁+1-24m 简支梁桥。简支箱梁采纳移动模架现浇施工,连续梁采纳悬臂挂篮现浇施工,全桥总长。本桥采纳双线矩形空心桥台配桩基础,圆端形实体桥墩、圆端形空心桥墩,最高墩高 47m。承台、墩身参数类型见表、表.表 承台参数统计表序号墩台号尺寸(纵向×横向×高)备注11#墩××22#墩、9#墩 10#墩、13#墩×7m×33#墩、7#墩、8#××精品文档---下载后可任意编辑墩44#墩、5#墩、6#墩××511#墩××612#墩××3m70#台、14#台××表 干板沟特大桥墩身类型统计表类型墩号平模宽度(m)圆端模直径(m)墩身高h(m)外坡内坡空心墩3#墩3535:175:14#墩4435:175:15#墩4135:175:16#墩35:175:17#墩35:175:18#墩2735:175:112#墩35:175:1实体墩1#墩45:1 2#墩1845:1 9#墩45:1 11#墩1:1 13#墩151:1 精品文档---下载后可任意编辑三、砼养护方案 混凝土养护的作用及其目的混凝土浇筑后,之所以能逐渐凝聚硬化,主要是因为水泥水化作用的结果,而水化作用则需要适当的温度和湿度条件,因此为了保证混凝土有适宜的硬化条件,使其强度不断增长,必须对混凝土进行养护。砼的养护目的,一是制造各种条件使水泥充分水化,加速砼硬化:二是防止砼成型后暴晒、风吹、寒冷等条件而出现的不正常收缩、裂纹等破损现象。 准备工作混凝土养护...

1、当您付费下载文档后,您只拥有了使用权限,并不意味着购买了版权,文档只能用于自身使用,不得用于其他商业用途(如 [转卖]进行直接盈利或[编辑后售卖]进行间接盈利)。
2、本站所有内容均由合作方或网友上传,本站不对文档的完整性、权威性及其观点立场正确性做任何保证或承诺!文档内容仅供研究参考,付费前请自行鉴别。
3、如文档内容存在违规,或者侵犯商业秘密、侵犯著作权等,请点击“违规举报”。

碎片内容

大体积混凝土养护方案

办公文档专营+ 关注
实名认证
内容提供者

大量办公文档,欢迎选择

确认删除?
VIP
微信客服
  • 扫码咨询
会员Q群
  • 会员专属群点击这里加入QQ群
客服邮箱
回到顶部