电脑桌面
添加小米粒文库到电脑桌面
安装后可以在桌面快捷访问

2025年GBT50375建筑工程施工质量评价标准全套表格范本VIP专享

2025年GBT50375建筑工程施工质量评价标准全套表格范本_第1页
1/58
2025年GBT50375建筑工程施工质量评价标准全套表格范本_第2页
2/58
2025年GBT50375建筑工程施工质量评价标准全套表格范本_第3页
3/58
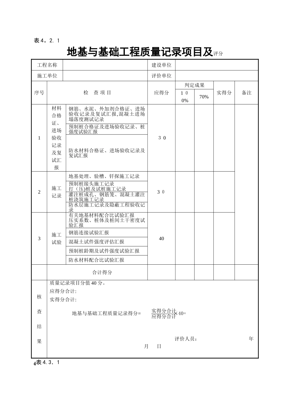
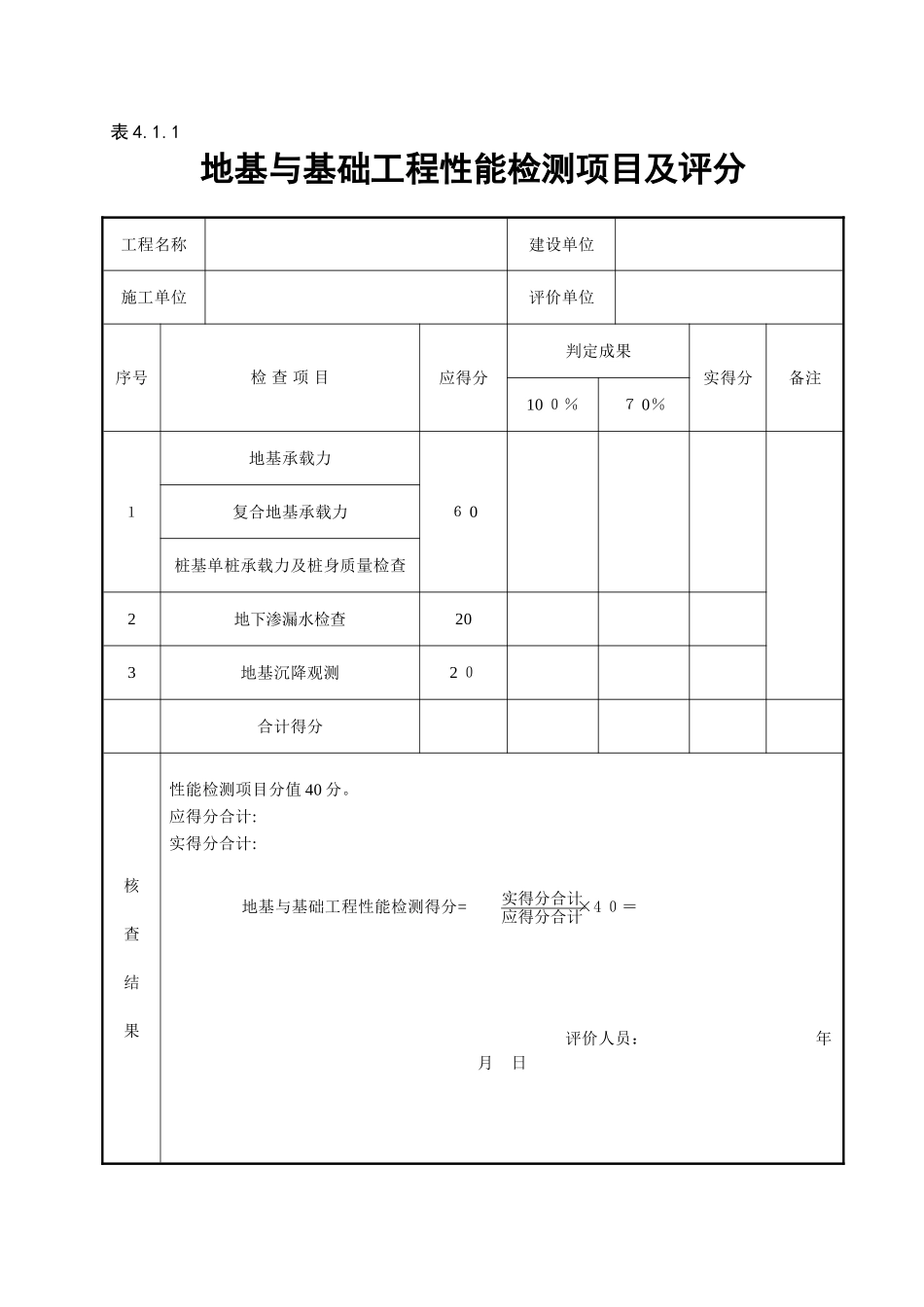
表 4.1.1 地基与基础工程性能检测项目及评分工程名称建设单位施工单位评价单位序号检 查 项 目应得分判定成果实得分备注10 0%7 0%1地基承载力6 0复合地基承载力桩基单桩承载力及桩身质量检查2地下渗漏水检查203地基沉降观测2 0合计得分核查结果性能检测项目分值 40 分。应得分合计:实得分合计: 地基与基础工程性能检测得分= ×4 0= 评价人员: 年 月 日实得分合计应得分合计表 4。2.1地基与基础工程质量记录项目及评分工程名称建设单位施工单位评价单位序号检 查 项 目应得分判定成果实得分备注1 00%70%1材料合格证、进场验收记录及复试汇报钢筋、水泥、外加剂合格证、进场验收记录及复试汇报,混凝土进场塌落度测试记录3 0预制桩合格证及进场验收记录、桩强度试验汇报防水材料合格证、进场验收记录及复试汇报2施工记录地基处理、验槽、钎探施工记录3 0预制桩接头施工记录打(压)桩及试桩施工记录灌注桩成孔、钢筋笼、混凝土灌注桩浇筑施工记录防水层施工记录及隐蔽工程验收记录3施工试验有关地基材料配合比试验汇报压实系数、桩体及桩间土干密度试验汇报40钢筋连接试验汇报混凝土试件强度评估汇报预制桩龄期及试件强度试验汇报防水材料配合比试验汇报合计得分核查结果质量记录项目分值 40 分。应得分合计:实得分合计: 地基与基础工程质量记录得分= ×40= 评价人员: 年 月 日ﻬ表 4.3.1 实得分合计应得分合计地基及基础工程容许偏差项目及评分工程名称建设单位施工单位评价单位序号检 查 项 目应得分判定成果实得分备注100%7 0%1天然地基标高及基槽尺寸偏差8 0复合地基桩位偏差打(压)桩桩位偏差灌注桩桩位偏差2防水卷材、塑料板搭接宽度偏差2 0合计得分核查结果容许偏差项目分值 1 0分.应得分合计:实得分合计: 地基与基础工程容许偏差得分= ×10= 评价人员: 年 月 日ﻬ表 4.4。1 实得分合计应得分合计地基与基础工程观感质量项目及评分工程名称建设单位施工单位评价单位序号检 查 项 目应得分判定成果实得分备注100%70%1地基、复合地基标高、表面平整、边坡80桩基桩头、桩顶标高、场地平整2地下防水表面质量、细部处理(施工缝、变形缝、穿墙管、预埋件、孔口、坑池等)20合计得分核查结果观感质量项目分值 1 0分。应得分合计:实得分合计: 地基与基础工程观感质量得分= ×10= 评价人员: 年 月 日ﻬ表 5.1。1混凝土构造工程性能检测项目及评分实得分合计...

1、当您付费下载文档后,您只拥有了使用权限,并不意味着购买了版权,文档只能用于自身使用,不得用于其他商业用途(如 [转卖]进行直接盈利或[编辑后售卖]进行间接盈利)。
2、本站所有内容均由合作方或网友上传,本站不对文档的完整性、权威性及其观点立场正确性做任何保证或承诺!文档内容仅供研究参考,付费前请自行鉴别。
3、如文档内容存在违规,或者侵犯商业秘密、侵犯著作权等,请点击“违规举报”。

碎片内容

2025年GBT50375建筑工程施工质量评价标准全套表格范本

您可能关注的文档

确认删除?
VIP
微信客服
  • 扫码咨询
会员Q群
  • 会员专属群点击这里加入QQ群
客服邮箱
回到顶部