电脑桌面
添加小米粒文库到电脑桌面
安装后可以在桌面快捷访问

2025年百日安全竞赛活动实施办法

2025年百日安全竞赛活动实施办法_第1页
1/5
2025年百日安全竞赛活动实施办法_第2页
2/5
2025年百日安全竞赛活动实施办法_第3页
3/5
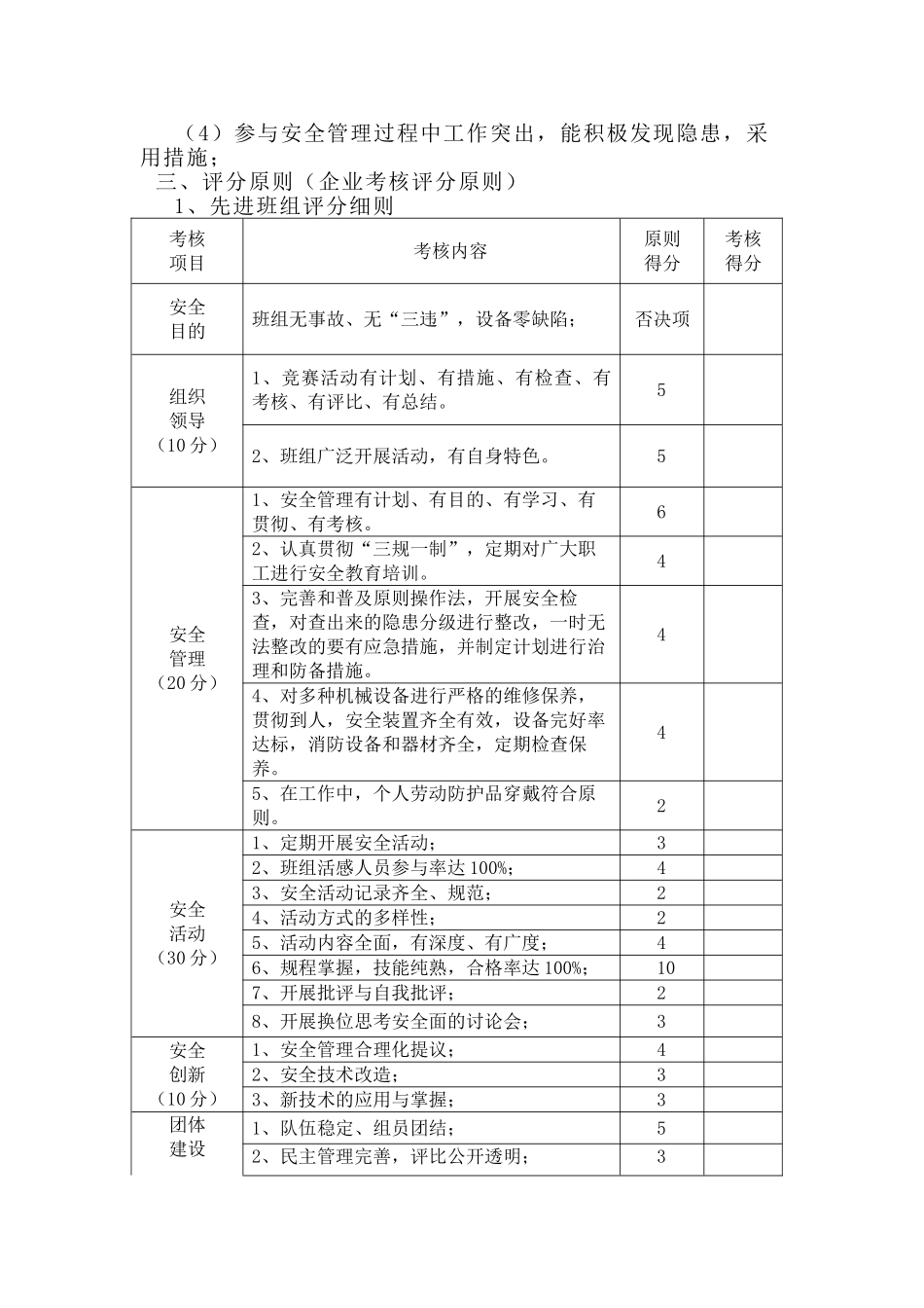
“百日安全竞赛”活动实行措施为扎实开展好“百日安全竞赛”活动,根据“百日安全竞赛”活动方案规定,各单位要提高认识,加强领导,精心组织,统筹安排,加强检查,严格贯彻。从主线上提高员工的自觉安全意识和自我安全能力,真正做到从“要我安全”到“我要安全”思想观念的转变。详细实行措施如下:一、活动方式1、宣传动员。按照告知精神,积极动员广大干部员工全员参与到活动中,建立以厂、车间、工段、班组四位一体的活动机制,明确职责,贯彻责任,确定自上而下的详细活动方案。2、 以周为活动时间,因地制宜,通过培训、讲座、演讲、座谈、板报等多种形式,运用多种资源,广泛宣传,形成“人人讲安全,时时话安全”的良好气氛。 3、积极开展批评与自我批评,勇于发现问题,勇于纠正问题,从思想上、态度上、工作纪律上、工作作风上,剖析自身局限性,勇于讲事实,说真话。4、深入生产一线,倾听员工心声,理解员工需求,处理员工在生产、生活中的实际困难,吸取采纳员工的合理化提议,使其能全身心投入安全生产中。5、树立“以厂为家,企兴我荣”的主人翁意识,动员全员参与到安全生产管理当中,做到“三不伤害”,勇于同“三违”现象做斗争。6、建立匿名举报运行机制,针对管理过程中存在的问题,鼓励员工,通过多种渠道进行举报,企业对举报材料将进行认真的核算、调查,既成事实,将进行严厉处理。同步,严格保密制度,保护举报者权益。二、评比措施1、先进单位评比条件活动期间未发生任何一起三千元以上事故的单位。2、先进班组评比条件(1)以生产单位考核原则为根据,厂级验收考核得分占总成绩的 40%;(2)以企业验收原则为根据,企业验收考核得分占总成绩的 60%;(3)先进班组无论从安全生产、创新工作、安全文化建设、团体建设等方面必须具有经典性。3、先进个人评比条件(1)从业人员无“三违”现象;(2)操作技能纯熟,操作程序规范,理论性强;(3)劳动防护用品穿戴规范;(4)参与安全管理过程中工作突出,能积极发现隐患,采用措施;三、评分原则(企业考核评分原则)1、先进班组评分细则考核项目考核内容原则得分考核得分安全目的班组无事故、无“三违”,设备零缺陷;否决项组织领导(10 分)1、竞赛活动有计划、有措施、有检查、有考核、有评比、有总结。5 2、班组广泛开展活动,有自身特色。5 安全管理(20 分)1、安全管理有计划、有目的、有学习、有贯彻、有考核。6 2、认真贯彻“三规一制”,定期对广大...

1、当您付费下载文档后,您只拥有了使用权限,并不意味着购买了版权,文档只能用于自身使用,不得用于其他商业用途(如 [转卖]进行直接盈利或[编辑后售卖]进行间接盈利)。
2、本站所有内容均由合作方或网友上传,本站不对文档的完整性、权威性及其观点立场正确性做任何保证或承诺!文档内容仅供研究参考,付费前请自行鉴别。
3、如文档内容存在违规,或者侵犯商业秘密、侵犯著作权等,请点击“违规举报”。

碎片内容

2025年百日安全竞赛活动实施办法

您可能关注的文档

确认删除?
VIP
微信客服
  • 扫码咨询
会员Q群
  • 会员专属群点击这里加入QQ群
客服邮箱
回到顶部