电脑桌面
添加小米粒文库到电脑桌面
安装后可以在桌面快捷访问

2025年服装厂PMC部全套作业流程VIP专享

2025年服装厂PMC部全套作业流程_第1页
1/129
2025年服装厂PMC部全套作业流程_第2页
2/129
2025年服装厂PMC部全套作业流程_第3页
3/129
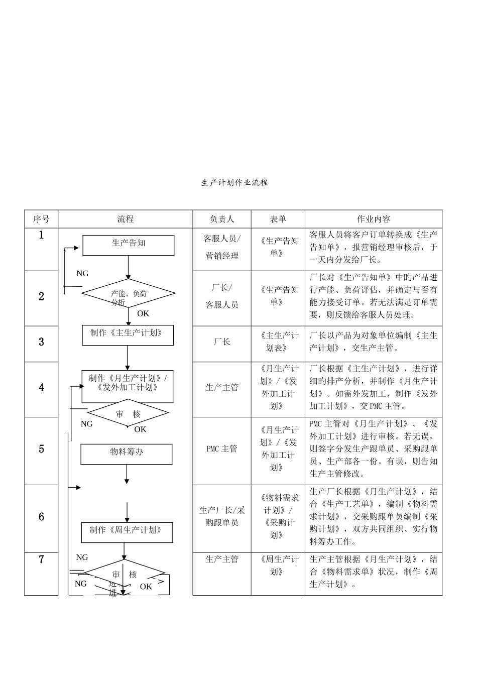
PMC 作业流程目录1、 生产计划作业管理措施···································22、 物料管控作业管理措施···································63、 采购作业管理措施 ·····································114、 供应商管理措施········································155、 供应商合作协议书······································216、 廉政合约··············································267、 廉洁保证书············································278、 进料作业管理措施······································219、 领(发)料作业管理措施································2710、 仓库管理制度··········································2811、 盘点管理制度··········································3412、 进料作业管理措施······································4213、 领(发)料作业流程····································4614、 退料作业管理措施······································4915、 补料作业管理措施······································5216、 成品进仓作业管理措施··································5517、 成品出仓作业管理措施··································5818、 物控管理条例··········································6119、 呆废物料处理作业流程··································6620、 各类表单····································...

1、当您付费下载文档后,您只拥有了使用权限,并不意味着购买了版权,文档只能用于自身使用,不得用于其他商业用途(如 [转卖]进行直接盈利或[编辑后售卖]进行间接盈利)。
2、本站所有内容均由合作方或网友上传,本站不对文档的完整性、权威性及其观点立场正确性做任何保证或承诺!文档内容仅供研究参考,付费前请自行鉴别。
3、如文档内容存在违规,或者侵犯商业秘密、侵犯著作权等,请点击“违规举报”。

碎片内容

2025年服装厂PMC部全套作业流程

您可能关注的文档

卷上珠帘+ 关注
实名认证
内容提供者

该用户很懒,什么也没介绍

确认删除?
VIP
微信客服
  • 扫码咨询
会员Q群
  • 会员专属群点击这里加入QQ群
客服邮箱
回到顶部