电脑桌面
添加小米粒文库到电脑桌面
安装后可以在桌面快捷访问

工程质量验收记录汇总表(2024整理)

工程质量验收记录汇总表(2024整理)_第1页
1/10
工程质量验收记录汇总表(2024整理)_第2页
2/10
工程质量验收记录汇总表(2024整理)_第3页
3/10
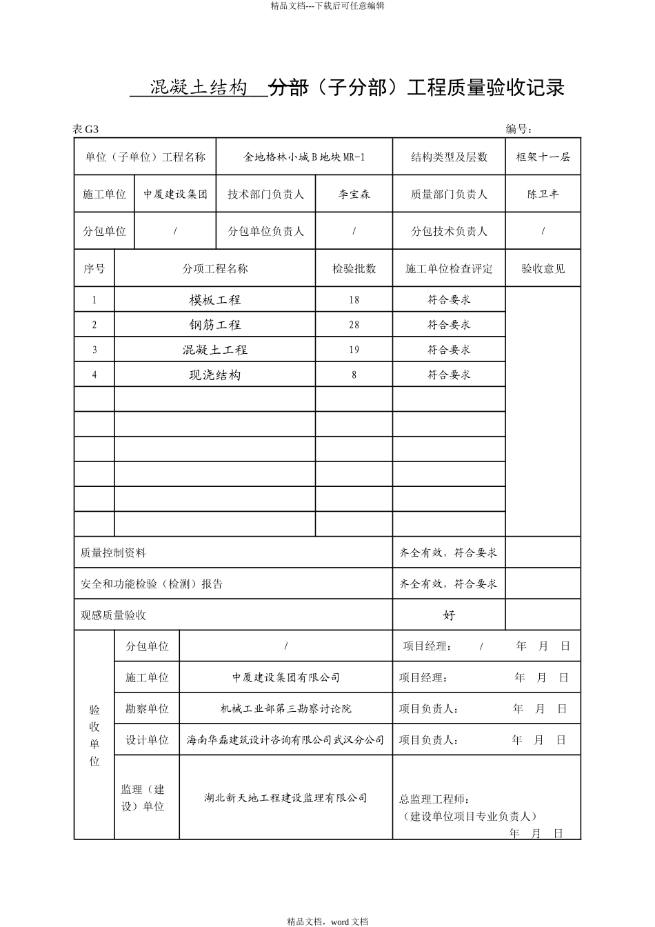
精品文档---下载后可任意编辑 基础 分部(子分部)工程质量验收记录表 G3 编号:单位(子单位)工程名称金地格林小城 B 地块 MR-1结构类型及层数框架十一层施工单位中厦建设集团技术部门负责人李宝森质量部门负责人陈卫丰分包单位/分包单位负责人/分包技术负责人/序号分项工程名称检验批数施工单位检查评定验收意见1土方开挖3符合要求2土方回填1符合要求3模板工程18符合要求4钢筋工程28符合要求5混凝土工程19符合要求6现浇结构8符合要求质量控制资料齐全有效,符合要求安全和功能检验(检测)报告齐全有效,符合要求观感质量验收好验收单位分包单位/项目经理: / 年 月 日施工单位中厦建设集团有限公司项目经理: 年 月 日勘察单位机械工业部第三勘察讨论院项目负责人: 年 月 日设计单位海南华磊建筑设计咨询有限公司武汉分公司项目负责人: 年 月 日精品文档,word 文档精品文档---下载后可任意编辑监理(建设)单位湖北新天地工程建设监理有限公司总监理工程师:(建设单位项目专业负责人) 年 月 日精品文档,word 文档精品文档---下载后可任意编辑 混凝土结构 分部(子分部)工程质量验收记录表 G3 编号:单位(子单位)工程名称金地格林小城 B 地块 MR-1结构类型及层数框架十一层施工单位中厦建设集团技术部门负责人李宝森质量部门负责人陈卫丰分包单位/分包单位负责人/分包技术负责人/序号分项工程名称检验批数施工单位检查评定验收意见1模板工程18符合要求2钢筋工程28符合要求3混凝土工程19符合要求4现浇结构8符合要求质量控制资料齐全有效,符合要求安全和功能检验(检测)报告齐全有效,符合要求观感质量验收好验收单位分包单位/项目经理: / 年 月 日施工单位中厦建设集团有限公司项目经理: 年 月 日勘察单位机械工业部第三勘察讨论院项目负责人: 年 月 日设计单位海南华磊建筑设计咨询有限公司武汉分公司项目负责人: 年 月 日监理(建设)单位湖北新天地工程建设监理有限公司总监理工程师:(建设单位项目专业负责人) 年 月 日精品文档,word 文档精品文档---下载后可任意编辑 主体 分部(子分部)工程质量验收记录表 G3 编号:单位(子单位)工程名称金地格林小城 B 地块 MR-1结构类型及层数框架十一层施工单位中厦建设集团技术部门负责人李宝森质量部门负责人陈卫丰分包单位/分包单位负责人/分包技术负责人/序号分项工程名称检验批数施工单位检查评定验收意见1模板94符...

1、当您付费下载文档后,您只拥有了使用权限,并不意味着购买了版权,文档只能用于自身使用,不得用于其他商业用途(如 [转卖]进行直接盈利或[编辑后售卖]进行间接盈利)。
2、本站所有内容均由合作方或网友上传,本站不对文档的完整性、权威性及其观点立场正确性做任何保证或承诺!文档内容仅供研究参考,付费前请自行鉴别。
3、如文档内容存在违规,或者侵犯商业秘密、侵犯著作权等,请点击“违规举报”。

碎片内容

工程质量验收记录汇总表(2024整理)

办公文档专营+ 关注
实名认证
内容提供者

大量办公文档,欢迎选择

确认删除?
VIP
微信客服
  • 扫码咨询
会员Q群
  • 会员专属群点击这里加入QQ群
客服邮箱
回到顶部