电脑桌面
添加小米粒文库到电脑桌面
安装后可以在桌面快捷访问

电力线路施工记录与检验批--接地电阻测试记录

电力线路施工记录与检验批--接地电阻测试记录_第1页
1/43
电力线路施工记录与检验批--接地电阻测试记录_第2页
2/43
电力线路施工记录与检验批--接地电阻测试记录_第3页
3/43
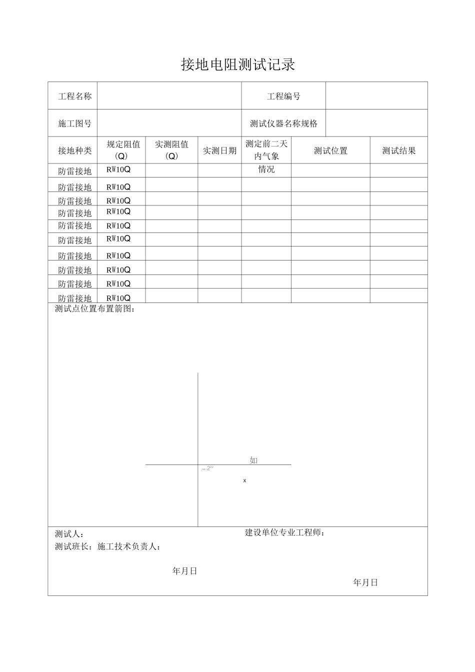
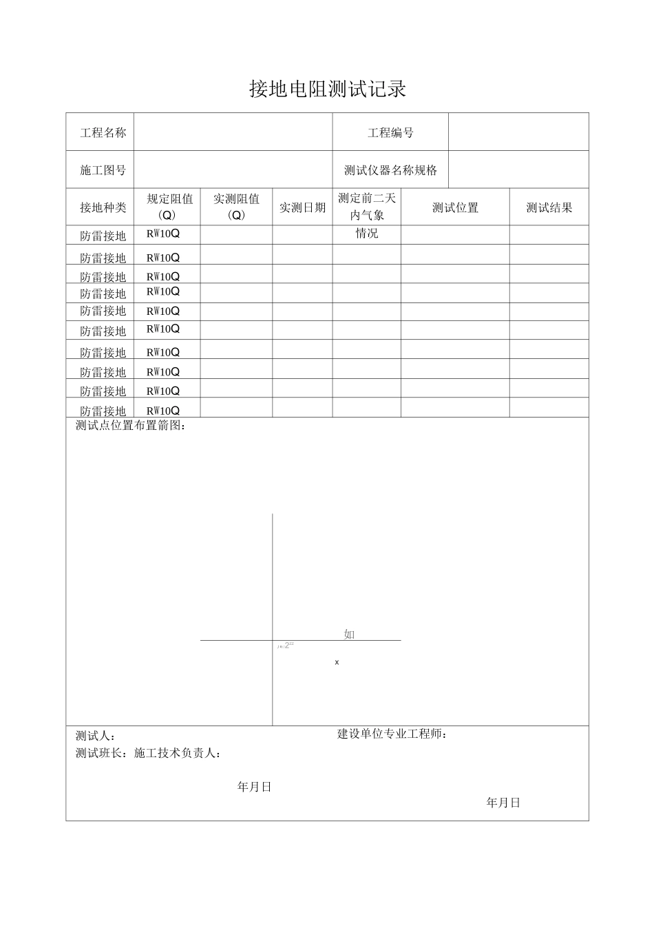
接地电阻测试记录工程名称工程编号施工图号测试仪器名称规格接地种类规定阻值(Q)实测阻值(Q)实测日期测定前二天内气象测试位置测试结果防雷接地RW10Q情况防雷接地RW10Q防雷接地RW10Q防雷接地RW10Q防雷接地RW10Q防雷接地RW10Q防雷接地RW10Q防雷接地RW10Q防雷接地RW10Q防雷接地RW10Q测试点位置布置箭图:如丿#//2zzx测试人:测试班长:施工技术负责人:年月日建设单位专业工程师:年月日接地电阻测试记录工程名称工程编号施工图号测试仪器名称规格接地种类规定阻值(Q)实测阻值(Q)实测日期测定前二天内气象测试位置测试结果防雷接地RW10Q情况防雷接地RW10Q防雷接地RW10Q防雷接地RW10Q防雷接地RW10Q防雷接地RW10Q防雷接地RW10Q防雷接地RW10Q防雷接地RW10Q防雷接地RW10Q测试点位置布置箭图:如丿#//2zzx测试人:测试班长:施工技术负责人:年月日建设单位专业工程师:年月日杆塔工程检验批质量验收记录3 用螺栓连接构件的质量要求非放松螺栓应大冲或涂铅油VV线路杆塔的链接螺栓在组立结束后,架线前应全部紧固一次,架线后再全部复紧一遍。并按设计要求采取防松、防盗措施VVVVV4 杆塔标志及攀梯安装的质量要求安装应牢固、可靠VVVVV线路名称、相序、杆塔号及高塔航行障碍标志应清晰正确VVVVV盘梯距离应均匀合理VVVVV5 塔脚板与保护帽的质量要求塔脚板应与基础面接触良好踏脚板与保护帽之间有空隙处应加垫铁,并灌注水泥砂浆保护帽的混凝土应与踏脚板上部铁板结合严密保护帽不应有裂缝施工单位检查评定结果经检查,主控项目、一般项目均符合设计和 SY4206-2007<石油天然气建设工程施工质量验收规范电气工程 2 的规定,评定合格项目专业质检员:年月日监理(建设)单位验收结论监理工程师:(建设单位项目代表)年月日杆塔接地工程检验批质量验收记录架空电力线路拉线安装施工记录工程名称工程编号单位工程名称架空电力线路工程线路电压()导线规格型号地线规格型号序号杆号杆型拉线规格拉线盘规格拉线盘埋深(m)拉线与电杆夹角自检评定型号钢绞线设计实际一般2450受地形限制三30。123456789101112131415施工单位监理(建设)单位班组长:项目技术负责人:年月日监理工程师:(建设单位项目代表)年月日说明:本表由施工单位负责填写;适用于拉线的安装。拉线工程检验批质量验收记录工程名称分项工程名称拉线安装工程验收记录施工单位盘锦辽河油田恒泰利建安工程有限公司专业负责人项目经理施工执行标准名称及编号SY4206—2007 石油天然气建设工...

1、当您付费下载文档后,您只拥有了使用权限,并不意味着购买了版权,文档只能用于自身使用,不得用于其他商业用途(如 [转卖]进行直接盈利或[编辑后售卖]进行间接盈利)。
2、本站所有内容均由合作方或网友上传,本站不对文档的完整性、权威性及其观点立场正确性做任何保证或承诺!文档内容仅供研究参考,付费前请自行鉴别。
3、如文档内容存在违规,或者侵犯商业秘密、侵犯著作权等,请点击“违规举报”。

碎片内容

电力线路施工记录与检验批--接地电阻测试记录

确认删除?
VIP
微信客服
  • 扫码咨询
会员Q群
  • 会员专属群点击这里加入QQ群
客服邮箱
回到顶部