电脑桌面
添加小米粒文库到电脑桌面
安装后可以在桌面快捷访问

级配碎石垫层工程检验批质量验收记录表

级配碎石垫层工程检验批质量验收记录表_第1页
1/8
级配碎石垫层工程检验批质量验收记录表_第2页
2/8
级配碎石垫层工程检验批质量验收记录表_第3页
3/8
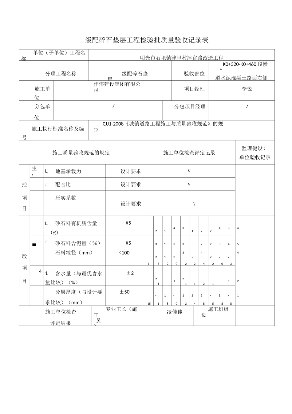
级配碎石报验申请表工程名称:明光市石坝镇津里村津官路改造工程致:安徽嘉明建设工程项目管理有限公司(监理单位)我单位已完成了津官路 K0+320-K0+460 段慢车道水泥混凝土路面级配碎石右侧回填工作,现将该工程检验批资料报上,请予以审查和验收。附:1、碎石垫层工程检验批质量验收记录表承包单位:项目经理:日期:年月日审核意见:项目监理机构:总/专业监理工程师:日期:年月日级配碎石垫层工程检验批质量验收记录表单位(子单位)工程名称明光市石坝镇津里村津官路改造工程K0+320-K0+460 段慢车分项工程名称级配碎石垫层验收部位道水泥混凝土路面右侧施工单佳伟建设集团有限公司项目经理李锐位分包单/分包项目经理/位施工执行标准名称及编CJJ1-2008《城镇道路工程施工与质量验收规范》的规定号施工质量验收规范的规定施工单位检查评定记录监理健设)单位验收记录主:L地基承载力设计要求V控)配合比设计要求V项压实系数目设计要求VL砂石料有机质含量W5(%)2143122434一■)砂石料含泥量(%)W53133322345般石料粒径(mm)<1002123242224项13202242034 1含水量(与最优含水±2目量比较)(%)21121121121分层厚度(与设计要±50-1-121-1-1求比较)(mm)15180348588施工单位检杳专业工长(施工凌佳佳施工班组长评定结果员)经自检主控项目、一般项目,符合设计要求和 CJJ1-2008《城镇道路工程施工与质量验收规范》的规定,施工质量验收规范要求评定合格。项目专业质量检查员:年月日监理(建设)单位验收结论专业监理工程师:(建设单位项目专业技术负责人):年月日级配碎石路基报验申请表工程名称:明光市石坝镇津里村津官路改造工程致:安徽嘉明建设工程项目管理有限公司(监理单位)我单位已完成了津官路 K0+320-K0+460 段慢车道水泥混凝土路面级配碎石左侧回填工作,现将该工程检验批资料报上,请予以审查和验收。附:1、碎石垫层工程检验批质量验收记录表承包单位:项目经理:日期:年月日审核意见:项目监理机构:总/专业监理工程师:日期:年月日级配碎石垫层工程检验批质量验收记录表单位(子单位)工程名称明光市石坝镇津里村津官路改造工程验收部津官路K0+320-K0+460分项工程名称级配碎石垫层位段慢车道水泥混凝土路面左侧施工单佳伟建设集团有限公司项目经李锐位理分包单/分包项目经/位理施工执行标准名称及编CJJ1-2008《城镇道路工程施工与质量验收规范》的规定号施工质量验收规范的规定施工单位检查评定记录监理健设)单位...

1、当您付费下载文档后,您只拥有了使用权限,并不意味着购买了版权,文档只能用于自身使用,不得用于其他商业用途(如 [转卖]进行直接盈利或[编辑后售卖]进行间接盈利)。
2、本站所有内容均由合作方或网友上传,本站不对文档的完整性、权威性及其观点立场正确性做任何保证或承诺!文档内容仅供研究参考,付费前请自行鉴别。
3、如文档内容存在违规,或者侵犯商业秘密、侵犯著作权等,请点击“违规举报”。

碎片内容

级配碎石垫层工程检验批质量验收记录表

您可能关注的文档

确认删除?
VIP
微信客服
  • 扫码咨询
会员Q群
  • 会员专属群点击这里加入QQ群
客服邮箱
回到顶部