电脑桌面
添加小米粒文库到电脑桌面
安装后可以在桌面快捷访问

张家港市安全资料总台帐

张家港市安全资料总台帐_第1页
1/122
张家港市安全资料总台帐_第2页
2/122
张家港市安全资料总台帐_第3页
3/122
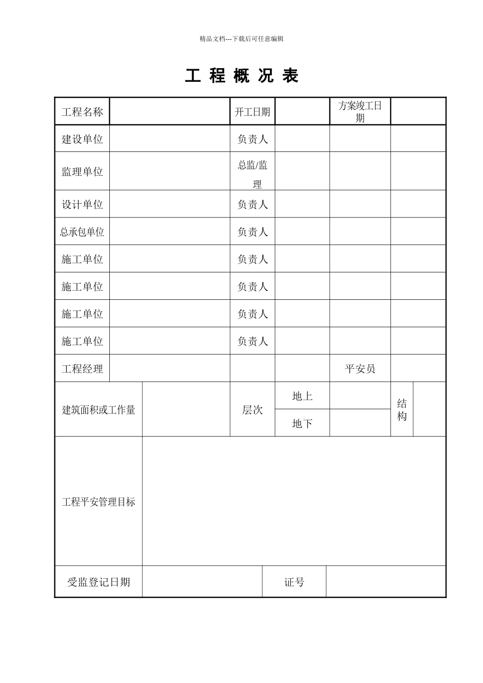
精品文档---下载后可任意编辑一、工程概况表 〔第一分册〕精品文档---下载后可任意编辑工 程 概 况 表工程名称开工日期方案竣工日期建设单位负责人 监理单位总监/监理 设计单位负责人 总承包单位负责人 施工单位负责人 施工单位负责人 施工单位负责人 施工单位负责人 工程经理 平安员建筑面积或工作量层次地上结构地下工程平安管理目标受监登记日期证号精品文档---下载后可任意编辑本工程特别部位结构概况注:1、结构类型、立面有特别变化深基坑特别支护、模板支撑高支模结构、特别悬挑结构。精品文档---下载后可任意编辑 2、周围作业环境(居民区、外输电线、通信线路、供应水管网、施工道路)。 3、如用电脑打印,按此格式。施工总平面布置图 注:1、注明电源、水源的布置情况 2、机械设备布置、临时宿舍、道路、材料堆放位置精品文档---下载后可任意编辑二、现场平安生产管理网络 〔第一分册〕精品文档---下载后可任意编辑工程工程部平安管理机械网络施工现场平安值班表日期星期一星期二星期三星期四星期五星期六星期日姓名职务代值工程经理:安 全 员:技术负责人技术负责人技术负责人技术负责人木工班长后勤瓦工班长钢筋班长架子班长水电班长机修班长精品文档---下载后可任意编辑三、平安生产目标管理 安精品文档---下载后可任意编辑全生产预控目标责任书附:1、企业与工程部签订的平安生产责任书 2、工程部与班组平安生产协议 3、工程部与员工劳务协议书实现平安预控目标的措施精品文档---下载后可任意编辑精品文档---下载后可任意编辑各级人员安全生产责任书精品文档---下载后可任意编辑四、平安教育平安生产教育制度平安生产教育是向全体职工灌输平安生产的重要意义和平安技术知识的一项工作,建立定期的平安教育制度,使职工充分认识到精品文档---下载后可任意编辑平安事故的危害性,通过平安生产教育使宽阔职工掌握平安技术知识和平安操作技能,运用科学知识自觉遵守各项平安管理制度,掌握预防事故的知识和技能,促进平安生产的顺利进行,对实现平安生产、文明施工有十分重要的意义。一、三级教育,是指新进施工场地或变换工种的作业人员必须进行公司级平安高教育;工程部级平安教育;班组岗位平安教育,并填写三级平安教育卡。二、特种作业人员,电工、电气焊工、架子工、起重机操作工、机动车辆驾驶员等,除进行三级教育外必须级上级主管部门进行平安技术培训,经理轮、实践考试合格,由上级部门发给特种作业操...

1、当您付费下载文档后,您只拥有了使用权限,并不意味着购买了版权,文档只能用于自身使用,不得用于其他商业用途(如 [转卖]进行直接盈利或[编辑后售卖]进行间接盈利)。
2、本站所有内容均由合作方或网友上传,本站不对文档的完整性、权威性及其观点立场正确性做任何保证或承诺!文档内容仅供研究参考,付费前请自行鉴别。
3、如文档内容存在违规,或者侵犯商业秘密、侵犯著作权等,请点击“违规举报”。

碎片内容

张家港市安全资料总台帐

您可能关注的文档

确认删除?
VIP
微信客服
  • 扫码咨询
会员Q群
  • 会员专属群点击这里加入QQ群
客服邮箱
回到顶部