电脑桌面
添加小米粒文库到电脑桌面
安装后可以在桌面快捷访问

某住宅普通模板施工方案

某住宅普通模板施工方案_第1页
1/52
某住宅普通模板施工方案_第2页
2/52
某住宅普通模板施工方案_第3页
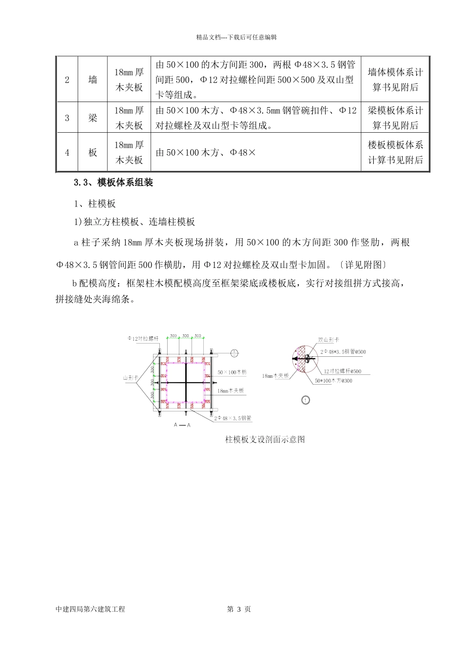
3/52
精品文档---下载后可任意编辑模板施工方案一、编制依据1、惠州金海湾海宸住宅工程施工图及相关设计变更、洽商记录2、本工程?施工组织设计?3、公司质量、环境和职业健康平安管理体系,编号:Q/CSCEC46/M00-2024.版本:B4、工程所涉及的主要的国家或行业标准、规程、标准、法规,地方法规GB50204-2024 混凝土结构工程施工质量验收标准GB50300-2001 建筑工程施工质量验收统一标准GB50010-2024 ?混凝土结构设计标准?GB50009-2001 ?建筑结构荷载标准?JGJ128-2000 ?建筑施工门式钢管脚手架平安技术标准?JGJ33-2001 建筑机械使用平安技术规程JGJ80-91 建筑施工高处作业平安技术规程JGJ59-99 建筑施工平安检查标准 ?建筑工程模板施工手册?JGJ 74-2024 ?建筑工程大模板技术规程?二、工程概况惠州金海湾海宸住宅工程由惠州市海宸置业投资兴建,由北方—汉沙杨建筑工程设计,惠州市工程建设监理监理,中建四局第六建筑工程负责施工。本工程总建筑面积平方米〔地上平方米 、地下平方米〕,酒店地下一层地上 9 层,酒店立面造型别致曲线优美,整体长 253 米、宽 27 米至 38 米不等,地下层高为 4.7 米,一层、九层层高为5.1 米,二层层高为 6.1 米,三~七层层高为 3.3 米,八层层高为 4.5 米;主体结构形式为框架结构。各部位截面尺寸见下表:序号部位截面尺寸〔mm〕中建四局第六建筑工程 第 1 页 精品文档---下载后可任意编辑1板120、140、180、200、350mm、400mm梁500×700、300×700、300×600、400×600、600×600、300×900、1000×1000、500×1000、800×1300、400×850、800×1400、800×13002墙体200、300、500mm3柱方柱:500×500、400×600、600×600、600×700、600×800、800×800、700×700、600×850、700×800,圆柱:600,1200三、模板方案确实定3.1、模板体系概要本工程酒店局部质量目标为鲁班奖工程。为保证主体结构混凝土质量要求,模板设计与施工是工程的关键之一。因此模板方案确实定必须考虑以下几点:1、模板及其支架的结构设计,力求做到结构要平安可靠,造价经济合理;2、在规定的条件下和规定的使用期限内,能够充分满足预期的平安性和耐久性;3、选用材料时,力求做到常见通用、可周转利用,便于保养维修;4、结构选型时,力求做到受力明确,构造措施到位,升降搭拆方便,便于检查验收;5、模板及模板支架的搭设,还必须符合 JCJ59-99 检查标准要求,要符合省文明标化施工场地的有关标准;6、特...

1、当您付费下载文档后,您只拥有了使用权限,并不意味着购买了版权,文档只能用于自身使用,不得用于其他商业用途(如 [转卖]进行直接盈利或[编辑后售卖]进行间接盈利)。
2、本站所有内容均由合作方或网友上传,本站不对文档的完整性、权威性及其观点立场正确性做任何保证或承诺!文档内容仅供研究参考,付费前请自行鉴别。
3、如文档内容存在违规,或者侵犯商业秘密、侵犯著作权等,请点击“违规举报”。

碎片内容

某住宅普通模板施工方案

人从众+ 关注
实名认证
内容提供者

欢迎光临小店,本店以公文和教育为主,希望符合您的需求。

确认删除?
VIP
微信客服
  • 扫码咨询
会员Q群
  • 会员专属群点击这里加入QQ群
客服邮箱
回到顶部