电脑桌面
添加小米粒文库到电脑桌面
安装后可以在桌面快捷访问

拉深工艺系数

拉深工艺系数_第1页
1/31
拉深工艺系数_第2页
2/31
拉深工艺系数_第3页
3/31
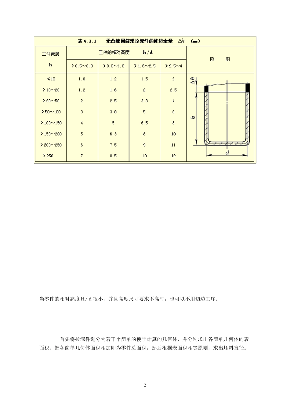
1 拉深件坯料形状和尺寸是以冲件形状和尺寸为基础,按体积不变原则和相似原则确定。体积不变原则,即对于不变薄拉深,假设变形前后料厚不变,拉深前坯料表面积与拉深后冲件表面积近似相等,得到坯料尺寸;相似原则,即利用拉深前坯料的形状与冲件断面形状相似,得到坯料形状。当冲件的断面是圆形、正方形、长方形或椭圆形时,其坯料形状应与冲件的断面形状相似,但坯料的周边必须是光滑的曲线连接。对于形状复杂的拉深件,利用相似原则仅能初步确定坯料形状,必须通过多次试压,反复修改,才能最终确定出坯料形状,因此,拉深件的模具设计一般是先设计拉深模,坯料形状尺寸确定后再设计冲裁模。 由于金属板料具有板平面方向性和模具几何形状等因素的影响,会造成拉深件口部不整齐,因此在多数情况下采取加大工序件高度或凸缘宽度的办法,拉深后再经过切边工序以保证零件质量。切边余量可参考表4.3.1 和表4.3.2。 2 当零件的相对高度H/d很小,并且高度尺寸要求不高时,也可以不用切边工序。 首先将拉深件划分为若干个简单的便于计算的几何体,并分别求出各简单几何体的表面积。把各简单几何体面积相加即为零件总面积,然后根据表面积相等原则,求出坯料直径。 3 图 4.3.1 圆筒形拉深件坯料尺寸计算图 在计算中,零件尺寸均按厚度中线计算;但当板料厚度小于1mm时,也可以按外形或内形尺寸计算。常用旋转体零件坯料直径计算公式见表 4.3.3。 4 5 该类拉深零件的坯料尺寸,可用久里金法则求出其表面积,即任何形状的母线绕轴旋转一周所得到的旋转体面积,等于该母线的长度与其重心绕该轴线旋转所得周长的乘积。如图4.3.2 所示,旋转体表面积为 A。 图 4.3.2 旋转体表面积计算图 6 1.拉深系数的定义 7 图4.4.1 圆筒形件的多次拉深 在制定拉深工艺时,如拉深系数取得过小,就会使拉深件起皱、断裂或严重变薄超差。因此拉深系数减小有一个客观的界限,这个界限就称为极限拉深系数。极限拉深系数与材料性能和拉深条件有关。从工艺的角度来看,极限拉深系数越小越有利于减少工序数。 2.影响极限拉深系数的因素 (3)拉深工作条件 8 图4.4.2 凸凹模圆角半径对极限拉深系数的响 但凸、凹模圆角半径也不宜过大,过大的圆角半径,会减少板料与凸模和凹模端面的接触面积及压料圈的压料面积,板料悬空面积增大,容易产生失稳起趋。 凸、凹模之间间隙也应适当,太小,板料受到太大的挤压作用和摩擦阻力,增大拉深力;间...

1、当您付费下载文档后,您只拥有了使用权限,并不意味着购买了版权,文档只能用于自身使用,不得用于其他商业用途(如 [转卖]进行直接盈利或[编辑后售卖]进行间接盈利)。
2、本站所有内容均由合作方或网友上传,本站不对文档的完整性、权威性及其观点立场正确性做任何保证或承诺!文档内容仅供研究参考,付费前请自行鉴别。
3、如文档内容存在违规,或者侵犯商业秘密、侵犯著作权等,请点击“违规举报”。

碎片内容

拉深工艺系数

您可能关注的文档

确认删除?
VIP
微信客服
  • 扫码咨询
会员Q群
  • 会员专属群点击这里加入QQ群
客服邮箱
回到顶部