电脑桌面
添加小米粒文库到电脑桌面
安装后可以在桌面快捷访问

按键与显示电路的设计与实现

按键与显示电路的设计与实现_第1页
1/15
按键与显示电路的设计与实现_第2页
2/15
按键与显示电路的设计与实现_第3页
3/15
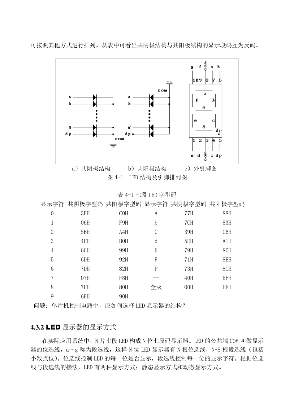
电子产品设计制作 与故障诊断 学习情境4 :按键与显示电路的设计与实现 《电子产品设计制作与故障诊断》课程建设组 2 0 1 0 年 2 月 第一版 学习情境4 :按键与显示电路的设计与实现 4 .1 学习目标 通过本次学习情境要求学会: (1)掌握单片机外围显示和按键电路的设计和制作; (2)掌握按键和显示电路的C 51 程序的编写和调试。 4 .2 工作任务 4.2.1 任务名称 在独立电路板上设计制作单片机的按键和显示电路,满足: (1) 在万用板上制作单片机的按键和显示电路,使该电路具有和单片机最小系统的接口,电路的结构简单,成本低廉; (2) 编写基本控制程序,下载调试,使该电路实现基本的按键输入和字符显示功能。 4.2.2 任务背景 按键和显示是各种电子设备最基本的人机交互界面,良好的按键和显示界面是电子产品美观易用的基础。本次工作任务是为一小型温度测控系统设计制作按键和显示电路。 4.2.3 任务要求 (1) 学习单片机按键和显示电路的原理和电路设计方法,合理选择按键和显示电路的控制芯片和电路结构; (2) 完成全电路理论设计、绘制电路图,自制电路板、焊接调试; (3) 撰写设计报告、调试总结报告及使用说明书。 4.2.4. 工作任务所需要的设备、工具和材料:具有232 串行口的计算机、单片机最小系统板、双踪示波器、万用表(模拟或数字)、电烙铁、导线,自制电路板的各种工具一套及元器件若 干 。 4 .3 任务知 识 点 4 .3 .1 七 段 LED 显示器 LED 显示器是由 发 光 二 极 管 按照 一定 的排 列 规 律 组 成的显示器件,这 种显示器有共 阳 极和共 阴 极 两 种组 成形 式 ,常 用的七 段 LED 显示器的内 部 结构和外引 脚 排 列 见 图 4-1。 在共 阴 极 七 段LED 结构中 ,所有发 光 二 极 管 的阴 极 接在一起 形 成公 共 极COM,使用时COM 接低电平 ,当 某 段 发 光 二 极 管 的阳 极 接高 电平 时 ,则 该段 二 极 管 发 光 显示字符。共 阳 极七 段 LED 是把 所有的发 光 二 极 管 的阳 极 接在一起 形 成公 共 端 COM,使用时 COM 端 接高 电平 ,当 某 段 发 光 二 极 管 的阴 极 接低电平 时 ,则 该段 二 极 管 发 光 进 行显示。 表4-1 给 出 了 七 段 LED 的显示字型码 。表中 的字型码 未 包 扩 小数点 位 Dp,段 线的...

1、当您付费下载文档后,您只拥有了使用权限,并不意味着购买了版权,文档只能用于自身使用,不得用于其他商业用途(如 [转卖]进行直接盈利或[编辑后售卖]进行间接盈利)。
2、本站所有内容均由合作方或网友上传,本站不对文档的完整性、权威性及其观点立场正确性做任何保证或承诺!文档内容仅供研究参考,付费前请自行鉴别。
3、如文档内容存在违规,或者侵犯商业秘密、侵犯著作权等,请点击“违规举报”。

碎片内容

按键与显示电路的设计与实现

确认删除?
VIP
微信客服
  • 扫码咨询
会员Q群
  • 会员专属群点击这里加入QQ群
客服邮箱
回到顶部