电脑桌面
添加小米粒文库到电脑桌面
安装后可以在桌面快捷访问

某灭火消火栓施工组织设计

某灭火消火栓施工组织设计_第1页
1/13
某灭火消火栓施工组织设计_第2页
2/13
某灭火消火栓施工组织设计_第3页
3/13
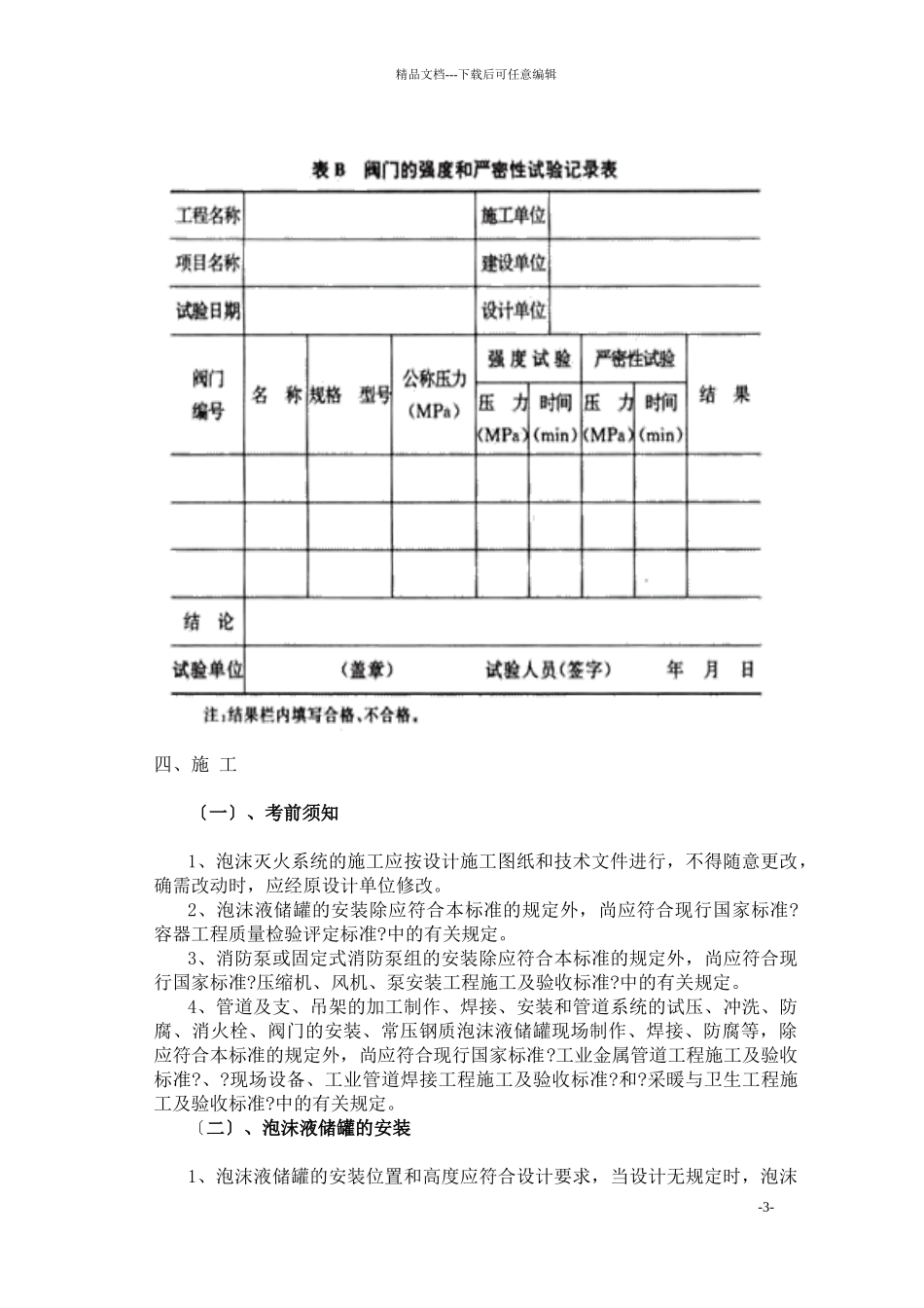
精品文档---下载后可任意编辑施 工 组 织 设 计一、编制依据昌乐 30 万吨煤焦油深加工工程消防工程图纸?建筑设计防火标准?GBJ 16-87〔2001 年版〕泡沫灭火系统设计标准 GB50151—92 二、施工布置工程部组织机构主要施工管理人员表名称姓名职务联系 工程负责人夏方民工程经理技术负责人张少杰工程师三、施工准备泡沫灭火系统施工前应具备以下技术资料: 设计施工图、设备的安装使用说明书以及其他必要的技术文件;泡沫发生装置、泡沫比例混合器、固定式消防泵组、消火栓等主要设备的国家质量监督检验测试中心出具的检测报告和产品出厂合格证;阀门、压力表、管道过滤器、金属软管、管子及管件等出厂检验报告或合格证。泡沫灭火系统的施工应具备以下条件: 设计单位向施工单位已进行了技术交底,并有记录;设备、管子及管件的规格型号符合设计要求;与施工有关的根底、预埋件和预留孔,经检查符合设计要求;场地、道路、水,电等临时设施应满足施工要求。主要设备和材料的外观检查〔一〕、泡沫灭火系统施工前应对泡沫发生装置、泡沫比例混合器、泡沫液储罐、消防泵或固定式消防泵组、消火栓、阀门、压力表、管道过滤器、金属软管等设备及零配件进行外观检查,并应符合以下规定:1、无变形及其他机械性损伤;2、 外露非机械加工外表保护涂层完好;3、无保护涂层的机械加工面无锈蚀;4、所有外露接口无损伤,堵、盖等保护物包封良好;5、铭牌清楚、牢固; 6、消防泵或固定式消防泵组盘车应灵活,无阻滞,无异常声音;高倍数泡沫发生器用手转动叶轮应灵活;固定式泡沫炮的手动机构应无卡阻现象。〔二〕、泡沫灭火系统施工前应对管子及管件进行外观检查,并应符合以下规定:1、外表无裂纹、缩孔、夹渣、折叠、重皮和不超过壁厚负偏差的锈蚀或凹-1-精品文档---下载后可任意编辑陷等缺陷;2、螺纹外表完整无损伤,法兰密封面平整光洁无毛刺及径向沟槽;3、垫片无老化变质或分层现象,外表无折皱等缺陷。 〔三〕、泡沫液储罐、阀门的强度和严密性检验1、泡沫液储罐的强度和严密性检验应符合以下规定:每个泡沫泵站应抽查1 个,假设不合格,应逐个试验;强度和严密性试验应采纳清水进行,环境温度宜大于 5℃;压力储罐的强度试验压力应为设计压力的 1.25 倍;严密性试验压力应为设计压力。带胶囊的压力储罐可只作严密性试验;常压储罐的严密性试验压力应为储罐装满水后的静压力;强度试验的时间应大于 5min;严密性试验的时间不应小于 ...

1、当您付费下载文档后,您只拥有了使用权限,并不意味着购买了版权,文档只能用于自身使用,不得用于其他商业用途(如 [转卖]进行直接盈利或[编辑后售卖]进行间接盈利)。
2、本站所有内容均由合作方或网友上传,本站不对文档的完整性、权威性及其观点立场正确性做任何保证或承诺!文档内容仅供研究参考,付费前请自行鉴别。
3、如文档内容存在违规,或者侵犯商业秘密、侵犯著作权等,请点击“违规举报”。

碎片内容

某灭火消火栓施工组织设计

您可能关注的文档

确认删除?
VIP
微信客服
  • 扫码咨询
会员Q群
  • 会员专属群点击这里加入QQ群
客服邮箱
回到顶部