电脑桌面
添加小米粒文库到电脑桌面
安装后可以在桌面快捷访问

汽轮机组启动调试总结VIP免费

汽轮机组启动调试总结_第1页
1/3
汽轮机组启动调试总结_第2页
2/3
汽轮机组启动调试总结_第3页
3/3
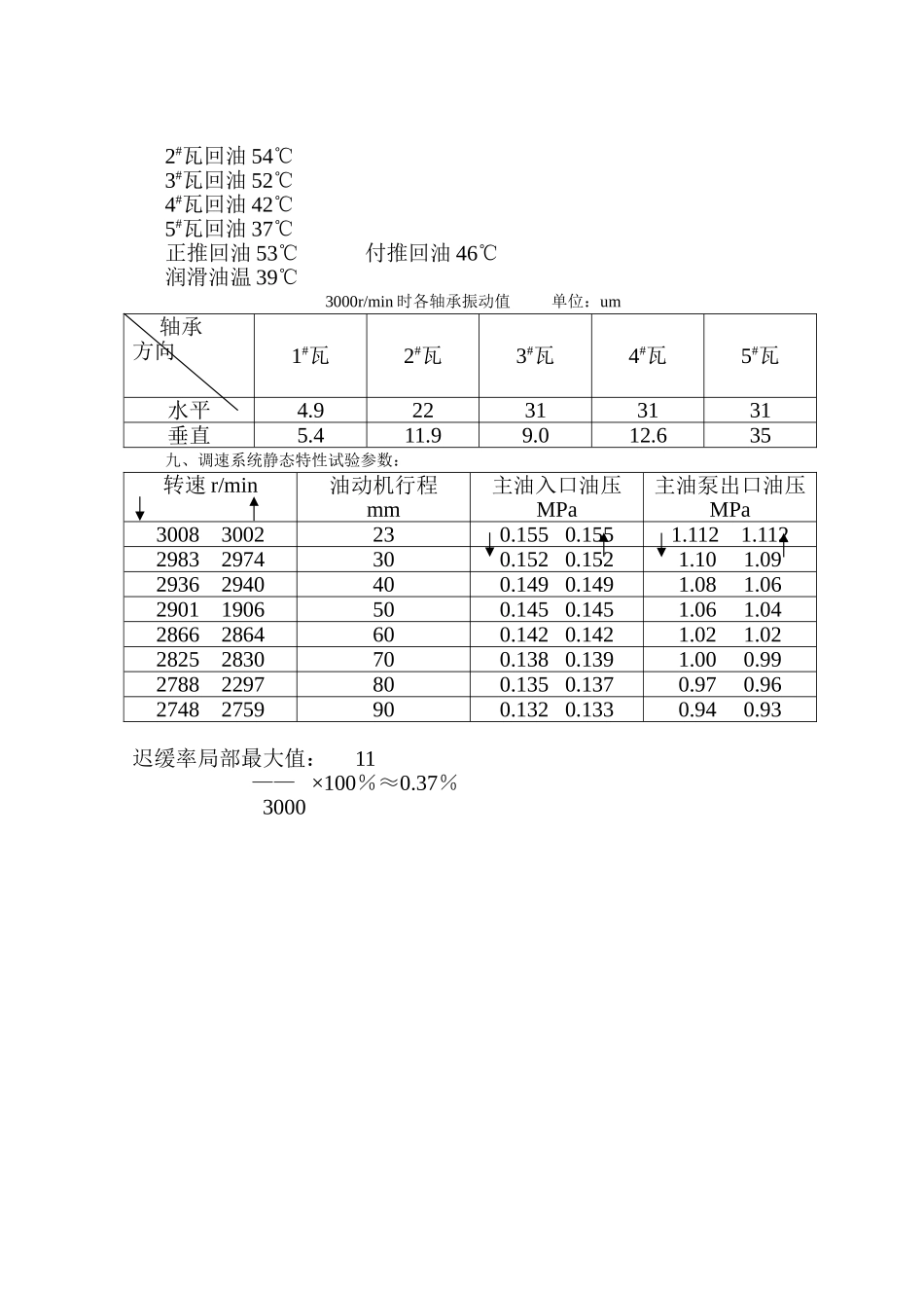
1#汽轮机组启动调试总结一、工程概况:1、海阳龙凤热电厂工程由海阳华都永平热电有限公司投资建设,该机组三大主机分别是中国长江动力公司(集团)提供的C12-4.9/0.98-Ⅵ型抽汽凝汽式汽轮机,武汉汽轮发电机厂提供的QF15-2型汽轮发电机,济南锅炉厂提供的次高压自然循环流化床锅炉,燃烧劣质煤种;静电除尘采用浙江菲达电收尘器厂的静电收尘器,符合环保要求,符合国家对小机组的要求;该电厂由黑龙江电力设计研究院设计;中国建筑第七工程局安装工程公司机电分公司安装并调试。2、该电厂配备有三炉两机,1#汽轮机组于2004年6月20日进行机组启动调试,2004年6月21日完成汽轮机空负荷试运。3、汽轮机设备规范:型式:C12-4.9/0.98-VI额定功率:12MW转速:3000r/min转向:顺汽流方向看为顺时针转子临界转速:1819主汽阀门前蒸汽及其变化范围:设计:4.9MPa/435℃最高:5.1MPa/445℃最低:4.7MPa/420℃冷却水温:设计:27℃最高:33℃排汽压力:0.0056MPa二、调试概况:1#机组于04年6月20日16时35分第一次启动,于04年6月21日22点30分结束,完成了该机空负荷调试工作,其间共启动4次。在试运过程中,严格按照新启规和试运指挥部批准的调试大纲执行,不搞临时启动。甲、乙两方配合密切,互相协调,使试运调整工作有条不紊地进行,顺利完成了空负荷试运。三、机组评价:1#机组在启动试运期间运行稳定,各轴瓦金属温度、回油温度和进、回油温差及各轴瓦振动都在优良范围内,主辅油泵切换正常,各部分油压稳定正常,机组膨胀自如,真空符合设计要求,特别在做超速试验时,该机组表现了良好的稳定性。3200r/min时,4#轴瓦水平振动只有0.0297mm,由于外部原因,该机只作了空负荷调试。四、试验项目及情况:1、自动主汽阀门关闭时间测定机组处于静止状态,采用启动高压交流油泵产生的油压(0.91MPa)进行测定:动作时间小于1秒2、打闸试验机组稳定在3000r/min,在就地和控制室打闸自动主汽阀门能迅速关闭,此时进汽压力4.75MPa真空0.091MPa。3、脉冲油压整定机组稳定在3000r/min后,脉冲油整定为0.44MPa。4、自动主汽阀门严密性试验打闸前主汽参数:4.3MPa/425℃,真空0.087MPa,打闸9分钟后,转速降到947转,此时主汽参数为4.0MPa/420℃,真空0.084MPa。试验结果符合验收技术规范的要求。5、超速试验试验结果:第一次3221转/分第二次3220转/分6、同步器上、下限同步器上限:3197转/分(4.6MPa/415℃)同步器下限:2835转/分(4.3MPa/420℃)五、试运中出现的问题及其处理:1、在第一次启动时出现前汽封喷出汽水现象是因操作不当没开前汽封回汽去后汽封阀门造成。2、在第二次冲转到2850r/min时发现机组不定速,经分析是油动机连接杆调整不当造成,经小范围调整(约2mm)无效,后因大三通垫片漏汽打闸停机后调整好油动机连杆,第4次开机定速为2857r/min。六、试验数据:1、主汽阀门最大行程110mm(以指针为准)2、迟缓率0.37%(局部最大)3、转子惰走时间25分钟4、当同步器在下限位置时,油动机2260r/min时动作七、目前存在的问题及建议:1、建议轴封加热器在投汽封前投入运行以减少前后汽封向1#、2#轴承的漏汽。2、建议停机时真空到零后才能退出汽封运行,防止空气漏入汽缸造成事故。3、均压箱减温水投入运行时,一定要非常小心,开阀门时一定要非常缓慢,严防汽封带水造成事故发生。4、电机转子临界转速约1400r/min,建议中速暖机避开该转速,中速暖机1200r/min为宜。5、自动主汽门开至110mm时会自动关闭,因此建议自动主汽门运行最大开度放在90~95mm为宜。6、应完善保温,消除漏点。7、机组转速2750r/min以上时,主油泵开始工作,高压油泵退出时建议2800r/min以上,此时高压油泵电流38A左右。八、机组3000r/min各项参数:热胀3.2mm主汽压4.7MPa真空0.091MPa排汽温度96℃1#瓦回油53℃2#瓦回油54℃3#瓦回油52℃4#瓦回油42℃5#瓦回油37℃正推回油53℃付推回油46℃润滑油温39℃3000r/min时各轴承振动值单位:um轴承方向1#瓦2#瓦3#瓦4#瓦5#瓦水平4.922313131垂直5.411.99.012.635九、调速系统静态特性试验参数:转速r/min油动机行程mm主油入口油压MPa主油泵出口油压MPa30083002230....

1、当您付费下载文档后,您只拥有了使用权限,并不意味着购买了版权,文档只能用于自身使用,不得用于其他商业用途(如 [转卖]进行直接盈利或[编辑后售卖]进行间接盈利)。
2、本站所有内容均由合作方或网友上传,本站不对文档的完整性、权威性及其观点立场正确性做任何保证或承诺!文档内容仅供研究参考,付费前请自行鉴别。
3、如文档内容存在违规,或者侵犯商业秘密、侵犯著作权等,请点击“违规举报”。

碎片内容

汽轮机组启动调试总结

文章天下+ 关注
实名认证
内容提供者

各种文档应有尽有

确认删除?
VIP
微信客服
  • 扫码咨询
会员Q群
  • 会员专属群点击这里加入QQ群
客服邮箱
回到顶部