电脑桌面
添加小米粒文库到电脑桌面
安装后可以在桌面快捷访问

负反馈放大电路实验

负反馈放大电路实验_第1页
1/6
负反馈放大电路实验_第2页
2/6
负反馈放大电路实验_第3页
3/6
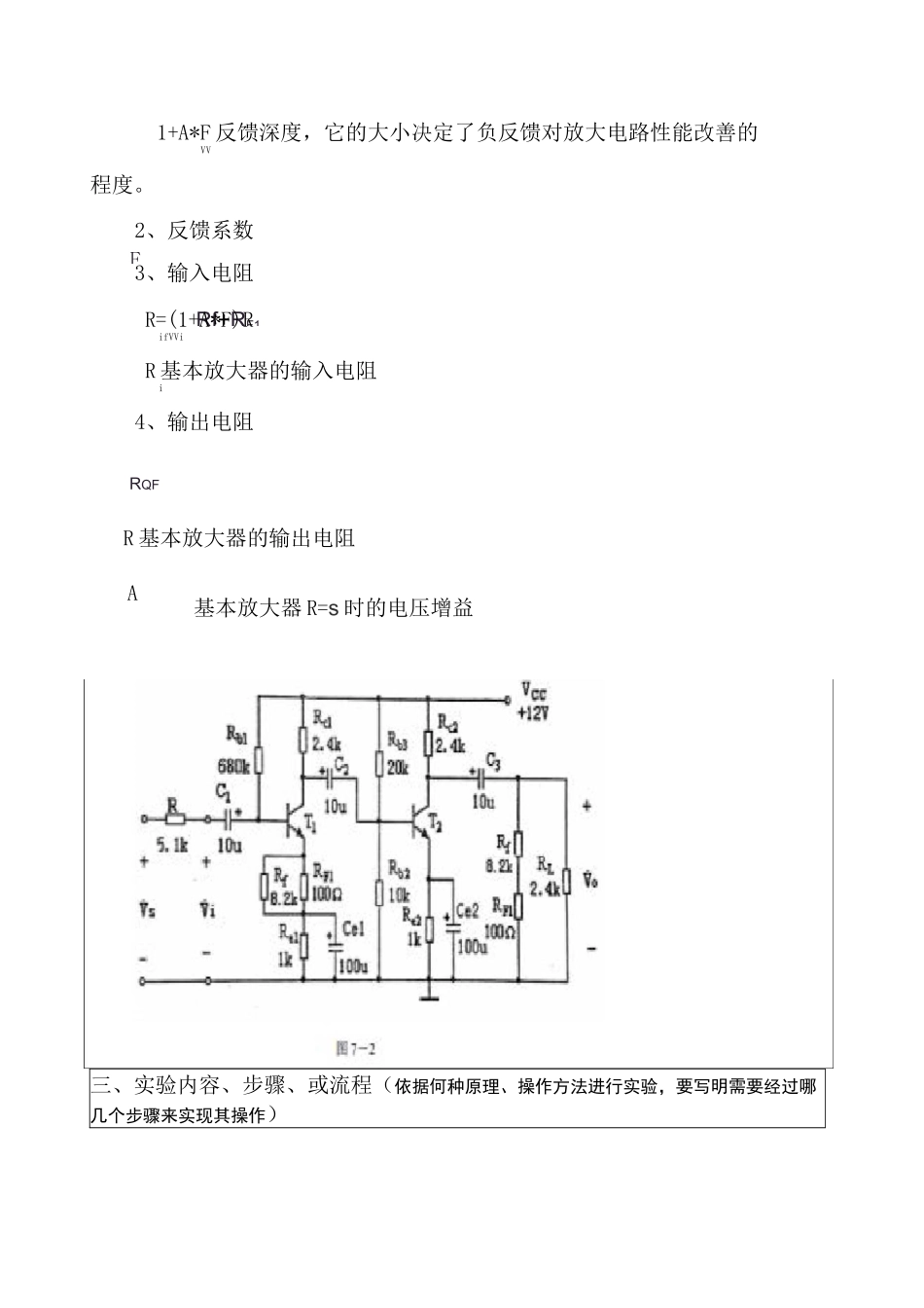
1基本放大器(无反馈)的电压增益,即开环电压增益。实验项目负反馈放大电路实验日期2021 年 10 月 27 日(星期二第 1、2 节)实验成绩一、目的和要求(目的要明确,抓住重点,符合实验指导书中的要求)1、加深对负反馈放大电路的认识。2、加深理解放大电路中引入负反馈的方法。3、加深理解负反馈对放大电路各项性能指标的影响。—二、~:实验原^理~(用最简练的语言反映实验的内容)1、闭环电压增益图 7—1 为带有负反馈的两级阻容耦合放大电路。料?-]対更滾总尢业瞎FRf+RF1Avo基本放大器 R=s 时的电压增益1+A*F 反馈深度,它的大小决定了负反馈对放大电路性能改善的VV程度。2、反馈系数3、输入电阻R=(1+A*F)RifVViR 基本放大器的输入电阻i4、输出电阻RQFR 基本放大器的输出电阻三、实验内容、步骤、或流程(依据何种原理、操作方法进行实验,要写明需要经过哪几个步骤来实现其操作)1、测量静态工作点按图 7—1 连接实验电路,取 V=+12V,V 用直流电压表分别测量第一CCi0级、第二级的静态工作点,记入表 7—1。2、测试基本放大电路的各项性能指标将实验电路图按图 7—2 改接开环状态,即把 R 断开后分别并在 R 和 RfF1L上,其它连线不动。1)测量中频电压增益 A,输入电阻 R 和输出电阻 R。Vio① 以 f=1KHz,V 约 5mV 正弦信号输入放大器,用示波器监视输出波形 V,So在 V 不失真的情况下,用交流毫伏表测量 V,V,V,记入表 7—2。oSiL② 保持 V 不变,断开负载电阻 R(注意,R 不要断开),测量空载时的输出SLf电压 V,记入表 7—2。o2)测量通频带接上 R,保持 1)中的 V 不变,然后增加和减小输入信号LS的频率,找出上、下限频率 f 和 f,记入表 7—3。HL3、测试负反馈放大器的各项性能指标将实验电路恢复为图 7—1 的负反馈放大电路。适当加大 V(约 10mV),S在输出波形不失真的条件下,测量负反馈放大器 A、R 和 R,记入表 7—2;Vfifof测量 f 和 f,记入表 7—3。HfLf4、观察负反馈对非线性失真的改善1)实验电路改接成基本放大电路形式,在输入端加入 f=1KHz 的正弦信基本放大电歸负反馈放大电路号,输出端接示波器,逐渐增大输入信号的幅度,使输出波形开始出现失真,记下此时的波形和输出电压的幅度。2)再将实验电路改接成负反馈放大电路形式,增大输入信号幅度,使输出电压幅度的大小与 1)相同,比较有负反馈时,输出波形的变化。输入端接入 f=1KHz,V=6mV 的正弦信...

1、当您付费下载文档后,您只拥有了使用权限,并不意味着购买了版权,文档只能用于自身使用,不得用于其他商业用途(如 [转卖]进行直接盈利或[编辑后售卖]进行间接盈利)。
2、本站所有内容均由合作方或网友上传,本站不对文档的完整性、权威性及其观点立场正确性做任何保证或承诺!文档内容仅供研究参考,付费前请自行鉴别。
3、如文档内容存在违规,或者侵犯商业秘密、侵犯著作权等,请点击“违规举报”。

碎片内容

负反馈放大电路实验

wxg+ 关注
实名认证
内容提供者

该用户很懒,什么也没介绍

相关文档

确认删除?
VIP
微信客服
  • 扫码咨询
会员Q群
  • 会员专属群点击这里加入QQ群
客服邮箱
回到顶部