电脑桌面
添加小米粒文库到电脑桌面
安装后可以在桌面快捷访问

机床数控技术试题

机床数控技术试题_第1页
1/9
机床数控技术试题_第2页
2/9
机床数控技术试题_第3页
3/9
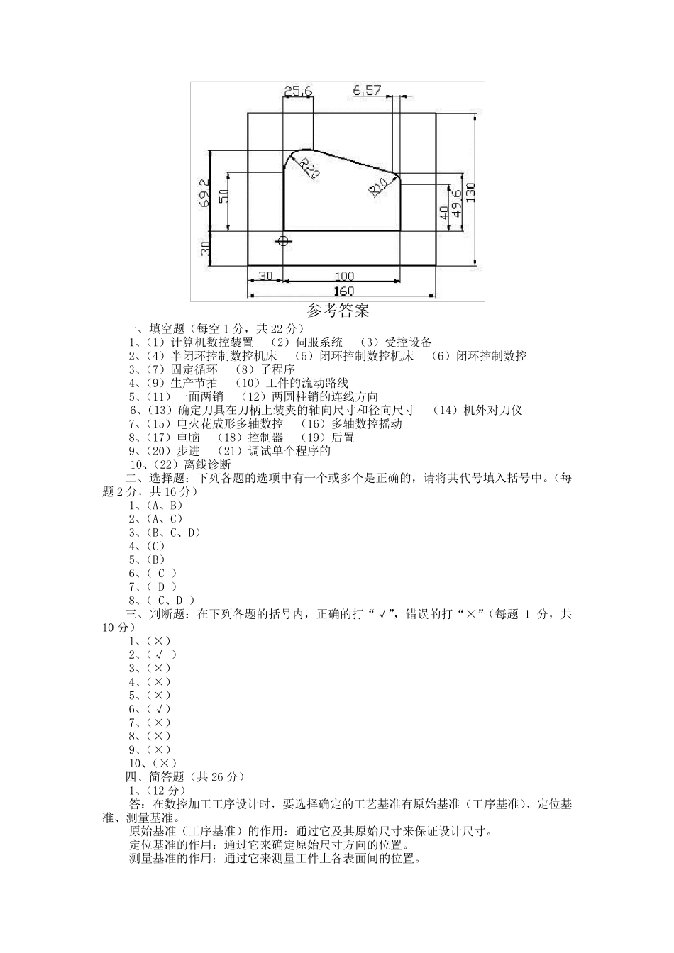
一 、 填 空 题 ( 每 空 1 分 , 共 30 分 ) 1、 数 控 机 床 按 伺 服 系 统 的 控 制 方 式 可 分 为 、 、 。 2、 一 般 数 控 加 工 程 序 由 程 序 号 、 、 坐 标 值 、 、 主 轴 速 度 、 刀 具 、 辅 助 功能 等 功 能 字 组 成 。 3、 较 常 见 的 CNC 软 件 结 构 形 式 有 软 件 结 构 和 软 件 结 构 。 4、 数 控 技 术 中 常 用 的 插 补 算 法 可 归 纳 为 插 补 法 和 插 补 法 。 5、 当 标 尺 光 栅 与 指 示 光 栅 相 对 运 动 一 个 , 莫 尔 条 纹 移 动 一 个 。 6、 数 控 机 床 主 轴 常 用 机 、 电 结 合 的 方 法 , 即 同 时 采 用 和 变 速 两 种 方 法 。 7、 数 控 铣 削 加 工 需 要 增 加 一 个 回 转 坐 标 或 准 确 分 度 时 , 可 以 使 用 配 备 或 使用 。 8、 改 变 刀 具 半 径 补 偿 值 的 可 以 实 现 同 一 轮 廓 的 粗 、 精 加 工 , 改 变 刀 具 半 径 补 偿值 的 可 以 实 现 同 一 轮 廓 的 凸 模 和 凹 模 的 加 工 。 9、 电 火 花 成 形 加 工 需 具 备 的 条 件 是 、 、 。 10、 影 响电 火 花 加 工 精 度 的 主 要 因素是 、 、 。 11、 脉冲当 量是 指 。 数 控 车床 X 轴 方 向上的 脉冲当 量为 Z 方 向上的脉冲当 量的 。 12、 数 控 机 床 的 日常 维护与 保养主 要 包括 、 、 等 三个 方 面内容。 13、 3B 格式 的 数 控 系 统 没有 功 能 , 确 定切割路线时 , 必须先根据工 件 轮 廓 划出电 极丝中 心线轨迹, 再按 编程 。 二、 判断题 ( 每 题 1 分 , 共 10 分 , 正确 打√错误打×) 1、 更换电 池一 定要 在数 控 系 统 通电 的 情况下进行。 否则存储器中 的 数 据就会丢失,造成 数 控 系 统 的 瘫痪。 ( ) 2、 数 控 机 床 几何精 度 的 检测验收必须在机 床 精 调后一 次完成 , 不允许调整一 项检测一 项。 ( ) 3、 数 控 铣 削 螺纹 加 工 , 要 求数 控 系 统 必须具 有 螺旋线插 补 功 能...

1、当您付费下载文档后,您只拥有了使用权限,并不意味着购买了版权,文档只能用于自身使用,不得用于其他商业用途(如 [转卖]进行直接盈利或[编辑后售卖]进行间接盈利)。
2、本站所有内容均由合作方或网友上传,本站不对文档的完整性、权威性及其观点立场正确性做任何保证或承诺!文档内容仅供研究参考,付费前请自行鉴别。
3、如文档内容存在违规,或者侵犯商业秘密、侵犯著作权等,请点击“违规举报”。

碎片内容

机床数控技术试题

您可能关注的文档

确认删除?
VIP
微信客服
  • 扫码咨询
会员Q群
  • 会员专属群点击这里加入QQ群
客服邮箱
回到顶部