电脑桌面
添加小米粒文库到电脑桌面
安装后可以在桌面快捷访问

机房模块化智能配电监控整体解决方案VIP专享

机房模块化智能配电监控整体解决方案_第1页
1/15
机房模块化智能配电监控整体解决方案_第2页
2/15
机房模块化智能配电监控整体解决方案_第3页
3/15
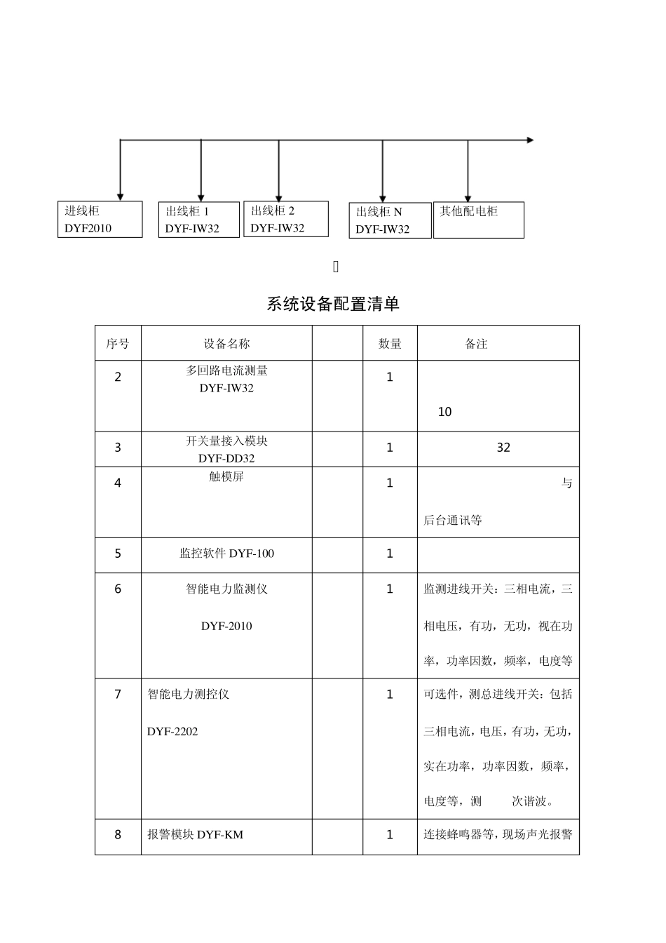
机房模块化智能配电监控整体解决方案 进线柜 DYF-100 智能开关柜监控系统 概述:本系统以触摸屏HMI 为核心,配以高度集成的电气和开关状态监测模块,监测配电柜:抽出式或固定式的进线柜及各个出线配电柜的电气参数,以达到对整个配电系统的实时监控和电力运行质量的有效管理。 1.功能简介 1.1 进线柜:监测三相电压、三相电压、有功功率、无功功率、视在功率、频率、功率因数、电度、开关状态等;可选功能:电流电压谐波畸变含量、中性线电流、零地电压等 1.2 抽屉柜:监测每个输出开关电流和开关状态。可选功能:抽屉柜的输出开关的三相电压、三相电压、有功功率、无功功率、视在功率、频率、功率因数、电度,谐波畸变含量;抽屉柜的柜内温度湿度,开关温升等。 1.3 电力质量管理,电流百分比,电气参数最大值最小值统计存储,负荷管理,事件记录等。可选功能:电容器投切,电容器保护。 1.4 现场告警:可以设置所有被采电参数的越限阀值,由报警模块驱动现场报警设备。 2.特点 2.1 模块化,一个进线柜和抽屉柜均由功能模块进行电参数采集。 2.2 高度集成,模块可以取代配电柜上的所有的监测仪表,以减少硬件成本,所有数据上传到触摸屏上显示和管理,让现场的阅读与远程传递高效明了。 2.3 高度智能,每个模块均自带 RS485 接口,可以进行自由的远程数据传递。 3..系统拓扑图 远方计算机 触摸屏 系统设备配置清单 序号 设备名称 说明 数量 备注 2 多回路电流测量 DYF-IW32 计量 1 每个抽屉柜一个,最多可以监测 10 路三相电流 3 开关量接入模块 DYF-DD32 1 最多可以接入 32 个辅助接点 4 触模屏 1 生成界面,设置告警阀值,与后台通讯等 5 监控软件DYF-100 1 6 智能电力监测仪 DYF-2010 1 监测进线开关:三相电流,三相电压,有功,无功,视在功率,功率因数,频率,电度等 7 智能电力测控仪 DYF-2202 可选件 1 可选件,测总进线开关:包括三相电流,电压,有功,无功,实在功率,功率因数,频率,电度等,测3~37次谐波。 8 报警模块DYF-KM 可选件 1 连接蜂鸣器等,现场声光报警 进线柜 DYF2010 出线柜 1 DYF-IW32 出线柜 2 DYF-IW32 出线柜 N DYF-IW32 其他配电柜 9 控制模块DYF-KK16 可选件 1 可选件,16路5A/250V继电器输出,带远程控制接口,控制电容器的投切等。 10 其他职能设备 接入计量电能表等 参考界面简介 欢迎使用DYF-100 系统,此...

1、当您付费下载文档后,您只拥有了使用权限,并不意味着购买了版权,文档只能用于自身使用,不得用于其他商业用途(如 [转卖]进行直接盈利或[编辑后售卖]进行间接盈利)。
2、本站所有内容均由合作方或网友上传,本站不对文档的完整性、权威性及其观点立场正确性做任何保证或承诺!文档内容仅供研究参考,付费前请自行鉴别。
3、如文档内容存在违规,或者侵犯商业秘密、侵犯著作权等,请点击“违规举报”。

碎片内容

机房模块化智能配电监控整体解决方案

确认删除?
VIP
微信客服
  • 扫码咨询
会员Q群
  • 会员专属群点击这里加入QQ群
客服邮箱
回到顶部