电脑桌面
添加小米粒文库到电脑桌面
安装后可以在桌面快捷访问

机械制造工艺学赵长发版自编经典习题答案

机械制造工艺学赵长发版自编经典习题答案_第1页
1/16
机械制造工艺学赵长发版自编经典习题答案_第2页
2/16
机械制造工艺学赵长发版自编经典习题答案_第3页
3/16
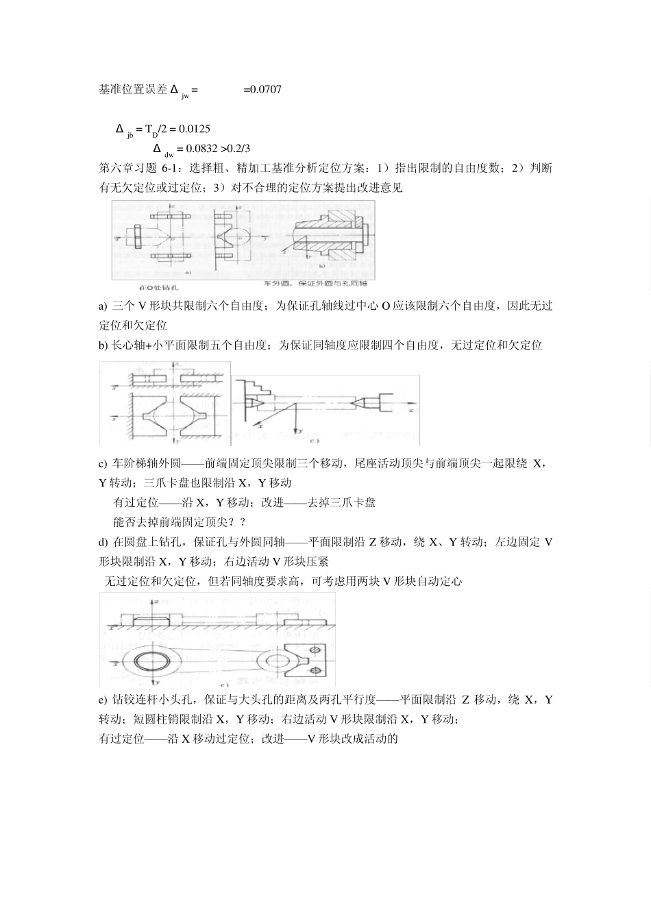
六、(10 分)如图所示零件,外圆、内孔及各轴向端面均已加工好,现铣出右端缺口,保证尺寸和26±0.2,试求调刀所用的工艺尺寸L 和H。 解:(1)尺寸L 的尺寸链如图1 所示。 26 为封闭环,L、50 为增环,10、20 为减环。 由尺寸链公式: 26=L+50-10-20 L=6 0.2=ESL+0-(0-0.1) ESL=0.1 -0.2=EIL-0.1-(0.05-0.1) EIL=-0.15 L=6 (2)尺寸H 的尺寸链如图2 所示。 5 为封闭环,H 为增环,20 为减环。 根据尺寸链公式求得: H= 50 060 . 02 . 0 06 . 0 25   1 . 0 15 . 0   10 26 20 L 50 图1 图2 H 20 5 B 方案:1) 关于对称度的定位误差:Δ dw =0 2)关于工序尺寸54 的定位误差: Δ dw = Δ jw+Δ jb =Td/2 - Δ dw = 0.05-0.1×0.707=0.0207 C 方案: 1) 关于对称度的定位误差: Δ dw = Δ jw + Δ jb =0.08 Δ jw =Dmax-dmin=0.06 (考虑任意边接触) Δ jb=0.02(考虑同轴度) 定位面是内孔,工序基准是外圆轴线,不在同一要素上,两误差相加 2)关于工序尺寸54 的定位误差: Δ dw = Δ jw + Δ jb =0.13 Δ jb=0.02+0.05=0.07 Δ jw =Dmax-dmin=0.06 D 方案1) 关于对称度的定位误差:Δ dw = Δ jb =Td/2 =0.05, 2)关于工序尺寸54 的定位误差: Δ dw = 0 方案比较: 1)由于C、D 方案关于对称度的定位误差 >对称度公差,不能用 2) B 方案:关于工序尺寸54 的定位误差: Δ dw = 0.0207,只占该工序尺寸公差的15%; 关于对称度的定位误差:Δ dw = 0,因此该方案可用 01.080 d 025.0035 D2.005.38 H2sin2dT基准位置误差 Δ jw = =0.0707 Δ jb = TD/2 = 0.0125 Δ dw = 0.0832 >0.2/3 第六章习题 6-1:选择粗、精加工基准分析定位方案:1)指出限制的自由度数;2)判断有无欠定位或过定位;3)对不合理的定位方案提出改进意见 a) 三个 V 形块共限制六个自由度;为保证孔轴线过中心 O 应该限制六个自由度,因此无过定位和欠定位 b) 长心轴+小平面限制五个自由度;为保证同轴度应限制四个自由度,无过定位和欠定位 c) 车阶梯轴外圆——前端固定顶尖限制三个移动,尾座活动顶尖与前端顶尖一起限绕 X,Y 转动;三爪卡盘也限制沿 X,Y 移动 有过定位——沿 X,Y 移动;改进——去掉三爪卡盘 能否去掉前端固定顶尖?? d) 在圆盘上钻孔,保证孔与外...

1、当您付费下载文档后,您只拥有了使用权限,并不意味着购买了版权,文档只能用于自身使用,不得用于其他商业用途(如 [转卖]进行直接盈利或[编辑后售卖]进行间接盈利)。
2、本站所有内容均由合作方或网友上传,本站不对文档的完整性、权威性及其观点立场正确性做任何保证或承诺!文档内容仅供研究参考,付费前请自行鉴别。
3、如文档内容存在违规,或者侵犯商业秘密、侵犯著作权等,请点击“违规举报”。

碎片内容

机械制造工艺学赵长发版自编经典习题答案

您可能关注的文档

确认删除?
VIP
微信客服
  • 扫码咨询
会员Q群
  • 会员专属群点击这里加入QQ群
客服邮箱
回到顶部