电脑桌面
添加小米粒文库到电脑桌面
安装后可以在桌面快捷访问

机械制造装备设计第三章习题答案(关慧贞)

机械制造装备设计第三章习题答案(关慧贞)_第1页
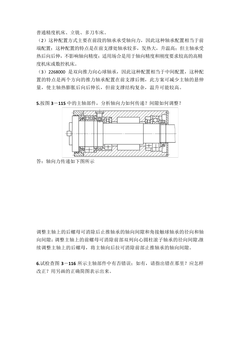
1/26
机械制造装备设计第三章习题答案(关慧贞)_第2页
2/26
机械制造装备设计第三章习题答案(关慧贞)_第3页
3/26
第三章 典型部件设计 1.主轴部件应满足那些基本要求? 答:主轴部件应满足的基本要求有旋转精度、刚度、抗振性、温升热变形和精度保持性等。主轴的旋转精度是指装配后,在无载荷、低速转动条件下,在安装工件或刀具的主轴部位的径向和轴向跳动。旋转精度取决于主轴、轴承、箱体孔等的制造、装配和调整精度。主轴部件的刚度是指其在外加载荷作用下抵抗变形的能力,通常以主轴前端产生单位位移的弹性变形时,在位移方向上所施加的作用力来定义,主轴部件的刚度是综合刚度,它是主轴、轴承等刚度的综合反映。主轴部件的抗振性是指抵抗受迫振动和自激振动的能力。主轴部件的振动会直接影响工件的表面加工质量,刀具的使用寿命,产生噪声。主轴部件的精度保持性是指长期地保持其原始制造精度的能力,必须提高其耐磨性。 2.主轴轴向定位方式有那几种?各有什麽特点?适用场合 答:(1)前端配置 两个方向的推力轴承都分布在前支撑处;特点:在前支撑处轴承较多,发热大,升温高;但主轴承受热后向后伸,不影响轴向精度;适用场合:用于轴向精度和刚度要求较高的高精度机床或数控机床。 (2)后端配置 两个方向的推力轴承都布置在后支撑处;特点:发热小、温度低,主轴受热后向前伸长,影响轴向精度;适用范围:用于普通精度机床、立铣、多刀车床。 (3)两端配置 两个方向的推力轴承分别布置在前后两个支撑处;特点:这类配置方案当主轴受热伸长后,影响轴承的轴向间隙,为避免松动,可用弹簧消除间隙和补偿热膨胀;适用范围:用于短主轴,如组合机床。 (4)中间配置 两个方向的推力轴承配置在前支撑后侧;特点:此方案可减少主轴的悬伸量,使主轴热膨胀后向后伸长,但前支撑结构复杂,温升可能较高。 3.试述主轴静压轴承的工作原理 答:主轴静压轴承一般都是使用液体静压轴承,液体静压轴承系统由一套专用供油系统、节流器和轴承三部分组成。静压轴承由供油系统供给一定压力油,输进轴和轴承间隙中,利用油的静压压力支撑载荷、轴颈始终浮在压力油中。所以,轴承油膜压强与主轴转速无关,承载能力不随转速而变化。静压轴承与动压轴承相比有如下优点:承载能力高;旋转精度高;油膜有均化误差的作用,可提高加工精度;抗振性好;运转平稳;既能在极低转速下工作,也能在极高转速下工作;摩擦小,轴承寿命长。 定压式静压轴承的工作原理如下图所示,在轴承的内圆柱孔上,开有四个对称的油腔1~4。油腔之间由轴向回油槽隔开,油腔四周有封油...

1、当您付费下载文档后,您只拥有了使用权限,并不意味着购买了版权,文档只能用于自身使用,不得用于其他商业用途(如 [转卖]进行直接盈利或[编辑后售卖]进行间接盈利)。
2、本站所有内容均由合作方或网友上传,本站不对文档的完整性、权威性及其观点立场正确性做任何保证或承诺!文档内容仅供研究参考,付费前请自行鉴别。
3、如文档内容存在违规,或者侵犯商业秘密、侵犯著作权等,请点击“违规举报”。

碎片内容

机械制造装备设计第三章习题答案(关慧贞)

确认删除?
VIP
微信客服
  • 扫码咨询
会员Q群
  • 会员专属群点击这里加入QQ群
客服邮箱
回到顶部