电脑桌面
添加小米粒文库到电脑桌面
安装后可以在桌面快捷访问

机械原理课程设计.插床机构设计

机械原理课程设计.插床机构设计_第1页
1/19
机械原理课程设计.插床机构设计_第2页
2/19
机械原理课程设计.插床机构设计_第3页
3/19
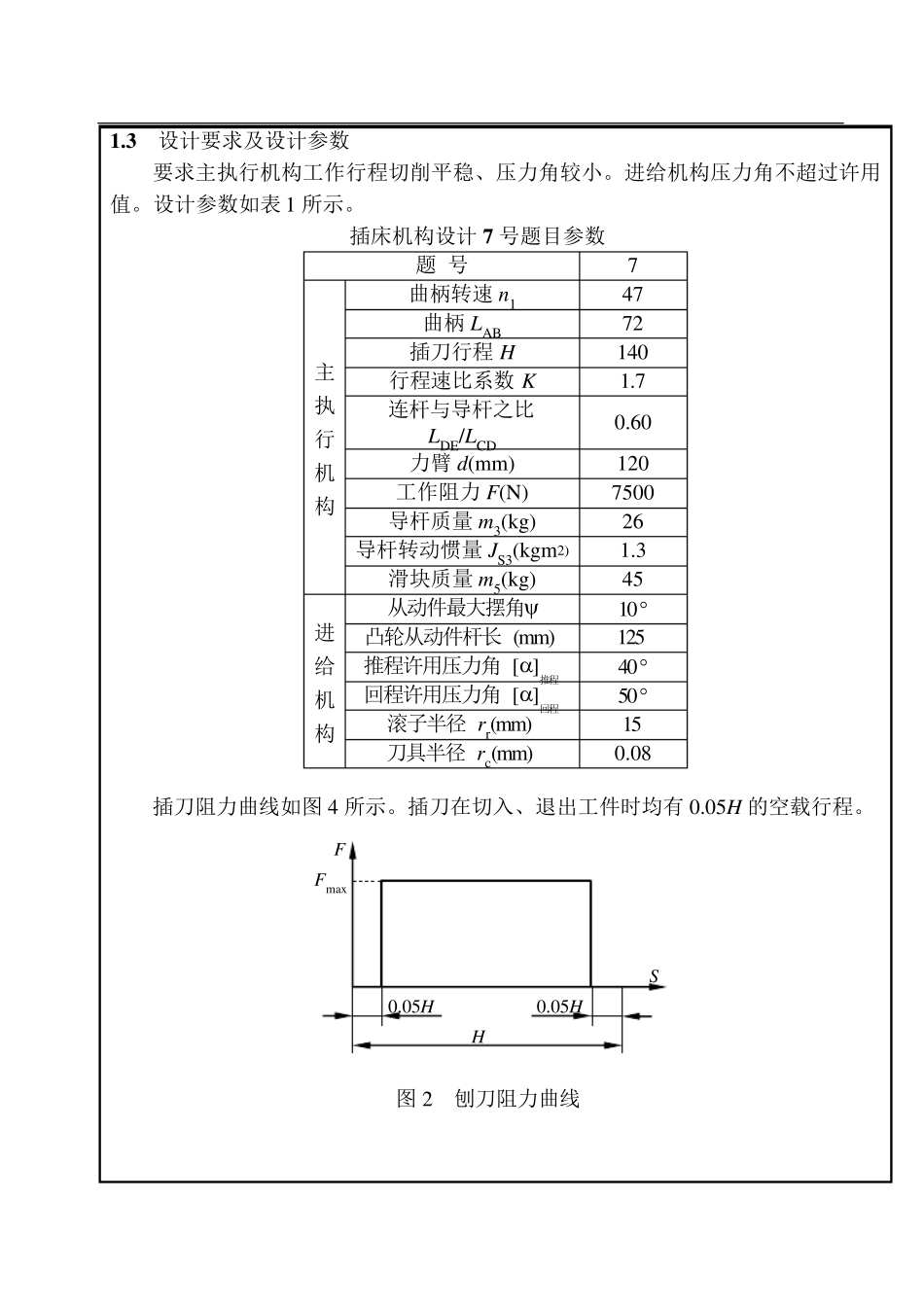
设 计 目 录 1 . 设计任务书 1 .1 设计题目 1 .2 插床简介 1 .3 设计要求及设计参数 1 .4 设计任务 2 . 插床工作原理及功能分解 2 .1 插床工作原理 2 .2 工作分解 3 . 机构的选择 3 .1 机构的选择参考 3 .2 主执行机构的选择 4 . 原动机的选择 5 . 拟定传动系统方案 6 . 绘制工作循环图 7 . 凸轮机构的设计 8 . 插床导杆机构的综合及运动分析 8 .1 插床导杆机构的综合 8 .2 运动分析 9 . 插床导杆机构的动态静力分析 设 计 任 务 书 1 .1 设计题目 插床机构设计 1 .2 插床简介 定义:金属切削机床,用来加工键槽。加工时工作台上的工件做纵向、横向或旋转运动,插刀做上下往复运动,切削工件。 介绍:利用插刀的竖直往复运动插削键槽和型孔的直线运动机床。插床与刨床一样,也是使用单刃刀具(插刀)来切削工件,但刨床是卧式布局,插床是立式布局。插床的生产率和精度都较低,多用于单件或小批量生产中加工内孔键槽或花键孔,也可以加工平面、方孔或多边形孔等,在批量生产中常被铣床或拉床代替。普通插床的滑枕带着刀架沿立柱的导轨作上下往复运动,装有工件的工作台可利用上下滑座作纵向、横向和回转进给运动。键槽插床的工作台与床身联成一体,从床身穿过工件孔向上伸出的刀杆带着插刀边做上下往复运动,边做断续的进给运动,工件安装不像普通插床那样受到立柱的限制,故多用于加工大型零件(如螺旋桨等)孔中的键槽。 工作原理:插床实际是一种立式刨床,在结构原理上与牛头刨床同属一类。插刀随滑枕在垂直方向上的直线往复运动是主运动,工件沿纵向横向及圆周 三 个 方向分别 所 作的间 歇 运动是进给运动。插床的主参 数 是最 大插削长 度。插床是用于加工中小尺 寸 垂直方向的平面或直槽的金属切削机床,多用于单件或小批量生产。 图 1 插床示 意 图 1 .3 设计要求及设计参数 要求主执行机构工作行程切削平稳、压力角较小。进给机构压力角不超过许用值。设计参数如表 1 所示。 插床机构设计7 号题目参数 题 号 7 主执行机构 曲柄转速 n1 47 曲柄 LAB 72 插刀行程H 140 行程速比系数K 1.7 连杆与导杆之比LDE/LCD 0.60 力臂 d(mm) 120 工作阻力 F(N) 7500 导杆质量 m3(kg) 26 导杆转动惯量 JS3(kgm2) 1.3 滑块质量 m5(kg) 45 进给机构 从动件最大摆角 10 凸轮从动件杆长 (mm) 125 推程许...

1、当您付费下载文档后,您只拥有了使用权限,并不意味着购买了版权,文档只能用于自身使用,不得用于其他商业用途(如 [转卖]进行直接盈利或[编辑后售卖]进行间接盈利)。
2、本站所有内容均由合作方或网友上传,本站不对文档的完整性、权威性及其观点立场正确性做任何保证或承诺!文档内容仅供研究参考,付费前请自行鉴别。
3、如文档内容存在违规,或者侵犯商业秘密、侵犯著作权等,请点击“违规举报”。

碎片内容

机械原理课程设计.插床机构设计

您可能关注的文档

小辰5+ 关注
实名认证
内容提供者

出售各种资料和文档

确认删除?
VIP
微信客服
  • 扫码咨询
会员Q群
  • 会员专属群点击这里加入QQ群
客服邮箱
回到顶部