电脑桌面
添加小米粒文库到电脑桌面
安装后可以在桌面快捷访问

机械常识与钳工技能教学大纲教材

机械常识与钳工技能教学大纲教材_第1页
1/7
机械常识与钳工技能教学大纲教材_第2页
2/7
机械常识与钳工技能教学大纲教材_第3页
3/7
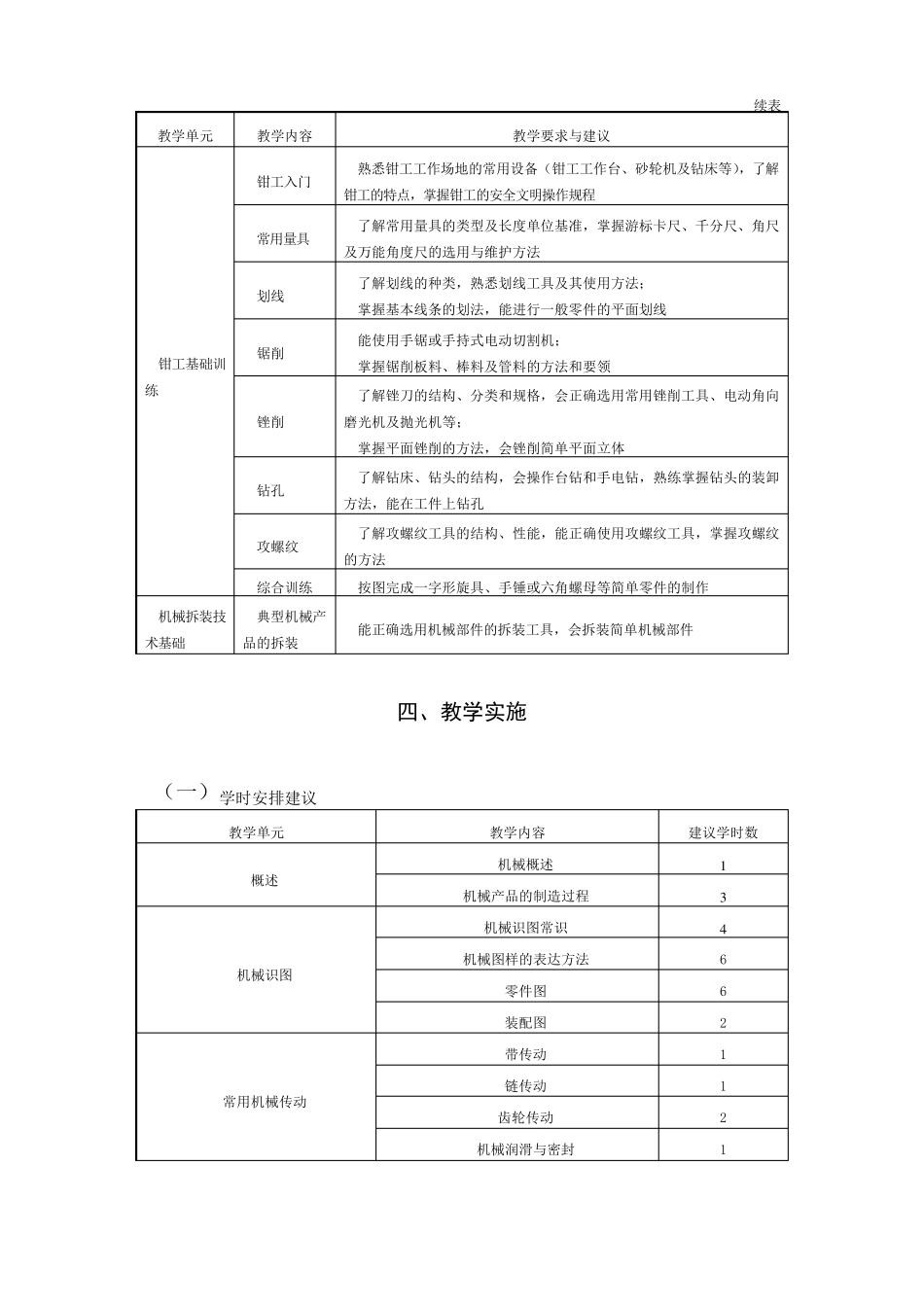
机 械 常 识 与钳工技能教学基本要求 (6 4 学时) 中等职业学校机 械 常 识 与钳工实训教学大纲 一、课程性质与任务 本课程是中等职业学校非机类相关专业的一门基础课程。其任务是:使学生具备从事非机类相关专业工作所必备的机械常识和钳工技能,为学习后续专业课程打下基础;培养非机类专业学生解决涉及机械方面实际问题的基本能力;对学生进行职业意识培养和职业道德教育,使其形成严谨、敬业的工作作风,为今后解决生产实际问题和职业生涯的发展奠定基础。 二、课程教学目标 使学生了解机械制图国家标准及常用规定;了解机械图样的一般表达方法,会识读专业范围内的简单的机械图样;了解极限与配合、表面结构与表面粗糙度标注的含义,能识读简单的零件图;了解常用工程材料的性能及应用;掌握钳工常用工、量、刃具的选择方法,并能正确使用;了解钳工的基本工艺分析方法,能按图完成简单零件的钳工制作;了解常用机械传动的一般常识,会拆装简单的机械部件,能运用所学的专业基础知识解决一些简单的机械技术问题。 培养学生对机械技术的兴趣爱好,帮助学生了解机械技术常用的认知方法,养成自主学习的习惯,形成良好的职业道德和职业情 感 ,提 高 适 应职业变 化 的能力;遵 守 职业道德和职业规范,树 立安 全 生产、节 能环 保 和产品 质 量等职业意识。 三、教学内容与要求 教学单元 教学内容 教学要 求 与建 议 概 述 机械概 述 可 通 过 图片 、多 媒 体 等教学手 段 ,了解零件、部件、构件、机械和机器 的基本概 念 机械产品 的制造 过 程 可 采 用参 观 等结合现 场 教学的方法,了解机械产品 的制造 过 程及与机械产品 制造 过 程相关的工种 分类和特 点 ,了解机械产品 制造 的相关规程,培养环 保 、节 能意识 续表 教学单元 教学内容 教学要求与建议 机械识图 机械识图常识 可采用实物、模型、挂图或多媒体等教学手段,了解实物与视图的对应关系及特点; 了解国家机械制图标准的相关规定; 了解正投影的概念,理解基本几何体的三视图,能识读简单组合体的三视图 机械图样的表达方法 可采用实物、模型、挂图或多媒体等教学手段,理解并能识读基本视图、简单的剖视图和断面图; 了解斜视图、局部视图和局部放大图的基本概念 零件图 结合生产实际,可采用多媒体等教学手段,了解零件图的基本内容、零件的表达形式; 了解零件几何...

1、当您付费下载文档后,您只拥有了使用权限,并不意味着购买了版权,文档只能用于自身使用,不得用于其他商业用途(如 [转卖]进行直接盈利或[编辑后售卖]进行间接盈利)。
2、本站所有内容均由合作方或网友上传,本站不对文档的完整性、权威性及其观点立场正确性做任何保证或承诺!文档内容仅供研究参考,付费前请自行鉴别。
3、如文档内容存在违规,或者侵犯商业秘密、侵犯著作权等,请点击“违规举报”。

碎片内容

机械常识与钳工技能教学大纲教材

小辰5+ 关注
实名认证
内容提供者

出售各种资料和文档

确认删除?
VIP
微信客服
  • 扫码咨询
会员Q群
  • 会员专属群点击这里加入QQ群
客服邮箱
回到顶部