电脑桌面
添加小米粒文库到电脑桌面
安装后可以在桌面快捷访问

机泵安装记录

机泵安装记录_第1页
1/56
机泵安装记录_第2页
2/56
机泵安装记录_第3页
3/56
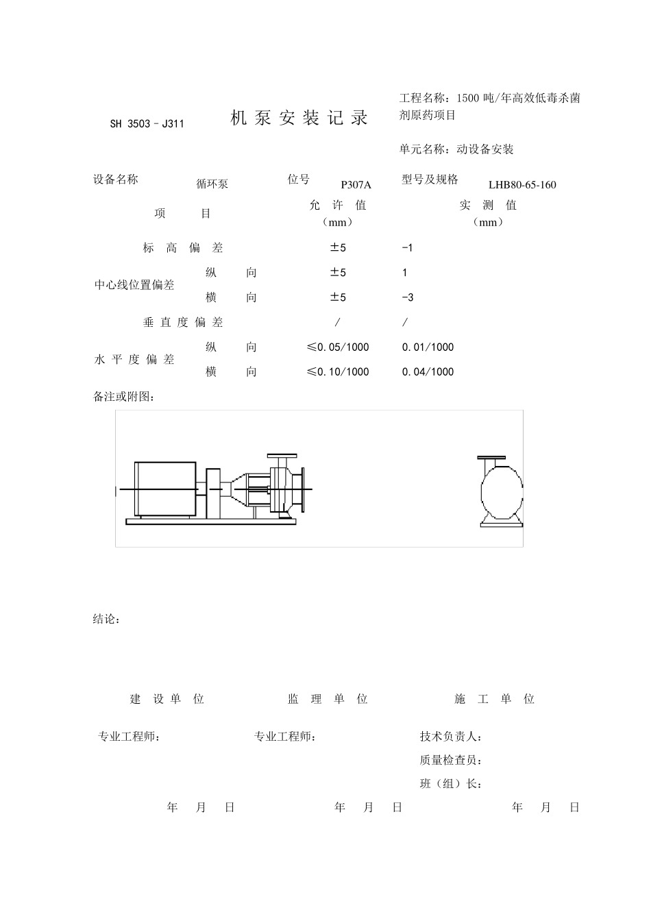
SH 3503–J311 机 泵 安 装 记 录 工程名称:1500 吨/年高效低毒杀菌剂原药项目 单元名称:动设备安装 设备名称 离心机泵 位号 P-105A 型号及规格 LHB50-32-200 项 目 允 许 值 (m m ) 实 测 值 (m m ) 标 高 偏 差 ±5 -1 中心线位置偏差 纵 向 ±5 1 横 向 ±5 -2 垂 直 度 偏 差 / / 水 平 度 偏 差 纵 向 ≤0.05/1000 0.01/1000 横 向 ≤0.10/1000 0.04/1000 备注或附图: 结论: 建 设 单 位 监 理 单 位 施 工 单 位 专业工程师: 年 月 日 专业工程师: 年 月 日 技术负责人: 质量检查员: 班(组)长: 年 月 日 SH 3503–J311 机 泵 安 装 记 录 工程名称:1500 吨/年高效低毒杀菌剂原药项目 单元名称:动设备安装 设备名称 离心机泵 位号 P-105B 型号及规格 LHB50-32-200 项 目 允 许 值 (m m ) 实 测 值 (m m ) 标 高 偏 差 ±5 -2 中心线位置偏差 纵 向 ±5 3 横 向 ±5 -2 垂 直 度 偏 差 / / 水 平 度 偏 差 纵 向 ≤0.05/1000 0.01/1000 横 向 ≤0.10/1000 0.04/1000 备注或附图: 结论: 建 设 单 位 监 理 单 位 施 工 单 位 专业工程师: 年 月 日 专业工程师: 年 月 日 技术负责人: 质量检查员: 班(组)长: 年 月 日 SH 3503–J311 机 泵 安 装 记 录 工程名称:1500 吨/年高效低毒杀菌剂原药项目 单元名称:动设备安装 设备名称 循环泵 位号 P307A 型号及规格 LHB80-65-160 项 目 允 许 值 (m m ) 实 测 值 (m m ) 标 高 偏 差 ±5 -1 中心线位置偏差 纵 向 ±5 1 横 向 ±5 -3 垂 直 度 偏 差 / / 水 平 度 偏 差 纵 向 ≤0.05/1000 0.01/1000 横 向 ≤0.10/1000 0.04/1000 备注或附图: 结论: 建 设 单 位 监 理 单 位 施 工 单 位 专业工程师: 年 月 日 专业工程师: 年 月 日 技术负责人: 质量检查员: 班(组)长: 年 月 日 SH 3503–J311 机 泵 安 装 记 录 工程名称:1500 吨/年高效低毒杀菌剂原药项目 单元名称:动设备安装 设备名称 循环泵 位号 P307B 型号及规格 LHB50-32-200 项 目 允 许 值 (m m ) 实 测 值 (m m ) 标 高 偏 差 ±5 -1 中心线...

1、当您付费下载文档后,您只拥有了使用权限,并不意味着购买了版权,文档只能用于自身使用,不得用于其他商业用途(如 [转卖]进行直接盈利或[编辑后售卖]进行间接盈利)。
2、本站所有内容均由合作方或网友上传,本站不对文档的完整性、权威性及其观点立场正确性做任何保证或承诺!文档内容仅供研究参考,付费前请自行鉴别。
3、如文档内容存在违规,或者侵犯商业秘密、侵犯著作权等,请点击“违规举报”。

碎片内容

机泵安装记录

您可能关注的文档

确认删除?
VIP
微信客服
  • 扫码咨询
会员Q群
  • 会员专属群点击这里加入QQ群
客服邮箱
回到顶部