电脑桌面
添加小米粒文库到电脑桌面
安装后可以在桌面快捷访问

材料样板确认单(石材)

材料样板确认单(石材)_第1页
1/7
材料样板确认单(石材)_第2页
2/7
材料样板确认单(石材)_第3页
3/7
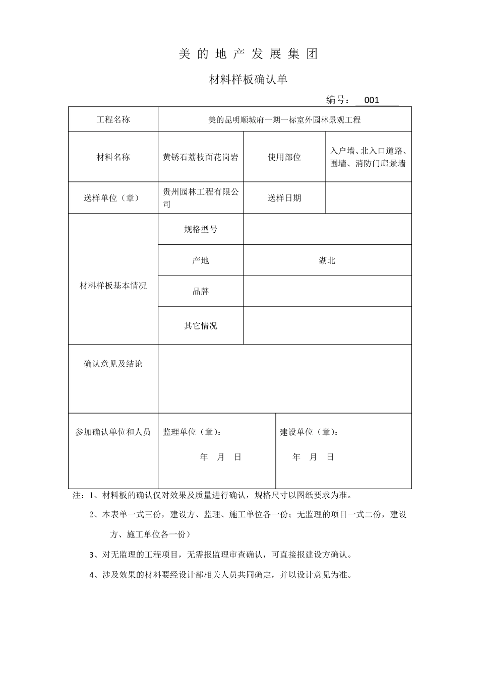
美 的 地 产 发 展 集 团 材料样板确认单 编号: 001 工程名称 美的昆明顺城府一期一标室外园林景观工程 材料名称 黄锈石荔枝面花岗岩 使用部位 入户墙、北入口道路、围墙、消防门廊景墙 送样单位(章) 贵州园林工程有限公司 送样日期 材料样板基本情况 规格型号 产地 湖北 品牌 其它情况 确认意见及结论 参加确认单位和人员 监理单位(章): 年 月 日 建设单位(章): 年 月 日 注:1、材料板的确认仅对效果及质量进行确认,规格尺寸以图纸要求为准。 2、本表单一式三份,建设方、监理、施工单位各一份;无监理的项目一式二份,建设方、施工单位各一份) 3、对无监理的工程项目,无需报监理审查确认,可直接报建设方确认。 4、涉及效果的材料要经设计部相关人员共同确定,并以设计意见为准。 美 的 地 产 发 展 集 团 材料样板确认单 编号: 002 工程名称 美的昆明顺城府一期一标室外园林景观工程 材料名称 白木纹花岗岩 使用部位 北入口门廊 送样单位(章) 贵州园林工程有限公司 送样日期 材料样板基本情况 规格型号 产地 福建 品牌 其它情况 确认意见及结论 参加确认单位和人员 监理单位(章): 年 月 日 建设单位(章): 年 月 日 注:1、材料板的确认仅对效果及质量进行确认,规格尺寸以图纸要求为准。 2、本表单一式三份,建设方、监理、施工单位各一份;无监理的项目一式二份,建设方、施工单位各一份) 3、对无监理的工程项目,无需报监理审查确认,可直接报建设方确认。 4、涉及效果的材料要经设计部相关人员共同确定,并以设计意见为准。 美 的 地 产 发 展 集 团 材料样板确认单 编号: 003 工程名称 美的昆明顺城府一期一标室外园林景观工程 材料名称 芝麻黑光面花岗岩 使用部位 垃圾收集站 北入口 送样单位(章) 贵州园林工程有限公司 送样日期 材料样板基本情况 规格型号 产地 福建 品牌 其它情况 确认意见及结论 参加确认单位和人员 监理单位(章): 年 月 日 建设单位(章): 年 月 日 注:1、材料板的确认仅对效果及质量进行确认,规格尺寸以图纸要求为准。 2、本表单一式三份,建设方、监理、施工单位各一份;无监理的项目一式二份,建设方、施工单位各一份) 3、对无监理的工程项目,无需报监理审查确认,可直接报建设方确认。 4、涉及效果的材料要经设计部相关人员共同确定,并以设计意见...

1、当您付费下载文档后,您只拥有了使用权限,并不意味着购买了版权,文档只能用于自身使用,不得用于其他商业用途(如 [转卖]进行直接盈利或[编辑后售卖]进行间接盈利)。
2、本站所有内容均由合作方或网友上传,本站不对文档的完整性、权威性及其观点立场正确性做任何保证或承诺!文档内容仅供研究参考,付费前请自行鉴别。
3、如文档内容存在违规,或者侵犯商业秘密、侵犯著作权等,请点击“违规举报”。

碎片内容

材料样板确认单(石材)

确认删除?
VIP
微信客服
  • 扫码咨询
会员Q群
  • 会员专属群点击这里加入QQ群
客服邮箱
回到顶部