电脑桌面
添加小米粒文库到电脑桌面
安装后可以在桌面快捷访问

笔记本电脑产品质量保证试验规范

笔记本电脑产品质量保证试验规范_第1页
1/7
笔记本电脑产品质量保证试验规范_第2页
2/7
笔记本电脑产品质量保证试验规范_第3页
3/7
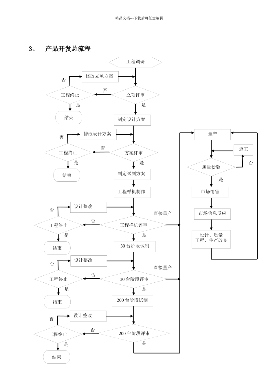
精品文档---下载后可任意编辑产品质量保证试验标准1、 范围本标准规定了笔记本电脑产品开发总流程、试产阶段流程、阶段试验工程、试验样机数量、新品、软硬件更改试验工程等。本标准适用于适用于公司生产的笔记本电脑产品,其它产品可参考使用。2、 标准性引用文件 以下文件中的条款通过本标准的引用而成为本标准的条款。但凡注日期的引用文件,其随后所有的修改单〔不包括勘误的内容〕或修订版均不适用于本标准,然而,鼓舞根据本标准达成协议的各方讨论是否可使用这些文件的最新版本。但凡不注日期的引用文件,其最新版本适用于本标准。是工程调研立项评审是否工程终止结束修改立项方案否是30 台阶段评审是否工程终止结束设计整改否直接量产是方案评审制定设计方案制定试制方案工程样机制作是否工程终止结束修改设计方案否是工程样机评审30 台阶段试制是否工程终止结束设计整改否直接量产量产质量检验返工市场信息反应设计、质量工程、生产改良是200 台阶段试制200 台阶段评审是否工程终止结束设计整改否市场销售是否精品文档---下载后可任意编辑3、产品开发总流程精品文档---下载后可任意编辑4、产品试产阶段流程一览表产品类型试产阶段工程样机〔ES〕30 台试产200 台试产量产新机芯+新结构★★★★新机芯+老结构★★★★老机芯+新结构★★★★老机芯+老结构★★★配新屏★★☆★〔配〕新电源★★★★升级新软件★★更改硬件★☆★功能变更〔硬件〕★★★★功能变更〔软件〕★★★平安关键件★☆☆★电磁兼容件★☆☆★附件变更★★注:★代表必选项 ☆代表可选项。配新屏分为已量产屏、未量产屏两大类,其中技术规格变化较大的已量产屏和未量产屏须经 200台试产后进入量产阶段。 3、产品阶段试验工程一览表序号 试验工程 试验阶段工程样机30 台200 台量产主观评审综合性能评审★研发★★▲QA 日抽样〔局部〕干扰试验〔含弱信号试验、RF 免疫试验〕★研发★★静音测试★研发★★多地区非标测试★研发★★遥控距离、角度测试★研发★★★QA 日抽样工艺评审★工程部★工程部▲QA 日抽样〔局部〕结构评审〔含外观、装配、结构功能、挂墙试验、机振测试等〕★研发★★▲QA 日抽样〔局部〕包装附件评审★★▲QA 日抽样〔局部〕性能试验综合电性能 45 项测试〔含常规、伴音、显示等局部测试〕★★★▲QA 日抽样〔局部〕非标测试 9 项★★★音频测试 12 项〔电参数测试〕★研发★研发★研发精品文档---下载后可任意编辑电...

1、当您付费下载文档后,您只拥有了使用权限,并不意味着购买了版权,文档只能用于自身使用,不得用于其他商业用途(如 [转卖]进行直接盈利或[编辑后售卖]进行间接盈利)。
2、本站所有内容均由合作方或网友上传,本站不对文档的完整性、权威性及其观点立场正确性做任何保证或承诺!文档内容仅供研究参考,付费前请自行鉴别。
3、如文档内容存在违规,或者侵犯商业秘密、侵犯著作权等,请点击“违规举报”。

碎片内容

笔记本电脑产品质量保证试验规范

确认删除?
VIP
微信客服
  • 扫码咨询
会员Q群
  • 会员专属群点击这里加入QQ群
客服邮箱
回到顶部