电脑桌面
添加小米粒文库到电脑桌面
安装后可以在桌面快捷访问

板料下料工艺守则VIP专享

板料下料工艺守则_第1页
1/6
板料下料工艺守则_第2页
2/6
板料下料工艺守则_第3页
3/6
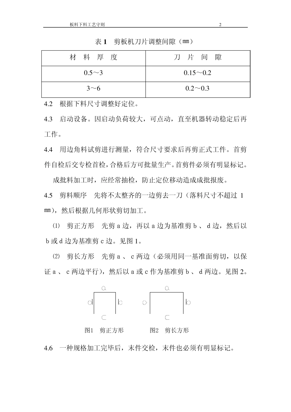
板料下料工艺守则 1 板料下料工艺守则 Q /CD J3401-2009 1 适用范围 本守则适用于我公司生产的各种开关柜、屏、箱的钢板的下料,同时也适用于其它产品的板类材料的下料。 2 使用设备和工具 2 .1 剪板机 2 .2 钢板尺 2 .3 钢卷尺 2 .4 直角尺 2 .5 活搬手 3 工艺准备 3 .1 熟悉图纸和下料清单,查对生产任务单、工艺文件是否与其相符。如有不符应找有关部门核对后方可工作。 3 .2 查对材料规格、型号及技术要求,规格型号不符或质量低劣的材料不得使用。 3 .3 准备好所用的工量具。 3 .4 检查靠尺的垂直度和定位装置。 4 工艺过程 4 .1 根据材料厚度和设备性能选择剪板机,按表 1 调节好刀口间隙。 板料下料工艺守则 2 表1 剪板机刀片调整间隙(㎜) 材 料 厚 度 刀 片 间 隙 0 .5 ~3 0 .1 5 ~0 .2 3 ~6 0 .2 ~0 .3 4 .2 根据下料尺寸调整好定位。 4 .3 启动设备。因启动负荷较大,可点动,直至机器转动稳定后再工作。 4 .4 用边角料试剪进行测量,符合尺寸要求后再剪正式工件。首剪件自检后交专检首检,合格后方可批量生产。首剪件必须有明显标记。 成批料加工时,应经常抽检,防止定位移动造成成批报废。 4 .5 剪料顺序 先将不太整齐的一边剪去一刀(落料尺寸不超过1 5㎜),然后根据几何形状剪切加工。 ⑴ 剪正方形 先剪a边,再以a边为基准剪b、d边,然后以b或d边为基准剪c边。见图 1 。 ⑵ 剪长方形 先剪a、c两边(必须用同一基准面剪切,以保证a、c两边平行),然后以a或c作为基准剪b、d两边。见图 2 。 4 .6 一种规格加工完毕后,末件交检,末件也必须有明显标记。 图1 剪正方形图2 剪长方形板料下料工艺守则 3 5 工艺要求 5 .1 各种零件的材料必须严格按工艺要求(或图纸要求)选用,不得随意更改。对代用材料必须由有关部门申请代用手续后方可使用。 5 .2 板面的平面度每米不大于1 .5㎜,否则应予校平。 5.3 剪料尺寸公差参照表2、表3、图2、图3和图4规定: 表2 剪料尺寸公差(㎜) 标称尺寸 公 差 值 外形 相邻二边垂直度a 截面直线度b 6 ~5 0 -0 .5 0 .5 — 5 1 ~1 2 0 -0 .8 0 .8 — 1 2 1 ~5 0 0 -1 .0 1 .0 0 .5 5 0 1 ~1 2 5 0 -1 .5 1 .0 1 .0 1 2 5 1 ~3 1 5 0 -1 .5 ~2 .0 1 .0 ~1 .5 1 .5 表3 用对...

1、当您付费下载文档后,您只拥有了使用权限,并不意味着购买了版权,文档只能用于自身使用,不得用于其他商业用途(如 [转卖]进行直接盈利或[编辑后售卖]进行间接盈利)。
2、本站所有内容均由合作方或网友上传,本站不对文档的完整性、权威性及其观点立场正确性做任何保证或承诺!文档内容仅供研究参考,付费前请自行鉴别。
3、如文档内容存在违规,或者侵犯商业秘密、侵犯著作权等,请点击“违规举报”。

碎片内容

板料下料工艺守则

确认删除?
VIP
微信客服
  • 扫码咨询
会员Q群
  • 会员专属群点击这里加入QQ群
客服邮箱
回到顶部