电脑桌面
添加小米粒文库到电脑桌面
安装后可以在桌面快捷访问

板材折弯工艺守则VIP专享

板材折弯工艺守则_第1页
1/14
板材折弯工艺守则_第2页
2/14
板材折弯工艺守则_第3页
3/14
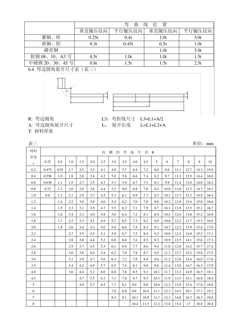
1. 适用范围 1.1 本守则适用于我厂生产高低压配电装置,电器产品所用板材零部件的折弯工序。 1.2 本守则在文件中引用时标记为YHK3-07-032 工艺守则。 2. 材料 2.1 材料应符合图纸要求。 2.2 应具有良好的表面质量,表面应光洁平整、无锈蚀等缺陷,厚度应符合公差规定。 3. 设备及工艺装备 a. 折弯机、上下折弯模具; b. 模具; c. 活扳手、毛刷、手锤、油壶,划针; d. 游标卡尺、钢板尺、卷尺、角度尺等。 4. 工艺装备 4.1 按任务充分熟悉图纸和工艺要求的零件几何形状、折弯尺寸,复算其展开尺寸正确与否。 4.2 根据图纸选用合适模具。 4.3 检查折弯机状况并进行卫生清理及保养 4.4 工件加工完后应对折弯机及模具进行卫生清理 5 工艺操作过程 5. 1 为了保护上下模的精度不受损伤,钢板和模具表面要保证清洁无铁渣、泥沙、污垢,弯板机工作台面严禁放置工具和其他材料,以防设备事故。 5.2 操作过程钢板放置时应注意各边互相垂直,弯好的零件应按不同规格整齐摆放,折弯零件在工序转移时要轻拿轻放,不得磕碰、交迭、挤压、以防变形。 5.3 对焊接钢板,焊缝部分需折弯时,为保证精度需要将弯模刀口接触的焊缝处戳平锉平或避开,以免损伤弯模刀口,V 行凹模。 6 工艺规范 6.1 折弯守则的几点说明: 6.1.1 本折弯守则根据现有折弯机凸凹模的几何形状而定。 6.1.2 不同弯边圆角采用不同 R 的凸模弯制,不同的材料厚度则需调换不同深度(即不同宽度)的凹模弯制。 6.1.3 本守则列有弯角尺边、弯外翘边、弯内翘边的有关极限尺寸表(表四、五、六、七、八)及材料厚度,弯边圆角与凹模深度关系 表,弯边圆角展开尺寸表和各种材料最小弯曲半径表(表一、二、三) 6.1.4 复式弯边是角尺边、外翘边、内翘边的数种情况的相互结合,其弯制方法可参照表九。 6.1.5 本守则适用于板料折弯机的工艺操作,所列的各项参数亦可作为产品图纸弯边设计的依据。 6.2 材料厚度、弯边圆角与凹模深度关系表(表一) 表一(括号内尺寸为数控折弯机尺寸) ㎜ 材料厚度、凹模深度与弯边圆角 材料厚度 t <1 >1-2 >2-3 >3-4 >4-5 >5-6 >6-7 >7-8 >8-9 凹模深度 h 6 8 12 15 18 22 25 28 32-36 最大弯边圆角 (2-3) 4 (3.5-4) 7-3.5 (4-5) 9-5 (4.5-5) 9-5 9-5 11-7 11-7 12-8 13-5 6.3 各种材料最小弯曲半径表(表二) 材 料 退 火 或 正 火 的...

1、当您付费下载文档后,您只拥有了使用权限,并不意味着购买了版权,文档只能用于自身使用,不得用于其他商业用途(如 [转卖]进行直接盈利或[编辑后售卖]进行间接盈利)。
2、本站所有内容均由合作方或网友上传,本站不对文档的完整性、权威性及其观点立场正确性做任何保证或承诺!文档内容仅供研究参考,付费前请自行鉴别。
3、如文档内容存在违规,或者侵犯商业秘密、侵犯著作权等,请点击“违规举报”。

碎片内容

板材折弯工艺守则

确认删除?
VIP
微信客服
  • 扫码咨询
会员Q群
  • 会员专属群点击这里加入QQ群
客服邮箱
回到顶部