电脑桌面
添加小米粒文库到电脑桌面
安装后可以在桌面快捷访问

桥梁BCI检测计算表格

桥梁BCI检测计算表格_第1页
1/8
桥梁BCI检测计算表格_第2页
2/8
桥梁BCI检测计算表格_第3页
3/8
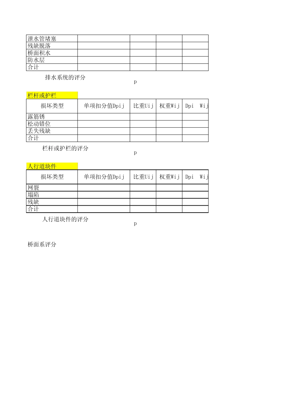
网裂或龟裂0.250.57812523.125波浪及车辙000坑槽0.406250.71530246.4946碎裂或破碎0.250.57812523.125洞穴000桥面贯通横缝000桥面贯通纵缝0.093750.2822574.233856合计96.97845BCIqmpz3.021545桥头平顺桥头沉降0台背沉降0合计BCIqmpz 100伸缩缝螺帽松动000缝内沉积物堵塞0.250.5781258.671875接缝处铺装碎边0.6666670.77777831.11111接缝处高差0.0833330.2552081.276042刚材料翘曲变形000结构缝宽000伸缩缝处异常声响000合计41.05903BCIqmpz58.94097排水系统Dpi*Wij桥面铺装的评分0比重Uij权重Wij400单项扣分值Dpij405权重Wij桥面系评分65400Dpi*Wij桥面铺装损坏类型15160桥头平顺的评分损坏类型单项扣分值Dpij比重Uij损坏类型单项扣分值Dpij比重Uij单项扣分值Dpij比重Uij权重WijDpi*Wij权重WijDpi*Wij060015伸缩缝的评分损坏类型00泄水管堵塞0.1052630.3109783.109783残缺脱落0.1052630.3109783.109783桥面积水0.4736840.74267433.42032防水层0.3157890.65126119.53783合计59.17772BCIqmpz40.82228栏杆或护栏露筋锈0.3333330.6666676.666667松动错位0.3333330.6666676.666667丢失残缺0.3333330.6666676.666667合计20BCIqmpz80人行道块件网裂0.3333330.66666710塌陷0.3333330.66666710残缺0.3333330.66666710合计 30BCIqmpz70桥面系评分BCIm49.7239310Dpi*Wij101010损坏类型单项扣分值Dpij比重Uij权重Wij比重Uij权重Wij1515Dpi*Wij15单项扣分值Dpij45人行道块件的评分30栏杆或护栏的评分损坏类型1095排水系统的评分4530表面网状裂缝0.2222220.5390955.390947混凝土玻璃0.3333330.66666710露筋0.4444440.7325114.65021梁体下绕000结构裂缝000裂缝处渗水000板面贯通横缝000合计30.04115BCIqmpz69.95885横向联系桥面贯通纵缝000连接件脱焊松动0.2 0.5045.04连接件断裂0.3 0.6369.54横隔板网裂面积0.3 0.6369.54横隔板剥落露筋0.2 0.5045.04梁体异常振动000合计29.16BCIqmpz70.84Dpi*Wij101520上部结构评分pc或rc损坏类型单项扣分值Dpij比重Uij权重Wij15000梁式构件的评分450横向联系的评分Dpi*Wij01015损坏类型单项扣分值Dpij比重Uij权重Wij10050全桥BCI评分72.39255台帽网状裂缝000混凝土剥离露筋腐锈结构裂缝裂缝处渗水墩台成块脱落合计BCIqmpz 100台身墩身水平裂缝000墩身纵向裂缝框架式节点桥墩位置墩面贯通横缝合计BCIqmpz 100支座制作固定螺栓000橡胶支座钢支座制作底板混凝土支承稳定性合计BCIqmpz 100基础基础冲刷000基础抛空台帽的...

1、当您付费下载文档后,您只拥有了使用权限,并不意味着购买了版权,文档只能用于自身使用,不得用于其他商业用途(如 [转卖]进行直接盈利或[编辑后售卖]进行间接盈利)。
2、本站所有内容均由合作方或网友上传,本站不对文档的完整性、权威性及其观点立场正确性做任何保证或承诺!文档内容仅供研究参考,付费前请自行鉴别。
3、如文档内容存在违规,或者侵犯商业秘密、侵犯著作权等,请点击“违规举报”。

碎片内容

桥梁BCI检测计算表格

小辰2+ 关注
实名认证
内容提供者

出售各种资料和文档

确认删除?
VIP
微信客服
  • 扫码咨询
会员Q群
  • 会员专属群点击这里加入QQ群
客服邮箱
回到顶部