电脑桌面
添加小米粒文库到电脑桌面
安装后可以在桌面快捷访问

桥梁空心板吊装施工方案

桥梁空心板吊装施工方案_第1页
1/13
桥梁空心板吊装施工方案_第2页
2/13
桥梁空心板吊装施工方案_第3页
3/13
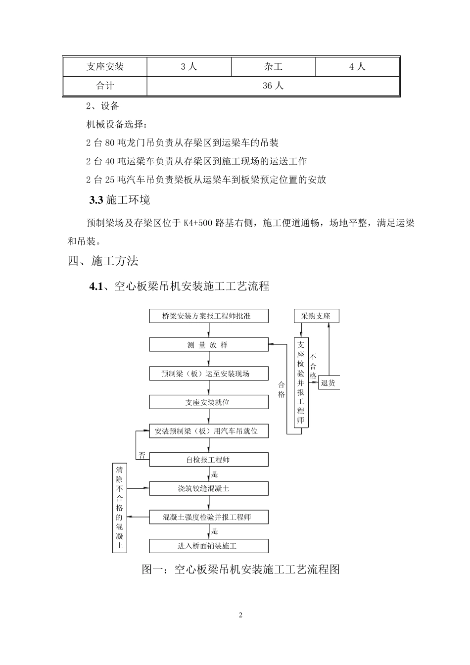
1 空心板吊装施工专项方案 一、编制依据 (1)《公路桥涵施工技术规范》,JTJ041-2000 (2)《公路工程质量检验评定标准》, JTG F08/1-2004 (3)《公路工程施工安全技术规程》,JTJ076-95 (4)XX 城市快速干道一期工程设计施工图 二、工程概况 XX 城市快速干道一期工程全长 14948.927m,其中含大桥 1 座,中桥 2 座,小桥1 座。全线共计 13 米空心板242 片,30 米 T 梁 56 片。XXX 水库中桥 XXX 通道桥 平寨中桥上部结构为为 13 米空心板。XXX 大桥上部结构为 30 米 T 梁。上部结构均为简支结构。全线所有梁板均在预制梁场集中预制。 三、施工准备工作 3 .1 技术准备 根据设计图纸对已完成的支座垫石进行标高复测。用全站仪放出垫石中心线,并依次在垫石上弹出支座边线、梁端及梁侧边线,以及空心板梁的支座中心位置,并复核支座的水平平整度。空心板梁在吊装前,应逐片检查梁板及预埋件尺寸、位置等,其允许误差不得超过设计及规范要求。腹板按要求进行凿毛处理。等梁板所有条件均符合架梁要求并经监理工程师同意后方可吊装出梁。 3 .2 资源准备 1、人员 : 人员 配 备如 下 表 所示 表 一: 人员 配 备表 施工总 指 挥 1 人 施工副 总 指 挥 1 人 后场指 挥 1 人 就 位指 挥 1 人 前场指 挥 1 人 专职 安全员 2 人 现 场技术员 2 人 吊车 司 机 4 人 梁体 捆 挂 工人 前后场各 2 人 运 梁车 司 机 2 人 运 梁随 行人员 4 人 梁端就 位 4 人 2 支座安装 3 人 杂工 4 人 合计 36 人 2、设备 机械设备选择: 2 台 80 吨龙门吊负责从存梁区到运梁车的吊装 2 台 40 吨运梁车负责从存梁区到施工现场的运送工作 2 台 25 吨汽车吊负责梁板从运梁车到板梁预定位置的安放 3 .3 施工环境 预制梁场及存梁区位于 K4+500 路基右侧,施工便道通畅,场地平整,满足运梁和吊装。 四、施工方法 4 .1 、空心板梁吊机安装施工工艺流程 桥梁安装方案报工程师批准安装预制梁(板)用汽车吊就位支座安装就位预制梁(板)运至安装现场测 量 放 样自检报工程师浇筑铰缝混凝土混凝土强度检验并报工程师进入桥面铺装施工清除不合格的混凝土支座检验并报工程师采购支座退货否是是合格不合格 图一:空心板梁吊机安装施工工艺流程图 3 4 .2 施 工 方 法 4.2.1、 墩 台 顶 垫 石 施 工 墩 ...

1、当您付费下载文档后,您只拥有了使用权限,并不意味着购买了版权,文档只能用于自身使用,不得用于其他商业用途(如 [转卖]进行直接盈利或[编辑后售卖]进行间接盈利)。
2、本站所有内容均由合作方或网友上传,本站不对文档的完整性、权威性及其观点立场正确性做任何保证或承诺!文档内容仅供研究参考,付费前请自行鉴别。
3、如文档内容存在违规,或者侵犯商业秘密、侵犯著作权等,请点击“违规举报”。

碎片内容

桥梁空心板吊装施工方案

确认删除?
VIP
微信客服
  • 扫码咨询
会员Q群
  • 会员专属群点击这里加入QQ群
客服邮箱
回到顶部