电脑桌面
添加小米粒文库到电脑桌面
安装后可以在桌面快捷访问

桥梁钢筋加工及安装施工方案

桥梁钢筋加工及安装施工方案_第1页
1/10
桥梁钢筋加工及安装施工方案_第2页
2/10
桥梁钢筋加工及安装施工方案_第3页
3/10
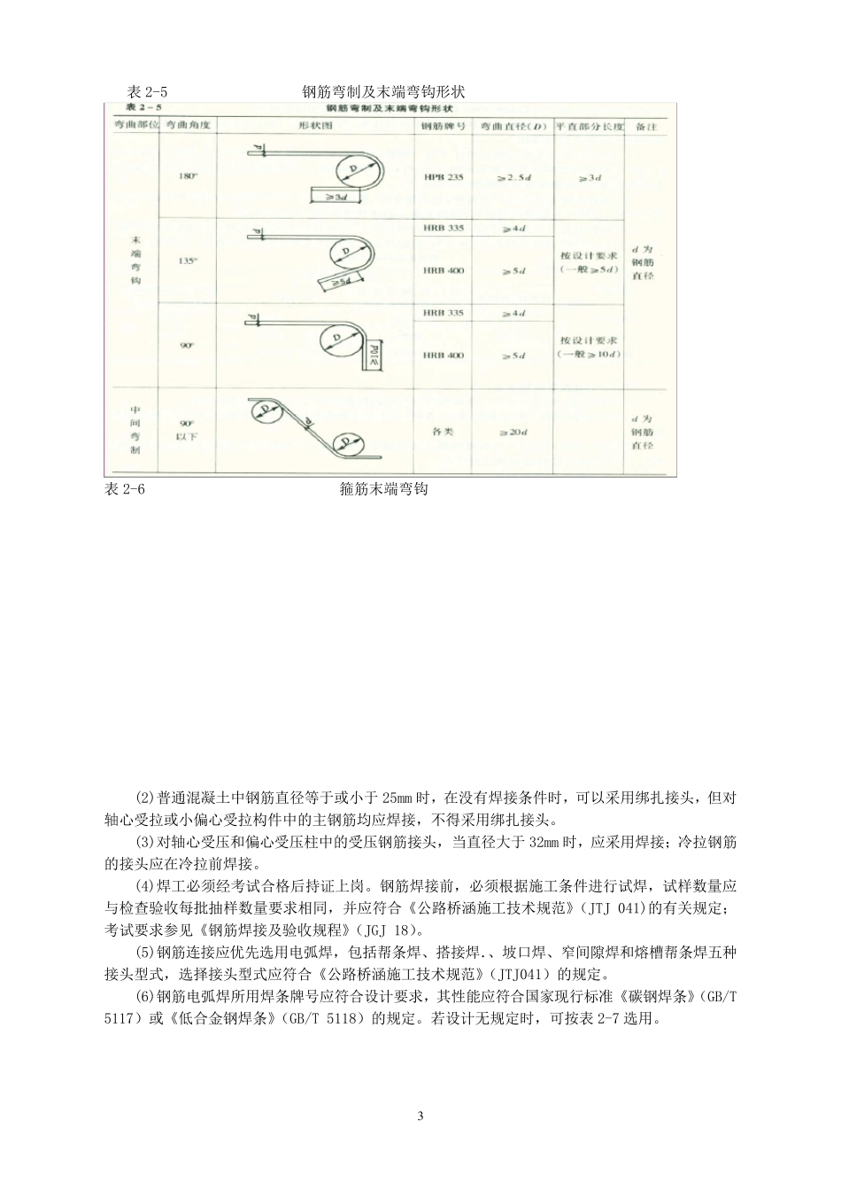
1 桥梁钢筋加工及安装 1 适 用 范 围 适 用 于 桥 梁 工 程 钢 筋 加 工 及 安 装 。 2 施 工 准 备 2.1 技 术 准 备 1.认 真 审 核 结 构 图 纸 和 钢 筋 料 表 , 绘 制 钢 筋 节 点 大 样 图 。 2.编 制 钢 筋 安 装 方 案 , 并 对 操 作 人 员 进 行 培 训 , 向 有 关 人 员 进 行 安 全 、 技 术 交 底 。 2.2 材 料 要 求 1.钢 筋 : 品 种 、 规 格 和 技 术 性 能 等 应 符 合 国 家 现 行 标 准 规 定 和 设 计 要 求 , 应 有 出 厂 合 格 证 及 检测 报 告 , 进 人 现 场 应 进 行 复 试 , 确 认 合 格 后 方 可 使 用 。 钢 筋 在 加 工 过 程 中 , 如 有 发 生 脆 断 、 焊 接 性 能 不 良 或 力 学 性 能 显 著 不 正 常 等 现 象 时 , 应 对 该 批钢 筋 进 行 化 学 分 析 或 其 他 专 项 检 验 。 2.电 焊 条 : 应 有 产 品 出 厂 合 格 证 , 品 种 、 规 格 和 技 术 性 能 等 应 符 合 国 家 现 行 标 准 规 定 和 设 计 要求 , 选用 的焊 条 型号应 与主体金属强度相适 应 , 经烘干后 使 用 。 3.其 他 材 料 : 绑扎丝、 氧气、 乙炔等 。 2.3 机具设 备 1.主要 机具设 备 : 钢 筋 弯曲机、 钢 筋 调直机、 钢 筋 切断 机、 电 焊 机、 卷扬机、 砂轮切割机等 。 2.工 具: 气焊 割枪、 钢 筋 扳手、 锤子、 钢 筋 钩、 撬棍、 钢 丝刷、 粉笔、 手推车、 尺子等 。 2.4 作 业条 件 1.所需材 料 机具及 时 进 场 , 机械设 备 状况良 好。 2.钢 筋 加 工 厂 场 地平整、 道路畅通, 供电 等 满足施 工 需求 。 3.钢 筋 安 装 方 案 已审 批 , 作 业面已具备 安 装 条 件。 3 施 工 工 艺 3.1 工 艺流程 钢 筋 接 头连接 ↓ 钢 筋 进 场 检 查→钢 筋 储存→钢 筋 取样 试 验 →钢 筋 加 工 →钢 筋 绑扎及 安 装 3.2 操 作 工 艺 1.钢 筋 进 场 检 查 (1)钢 筋 进 场 时 , 应 按表 2-3 进 行 外观检 查, 并 将外观检 查不 合 格 的钢 筋 及 时 剔除。...

1、当您付费下载文档后,您只拥有了使用权限,并不意味着购买了版权,文档只能用于自身使用,不得用于其他商业用途(如 [转卖]进行直接盈利或[编辑后售卖]进行间接盈利)。
2、本站所有内容均由合作方或网友上传,本站不对文档的完整性、权威性及其观点立场正确性做任何保证或承诺!文档内容仅供研究参考,付费前请自行鉴别。
3、如文档内容存在违规,或者侵犯商业秘密、侵犯著作权等,请点击“违规举报”。

碎片内容

桥梁钢筋加工及安装施工方案

确认删除?
VIP
微信客服
  • 扫码咨询
会员Q群
  • 会员专属群点击这里加入QQ群
客服邮箱
回到顶部