电脑桌面
添加小米粒文库到电脑桌面
安装后可以在桌面快捷访问

桩基础工程量清单计价例题

桩基础工程量清单计价例题_第1页
1/7
桩基础工程量清单计价例题_第2页
2/7
桩基础工程量清单计价例题_第3页
3/7
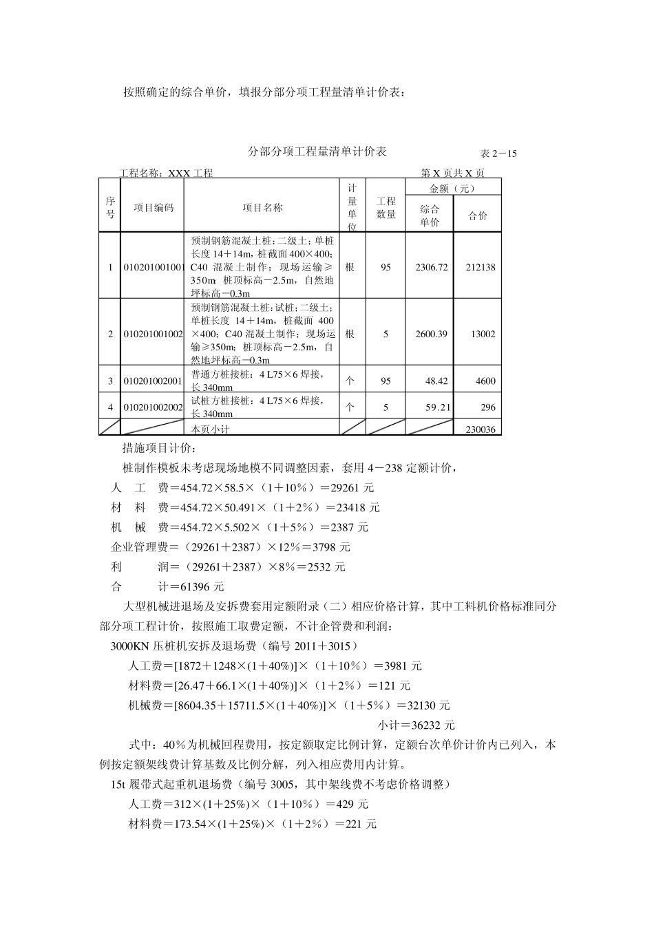
桩基础工程量清单计价例题 例 5 :根据企业设定的投标方案,按例题 1 提供的清单计算预制混凝土桩的综合单价以及分部分项和措施项目综合报价。(投标方设定的方案:混凝土桩自行在现场制作,制作点按照施工平面确定平均为 400m,根据桩长采用 3000KN 净力压桩机一台压桩,现场采用 15t载重汽车配以二台 15t履带式起重机吊运;工程消耗工料机价格按定额取定标准考虑市场价格增加幅度为人工费 10%、材料费 2%、机械费 5%;施工取费按企业管理费 12%、利润 8%计算,不再考虑其他风险) 解:按照综合单价的计算方法,计算计价工程量有两种办法(见表 2-12、13),且均可以在计价软件有关窗口根据工程量清单描述直接计算。 一种办法是计算出每个清单项目计价工程量的总数量: 计价工程量计算表 表 2-12 序号 项目名称 工程量计算式 单位 数量 分部分项项目计价工程量 1 压(沉)桩 95×28×0.4×0.4 m3 425.6 送桩 95×0.4×0.4×(2.5-0.3+0.5) m3 41.47 C40 预制方桩 425.6×(1+1.5%损耗率) m3 431.98 汽车运输 400m 425.6 m3 425.6 2 压(沉)试桩 5×28×0.4×0.4 m3 22.4 送桩 5×0.4×0.4×(2.5-0.3+0.5) m3 2.16 C40 预制方桩 22.4×(1+1.5%损耗率) m3 22.74 汽车运输 400m 22.4 m3 22.4 3 角钢接桩 95×4×0.34×6.905 (或 95×9.391) kg 892 4 试桩角钢接桩 5×4×0.34×6.905 (或 5×9.391) kg 47 措施项目工程量计算 1、预制方桩模板 431.98+22.74 m3 454.72 2、桩机进退场费 1 台 台次 1 3、桩机安拆费 1 台 台次 1 4、15t履带吊进退场 2 台 台次 2 或将分部分项计价工程量折算至清单工程量每个单位的含量,如下表: 清单项目计价工程量含量计算表 表 2-13 序号 项目名称 计算式 单位 数量 压(沉)桩 28×0.4×0.4 m3/根 4.48 送桩 0.4×0.4×(2.5-0.3+0.5) m3/根 0.432 C40 预制方桩 4.48×(1+1.5%损耗率) m3/根 4.547 汽车运输 400m 4.48 m3/根 4.48 压(沉)试桩 28×0.4×0.4 m3/根 4.48 送桩 0.4×0.4×(2.5-0.3+0.5) m3/根 0.432 C40 预制方桩 ×(1+1.5%损耗率) m3/根 4.547 汽车运输400m 4.48 m 3/根 4.48 角钢接桩 4×0.34×6.905 kg/个 9.391 试桩角钢接桩 4×0.34×6.905 kg/个 9.391 (措施项目同上表,只算出总量即可) 如为购入成品桩...

1、当您付费下载文档后,您只拥有了使用权限,并不意味着购买了版权,文档只能用于自身使用,不得用于其他商业用途(如 [转卖]进行直接盈利或[编辑后售卖]进行间接盈利)。
2、本站所有内容均由合作方或网友上传,本站不对文档的完整性、权威性及其观点立场正确性做任何保证或承诺!文档内容仅供研究参考,付费前请自行鉴别。
3、如文档内容存在违规,或者侵犯商业秘密、侵犯著作权等,请点击“违规举报”。

碎片内容

桩基础工程量清单计价例题

您可能关注的文档

小辰8+ 关注
实名认证
内容提供者

出售各种资料和文档

确认删除?
VIP
微信客服
  • 扫码咨询
会员Q群
  • 会员专属群点击这里加入QQ群
客服邮箱
回到顶部