电脑桌面
添加小米粒文库到电脑桌面
安装后可以在桌面快捷访问

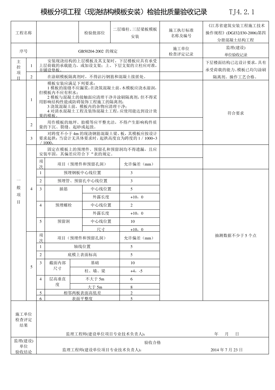
检验批填写范例

检验批填写范例_第1页
1/8
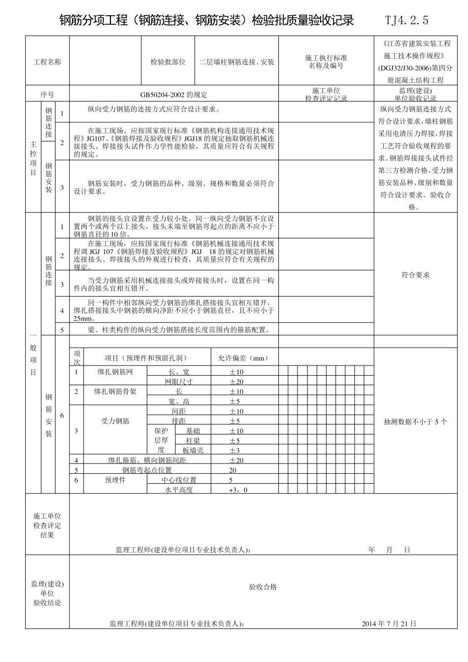
检验批填写范例_第2页
2/8
检验批填写范例_第3页
3/8
钢筋分项工程(原材料、钢筋加工)检验批质量验收记录 TJ4.2.4 工 程 名 称 检 验 批 部 位 二 层 墙 柱 、三 层 梁 板 钢 筋原 材 料 加 工 施 工 执 行 标 准 名 称 及 编 号 《 江 苏 省 建 筑 安 装 工 程施 工 技 术 操 作 规 程 》(DGJ32/J30-2006)第 四 分册 混 凝 土 结 构 工 程 序 号 GB50210-2002 的 规 定 施 工 单 位 检 查 评 定 记 录 监 理 (建 设 ) 单 位 验 收 记 录 主 控 项 目 1 钢 筋 的 力 学 性 能 检 查 。 钢 筋 原 材 料 已 检 测 合 格 ,受 力 钢 筋 弯 钩 和 弯 折 符合 设 计 及 图 集 要 求 ,封 闭环 式 箍 筋 符 合 图 集 要 求 。验 收 合 格 。 2 有 抗 震 设 防 要 求 的 框 架 结 构 , 纵 向 受 力 钢 筋 强 度 。 3 钢 筋 的 化 学 成 分 检 验 或 其 他 专 项 检 验 。 4 受 力 钢 筋 的 弯 钩 和 弯 折 加 工 。 5 非 焊 接 封 闭 环 式 箍 筋 的 加 工 。 一 般 项 目 1 钢 筋 应 平 直 、 无 损 伤 , 表 面 不 得 有 裂 纹、 油污、 颗粒状或 片状老锈。 符 合 要 求 。 抽测 数据不 小于5 个 2 钢 筋 调直 宜采用机械方法, 也可采用冷拉方法。 当采用冷拉方法调直 钢 筋 时,HPB235 级钢 筋 的 冷拉率不 宜大于4%,HRB335 级、HRB4(X)和 RRB400 级钢 筋 的 冷拉率不 宜大于1%。 3 钢 筋 加 工 的 形状、 尺寸应 符 合 设 计 要 求 , 其 偏差应 符 合 下表 的规 定 。 6 项目 项 目 允许偏差(mm) 1 受 力 钢 筋 顺长度 方向 全长的 净尺寸 ±10 2 弯 起钢 筋 的 弯 折 位 置 ±20 3 箍 筋 内净尺寸 ±5 施 工 单 位 检 查 评 定 结 果 项 目 专 业质量检 查 员: 年 月 日 监 理 (建 设 )单 位 验 收 结 论 验 收 合 格 。 监 理 工 程 师(建 设 单 位 项 目 专 业技 术 负责人): 2014 年 7 月 20 日 钢筋分项工程(钢筋连接、钢筋安装)检验批质量验收记录 TJ4.2.5 工 程 名 称 检 验 批 部 位 二 层 墙 柱 钢 筋 连 接 、安 装 施 工 执 行 标 准 名 称...

1、当您付费下载文档后,您只拥有了使用权限,并不意味着购买了版权,文档只能用于自身使用,不得用于其他商业用途(如 [转卖]进行直接盈利或[编辑后售卖]进行间接盈利)。
2、本站所有内容均由合作方或网友上传,本站不对文档的完整性、权威性及其观点立场正确性做任何保证或承诺!文档内容仅供研究参考,付费前请自行鉴别。
3、如文档内容存在违规,或者侵犯商业秘密、侵犯著作权等,请点击“违规举报”。

碎片内容

检验批填写范例

您可能关注的文档

确认删除?
VIP
微信客服
  • 扫码咨询
会员Q群
  • 会员专属群点击这里加入QQ群
客服邮箱
回到顶部