电脑桌面
添加小米粒文库到电脑桌面
安装后可以在桌面快捷访问

2025年生产人员考核方案

2025年生产人员考核方案_第1页
1/8
2025年生产人员考核方案_第2页
2/8
2025年生产人员考核方案_第3页
3/8
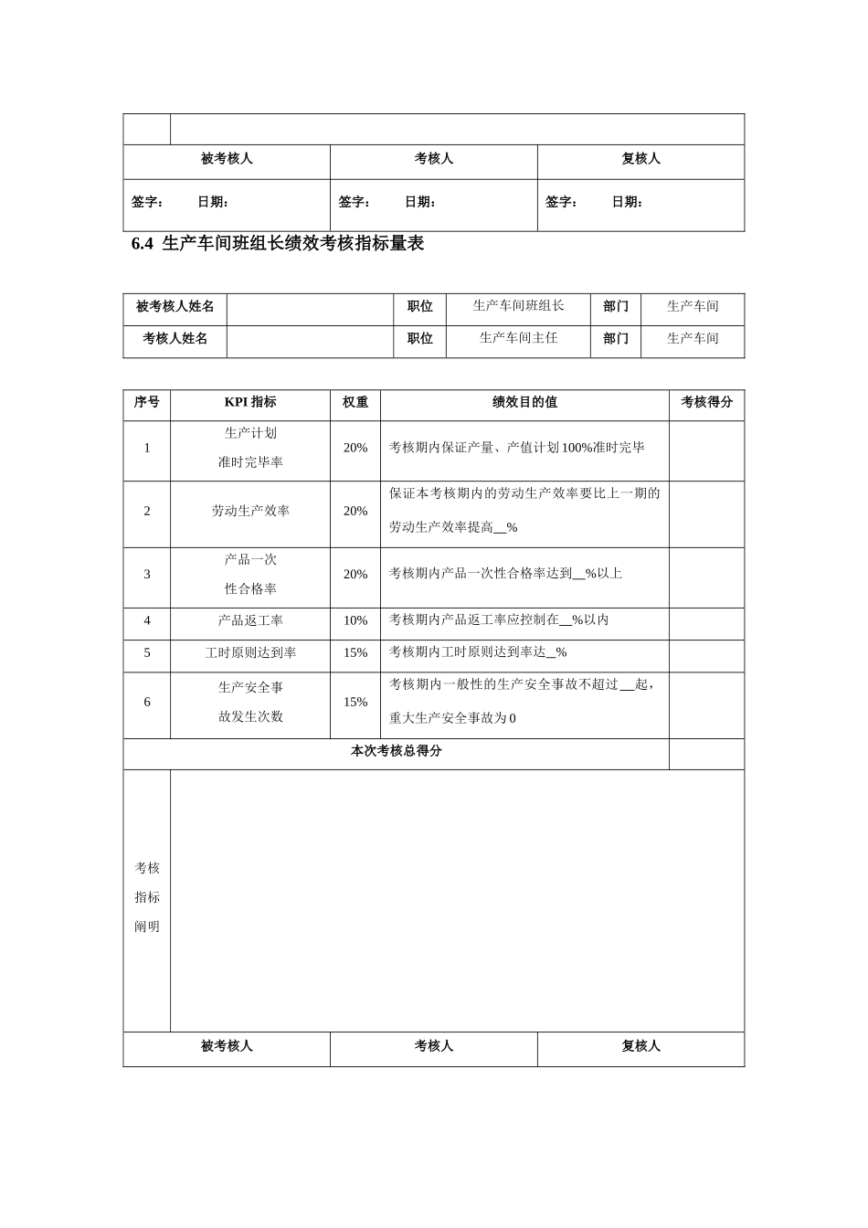
生产人员绩效考核6.1 生产管理部关键绩效考核指标序号KPI 指标考核周期指标定义/公式资料来源1生产计划达到率季/年度生产管理部2内部利润达到率季/年度财务部3劳动生产效率季/年度质量管理部4交期达到率季/年度销售部5产品抽检合格率月/季/年度质量管理部6生产成本下降率季/年度财务部7生产设备运用率年度设备部8生产安全事故次数季/年度考核期内生产安全事故发生的次数合计生产管理部6.2 工艺管理部关键绩效考核指标序号KPI 指标考核周期指标定义/公式资料来源1新产品工艺设计任务完毕准时率季/年度工艺管理部2工艺试验及时完毕率月/季/年度工艺管理部3工艺工装文件差错率月/季/年度质量管理部4工艺工装文件出错损失季/年度因本部门提供的工艺工装文献错误导致的经济损失金额生产管理部财务部5原则工时减少率根据实际工艺管理部6工艺改善成本减少率根据实际生产管理部财务部7部门管理费用预算达到率季/年度财务部6.3 生产车间主任绩效考核指标量表被考核人姓名职位生产车间主任部门生产车间考核人姓名职位生产管理部经理部门生产管理部序号KPI 指标权重绩效目的值考核得分1生产计划准时完毕率15%考核期内保证产量、产值计划 100%准时完毕2劳动生产效率10%保证本考核期内的劳动生产效率比上一期的劳动生产效率提高 %3交期达到率10%考核期内保证交期达到率在 %以上4产品抽检合格率10%考核期内产品抽检合格率不得低于 %5生产计划排程精确率10%考核期内不得低于 %6工时原则达到率10%考核期内工时原则达到率达 %7物耗原则达到率10%考核期内应达到 %以上8生产现场 5S 质量5%考核期内 5S 规定的不合格项数不得超过 项9生产安全事故发生次数10%考核期内一般性的生产安全事故不超过 起,重大生产安全事故为 010员工技能提高率5%考核期内应达到 %以上11有效的流程和制度得到实行的百分率5%考核期内保证有效的流程和制度 100%得到贯彻实行本次考核总得分考核指标阐明员工技能提高率被考核人考核人复核人签字: 日期:签字: 日期:签字: 日期:6.4 生产车间班组长绩效考核指标量表被考核人姓名职位生产车间班组长部门生产车间考核人姓名职位生产车间主任部门生产车间序号KPI 指标权重绩效目的值考核得分1生产计划准时完毕率20%考核期内保证产量、产值计划 100%准时完毕2劳动生产效率20%保证本考核期内的劳动生产效率要比上一期的劳动生产效率提高 %3产品一次性合格率20%考核期内产品一次性合格率达到 %以上4产品返工率10%考核...

1、当您付费下载文档后,您只拥有了使用权限,并不意味着购买了版权,文档只能用于自身使用,不得用于其他商业用途(如 [转卖]进行直接盈利或[编辑后售卖]进行间接盈利)。
2、本站所有内容均由合作方或网友上传,本站不对文档的完整性、权威性及其观点立场正确性做任何保证或承诺!文档内容仅供研究参考,付费前请自行鉴别。
3、如文档内容存在违规,或者侵犯商业秘密、侵犯著作权等,请点击“违规举报”。

碎片内容

2025年生产人员考核方案

确认删除?
VIP
微信客服
  • 扫码咨询
会员Q群
  • 会员专属群点击这里加入QQ群
客服邮箱
回到顶部