电脑桌面
添加小米粒文库到电脑桌面
安装后可以在桌面快捷访问

楼房拆除施工方案

楼房拆除施工方案_第1页
1/8
楼房拆除施工方案_第2页
2/8
楼房拆除施工方案_第3页
3/8
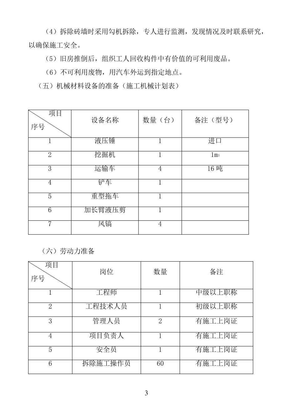
1 一、工程概况 (1)工程名称:******教学楼拆除工程 (2)建设单位:****** (3)施工单位:******公司 (4)建筑规模:本工程位于****,需拆除三层砖混结构楼房一栋,面积约 2950平方米。 二、施工组织设计的编制原则 从实际出发,在确保人身和财产安全的前提下,选择经济、合理、扰民小的拆除方案,进行科学的组织,以实现安全、经济、速度快、扰民小的目标。 三、施工组织设计的编制依据 被拆除建筑物的竣工图或设计图(包括结构、建筑、水、电、设备及外管线),施工现场勘察得来的资料和信息,拆除工程有关的施工验收规范、安全技术规范、安全操作规程和国家、省有关安全技术规定,以及本单位的技术装备条件。 四、施工前准备及主要施工设备 (一)技术准备工作 (1)首先熟悉被拆建筑物的竣工图纸,弄清建筑物的结构情况、建筑情况、水电及设备管道情况,地下隐蔽设施情况。工地负责人要根据施工组织设计和安全技术规程向参加拆除的工作人员进行详细的交底。 (2)对 施工员进行安全技术交底,加强 安全意 识 。对 工人做 好 安全教育 ,组织工人学习 安全操作规程。 (3)踏 看 施工现场,熟悉周 围 环 境 、场地、道路 、水电设备管路 、建筑物情况等 。 (二)现场准备 (1)清理施工场地,保证 运 输 道路 畅 通 。 (2)施工前,先清除拆除倒 塌 范围 内 的物资、设备; 将 电线、燃 气 道、水 2 管 、 供 热 设 备 等 干 线 与 该 建 筑 物 的 支 线 切 断 或 迁 移 : 检 查 周 围 危 旧 房 , 必 要 时进 行 临 时 加 固 ; 向 周 围 群 众 出 安 民 告 示 , 在 拆 除 危 险 区 周 围 设 禁 区 围 栏 、 警 戒标 志 , 派 专 人 监 护 , 禁 止 非 拆 除 人 员 进 入 施 工 现 场 。 ( 3) 对 于 生 产 、 使 用 、 储 存 化 学 危 险 品 的 建 筑 物 的 拆 除 , 要 经 过 消 防 、 安全 部 门 参 与 审 核 , 制 定 保 证 安 全 的 预 案 , 经 过 批 准 实 施 。 ( 4) 搭 设 临 时 防 护 设 施 , 避 免 拆 除 时 的 砂 、 石 、 灰 尘 飞 扬 影 响 生 产 的 正 常进 行 。 ( 5) 在 拆 除 危 险 区 设 置 警 戒 区 标 志 。 ( 6) 接 引 好 施 工 用 临 时 ...

1、当您付费下载文档后,您只拥有了使用权限,并不意味着购买了版权,文档只能用于自身使用,不得用于其他商业用途(如 [转卖]进行直接盈利或[编辑后售卖]进行间接盈利)。
2、本站所有内容均由合作方或网友上传,本站不对文档的完整性、权威性及其观点立场正确性做任何保证或承诺!文档内容仅供研究参考,付费前请自行鉴别。
3、如文档内容存在违规,或者侵犯商业秘密、侵犯著作权等,请点击“违规举报”。

碎片内容

楼房拆除施工方案

确认删除?
VIP
微信客服
  • 扫码咨询
会员Q群
  • 会员专属群点击这里加入QQ群
客服邮箱
回到顶部