电脑桌面
添加小米粒文库到电脑桌面
安装后可以在桌面快捷访问

模具加工制作流程

模具加工制作流程_第1页
1/8
模具加工制作流程_第2页
2/8
模具加工制作流程_第3页
3/8
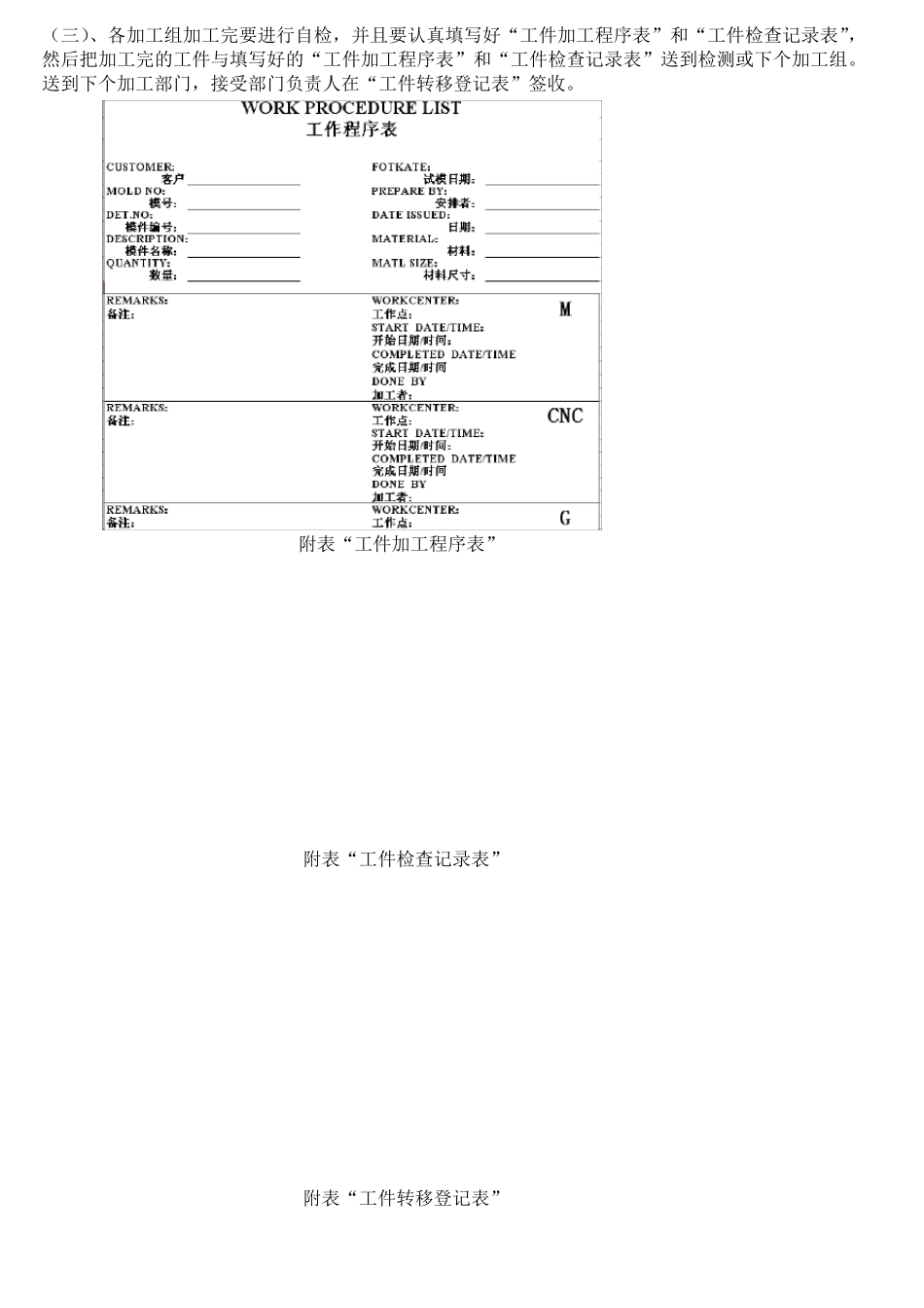
模具加工基本流程 一、新模加工的基本流程与要求: (一)、接受到工程给予的模具资料,根据模具的生产周期、生产时间制定模具制作日程表。 附表“模具制作日程表” 注明:模具生产周期为 12 天,各小组加工基本如下: 设计:出 3D 一天,出运水图纸 6-8 小时,出 2D 一天半,(包含评审);订购模胚、材料、标准件要及时; 编程:两天,前后模开粗、挂台铜公优先; 铣床:半天,开模第 2 天 17:30 前完成; CNC 开粗:开模第 2 天 21:00 前完成外发热处理; 磨床:半天,第 3 天热处理回来; CNC 光刀:一天,开模第 4 天完成; 线割:一天,开模5 天完成; EDM:三天;开模第 9 天完成; FIT 模/省模:3 天。 TO 模具评审会。 各加工组要保质保量的按时完成,有延误进度和加工出错的要进行教导或检讨,延误半天的要进行罚款处理。 (二)、各加工组按“模具部新模排期表”先后顺序加工,决不允许颠倒或胡乱安排加工,违返组长要进行检讨问责。 附表“模具部新模排期表” 模具工件时要分清安排加工的先后顺序。 1 .要按照试模先后顺序加工; 2 .改模要优先新模加工; 3 . 前后模、行位要优先其它散件加工,要多个加工部门要优先其它单个和少加工部门加工; 4 . 淬火的工件要优先不用淬火的工件加工; 5 . 外发工件要优先不用外发的工件加工; 6 . 遇到模具繁多,有的加工部门可能积压很多工件,有的部门机器待工件加工的现象,这时必须进行合理调整; 7 . 安排钢料与铜公的加工互相配合,不能脱节; 8 . PMC 对各加工组的每日加工能力及时互相调配。 (三)、各加工组要根据“新模生产进度状况表”实际情况,主动跟进合理安排好机台加工。 附表“新模生产进度状况表” (三)、各加工组加工完要进行自检,并且要认真填写好“工件加工程序表”和“工件检查记录表”,然后把加工完的工件与填写好的“工件加工程序表”和“工件检查记录表”送到检测或下个加工组。送到下个加工部门,接受部门负责人在“工件转移登记表”签收。 附表“工件加工程序表” 附表“工件检查记录表” 附表“工件转移登记表” (四)、编程在出新模铜公时,前后模开粗、挂台铜公优先。CNC 按底壳、面壳、电池盖顺序安排加工, 后模挂台铜公、后模铜公优先加工。铜公加工PMC 做好统计与跟进。 附表“铜公加工状况表” (五)、“每日工作记录表”各组要准时上交到 PMC 处,PMC 做好统计...

1、当您付费下载文档后,您只拥有了使用权限,并不意味着购买了版权,文档只能用于自身使用,不得用于其他商业用途(如 [转卖]进行直接盈利或[编辑后售卖]进行间接盈利)。
2、本站所有内容均由合作方或网友上传,本站不对文档的完整性、权威性及其观点立场正确性做任何保证或承诺!文档内容仅供研究参考,付费前请自行鉴别。
3、如文档内容存在违规,或者侵犯商业秘密、侵犯著作权等,请点击“违规举报”。

碎片内容

模具加工制作流程

确认删除?
VIP
微信客服
  • 扫码咨询
会员Q群
  • 会员专属群点击这里加入QQ群
客服邮箱
回到顶部